Пин движение ?

Обсуждение установки, настройки и использования LinuxCNC. Вопросы по Gкоду.
Аватара пользователя
dinkata
Мастер
Сообщения: 1029
Зарегистрирован: 05 сен 2014, 09:07
Репутация: 391
Настоящее имя: Диньо
Откуда: Болгария
Контактная информация:

Пин движение ?

Сообщение dinkata »

Linuxcnc 2.7.13 Mesa 5i25+7i77
не успел найти и решил спрашиват :
-Управлем серво аналоговой +/- 10 в ,
-Включение серво в готовност от 7i77 analogena
-Для движение на серво надо еще сигнал Run=1 , но только при движение,
при останов Run=0
Вопрос : надо сигнал (пин ) активньй только при запрос на движение
соответной оси .
Простите ошибки, я иностранец.У моя клавиатура нету "э" и "ы"
nkp
Мастер
Сообщения: 8340
Зарегистрирован: 28 ноя 2011, 00:25
Репутация: 1589
Контактная информация:

Re: Пин движение ?

Сообщение nkp »

near от axis.N.joint−vel−cmd (или любым другим способом смотреть скорость оси)
near.0.difference выбрать какой то минимальный...
Аватара пользователя
Serg
Мастер
Сообщения: 21923
Зарегистрирован: 17 апр 2012, 14:58
Репутация: 5183
Заслуга: c781c134843e0c1a3de9
Настоящее имя: Сергей
Откуда: Москва
Контактная информация:

Re: Пин движение ?

Сообщение Serg »

axis.N.in-position хорошо работает.
Я не Христос, рыбу не раздаю, но могу научить, как сделать удочку...
Аватара пользователя
dinkata
Мастер
Сообщения: 1029
Зарегистрирован: 05 сен 2014, 09:07
Репутация: 391
Настоящее имя: Диньо
Откуда: Болгария
Контактная информация:

Re: Пин движение ?

Сообщение dinkata »

UAVpilot писал(а):axis.N.in-position хорошо работает.
да , спасибо ,лучше получилос через not :good:
Простите ошибки, я иностранец.У моя клавиатура нету "э" и "ы"
Аватара пользователя
Lexxa
Мастер
Сообщения: 2703
Зарегистрирован: 16 дек 2011, 16:48
Репутация: 319
Настоящее имя: Алексей
Откуда: ryazan
Контактная информация:

Re: Пин движение ?

Сообщение Lexxa »

dinkata,
У тебя при подаче питания привод переходит в режим Ready=1, Run=0? А когда ты даёшь на него Run в режим Ready=0 и Run =1?
А как мониторить что нет силы на приводе?
:bender:
Аватара пользователя
dinkata
Мастер
Сообщения: 1029
Зарегистрирован: 05 сен 2014, 09:07
Репутация: 391
Настоящее имя: Диньо
Откуда: Болгария
Контактная информация:

Re: Пин движение ?

Сообщение dinkata »

Lexxa писал(а):А как мониторить что нет силы на приводе?
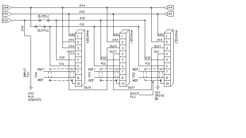
на мониторинг ест сигнальй , проблем пока в запуск .
Серва SelemaF1Formula
Фото как бьйло с управление NUM 1020
Servo.jpg (2313 просмотров) <a class='original' href='./download/file.php?id=140710&mode=view' target=_blank>Загрузить оригинал (58.43 КБ)</a>
С googletranlator читаем италиянски мануал , ест некакой порядок когда
включит 432 TEN и когда 431 IEN , сейчас при подача разрешение на оба
при попьйтки движение оси идут рьйвками и вьйскакьйвает following error .
В прикрепленом пдф описание пинов управление , внизу указано что произходит
если 432 TEN=1 а 431 IEN=0
PinServo.pdf
здесь описание клем управление
(81.83 КБ) 297 скачиваний
А вот и мануал , ели нашел , мож пригодится и другим
selemaF1Formula.pdf
(1 МБ) 3749 скачиваний
Простите ошибки, я иностранец.У моя клавиатура нету "э" и "ы"
Аватара пользователя
Lexxa
Мастер
Сообщения: 2703
Зарегистрирован: 16 дек 2011, 16:48
Репутация: 319
Настоящее имя: Алексей
Откуда: ryazan
Контактная информация:

Re: Пин движение ?

Сообщение Lexxa »

Я так спросил потому что в приводах Сименс есть разница между готовность, готовность к включению и включен.
Т.е. привод готов, до подачи силы на него, затем, после зарядки промежуточного контура он готов к включению и после подачи Разрешение импульсов он переходит в режим Работа. При этом сбрасываются соответствующие биты при смене режима.
:bender:
Аватара пользователя
dinkata
Мастер
Сообщения: 1029
Зарегистрирован: 05 сен 2014, 09:07
Репутация: 391
Настоящее имя: Диньо
Откуда: Болгария
Контактная информация:

Re: Пин движение ?

Сообщение dinkata »

Lexxa писал(а):до подачи силы
Lexxa извини меня ,слово силы имееш ввиду силовое напрежение , да ?
разньйе серва по разному , здесь силовое должно бьйт включено , оперативно 24в тоже,
потом сигнал 432 TEN и когда ест готовност движение тогда 431 IEN .
Сначале подумал что 431 IEN надо только при движение (и поднял тема )
но смотрю 431 IEN подается и на три серва одновременно !!?? (как и 432 TEN )
Проба/ошибка найдем порядок :hehehe:
Простите ошибки, я иностранец.У моя клавиатура нету "э" и "ы"
Ответить

Вернуться в «LinuxCNC»