Создание волоконного лазерного станка.
-
mummy117
- Кандидат
- Сообщения: 46
- Зарегистрирован: 11 фев 2018, 14:30
- Репутация: 45
- Настоящее имя: Sergiy
- Откуда: Украина, Харьков.
- Контактная информация:
Создание волоконного лазерного станка.
Добрый вечер господа. Дошли руки до постройки лазерного станка. Из закупленного: волоконный лазер maxphotonix MFSC-500, чиллер SW 6200 AN, голова Raytools BT240S. Из предполагаемых закупок: контроллер Ruida RDC 6333F, сервы 60st-m1330 400w - 3 шт + 3 планетарных редуктора 1:10, на ось Z гибрид 86hse8n-b38+драйвер hss86, рельсы хивин, косозубая рейка по осям Х У, косозубые шестерни, швп 1610 на ось Z.
Прошу ответить на ряд вопросов: 1.имел ли кто дело с данным контроллером (интересуют отзывы). 2. Как подключается охлаждение на голове: на ней два контура охлаждения и один на конце оптоволокна, на скудных видео было замечено вроде последовательно подключено оптоволокно и один из контуров на голове, а второй контур паралельно первому - так ли это. 3. На одной из осей будут установлены 2 привода, на контроллере не предусмотренно подключение второго привода, Нормально ли подключать два сервопривода на один выход.
Готов выслушать любую критику, а ещё лучше полезные советы. Кому интересно могу поделиться наработками по данному вопросу.
Прошу ответить на ряд вопросов: 1.имел ли кто дело с данным контроллером (интересуют отзывы). 2. Как подключается охлаждение на голове: на ней два контура охлаждения и один на конце оптоволокна, на скудных видео было замечено вроде последовательно подключено оптоволокно и один из контуров на голове, а второй контур паралельно первому - так ли это. 3. На одной из осей будут установлены 2 привода, на контроллере не предусмотренно подключение второго привода, Нормально ли подключать два сервопривода на один выход.
Готов выслушать любую критику, а ещё лучше полезные советы. Кому интересно могу поделиться наработками по данному вопросу.
-
aftaev
- Зачётный участник

- Сообщения: 34042
- Зарегистрирован: 04 апр 2010, 19:22
- Репутация: 6194
- Откуда: Казахстан.
- Контактная информация:
Re: Создание волоконного лазерного станка.
Скока стоит?mummy117 писал(а):Из закупленного: волоконный лазер maxphotonix MFSC-500
На выставке продавцы лазерных станков рассказывали что нужно заливать чистую, прозрачную дист. воду. И вода циркулирует прям между линзами.mummy117 писал(а): 2. Как подключается охлаждение на голове: на ней два контура охлаждения и один на конце оптоволокна, на скудных видео было замечено вроде последовательно подключено оптоволокно и один из контуров на голове, а второй контур паралельно первому - так ли это
Если нет выхода, то так и делается. Но нельзя будет выравнивать портал.mummy117 писал(а):на контроллере не предусмотренно подключение второго привода, Нормально ли подключать два сервопривода на один выход.
Цены интересно, где и как покупал лазер, голову и тд...mummy117 писал(а):Кому интересно могу поделиться наработками по данному вопросу.
Дилетанту сложные вещи кажутся очень простыми, и только профессионал понимает насколько сложна самая простая вещь
Кто хочет - ищет возможности, кто не хочет - ищет оправдание.
Найди работу по душе и тебе не придется работать.
Кто хочет - ищет возможности, кто не хочет - ищет оправдание.
Найди работу по душе и тебе не придется работать.
-
mummy117
- Кандидат
- Сообщения: 46
- Зарегистрирован: 11 фев 2018, 14:30
- Репутация: 45
- Настоящее имя: Sergiy
- Откуда: Украина, Харьков.
- Контактная информация:
Re: Создание волоконного лазерного станка.
Источник ~10к$. Голова ~ 1.3 к$. Где и как пока не знаю, комплектующие выдали.
-
aftaev
- Зачётный участник

- Сообщения: 34042
- Зарегистрирован: 04 апр 2010, 19:22
- Репутация: 6194
- Откуда: Казахстан.
- Контактная информация:
Re: Создание волоконного лазерного станка.
А что не Панасоники или Яскава 7я на такой станок?mummy117 писал(а):сервы 60st-m1330 400w - 3 шт
Дилетанту сложные вещи кажутся очень простыми, и только профессионал понимает насколько сложна самая простая вещь
Кто хочет - ищет возможности, кто не хочет - ищет оправдание.
Найди работу по душе и тебе не придется работать.
Кто хочет - ищет возможности, кто не хочет - ищет оправдание.
Найди работу по душе и тебе не придется работать.
-
mummy117
- Кандидат
- Сообщения: 46
- Зарегистрирован: 11 фев 2018, 14:30
- Репутация: 45
- Настоящее имя: Sergiy
- Откуда: Украина, Харьков.
- Контактная информация:
Re: Создание волоконного лазерного станка.
С сервами первый опыт, так что пока подешевле.
-
mummy117
- Кандидат
- Сообщения: 46
- Зарегистрирован: 11 фев 2018, 14:30
- Репутация: 45
- Настоящее имя: Sergiy
- Откуда: Украина, Харьков.
- Контактная информация:
Re: Создание волоконного лазерного станка.
Китайцы рекомендуют этот контроллер: au3tech mcc3721H, не знаю почему, но мне не нравится что для него обязательно нужен ПК, а хочется автономный контроллер. Может кто знает в чем его преимущество?
- FLUKE
- Мастер
- Сообщения: 843
- Зарегистрирован: 11 мар 2013, 21:18
- Репутация: 187
- Настоящее имя: Сергей
- Откуда: Смоленск
- Контактная информация:
Re: Создание волоконного лазерного станка.
Что пилить то собираетесь? Размер стола?
На коннекторах QBH 500W обычно нет водяного охлаждения. Вообще 500W не особо то греется. Я бы последовательно подключил, коннектор первый. Вообще в инструкции к источнику и голове должно быть всё нарисовано, если, конечно, она есть.
Кидай ссылки на комплектуху, если не сложно. Источники могут быть разной комплектухи, опций, коннекторов ...
Как источником управлять планируешь (включение, установка мощности, готовность, ошибки ...)?
На коннекторах QBH 500W обычно нет водяного охлаждения. Вообще 500W не особо то греется. Я бы последовательно подключил, коннектор первый. Вообще в инструкции к источнику и голове должно быть всё нарисовано, если, конечно, она есть.
Кидай ссылки на комплектуху, если не сложно. Источники могут быть разной комплектухи, опций, коннекторов ...
Как источником управлять планируешь (включение, установка мощности, готовность, ошибки ...)?
-
mummy117
- Кандидат
- Сообщения: 46
- Зарегистрирован: 11 фев 2018, 14:30
- Репутация: 45
- Настоящее имя: Sergiy
- Откуда: Украина, Харьков.
- Контактная информация:
Re: Создание волоконного лазерного станка.
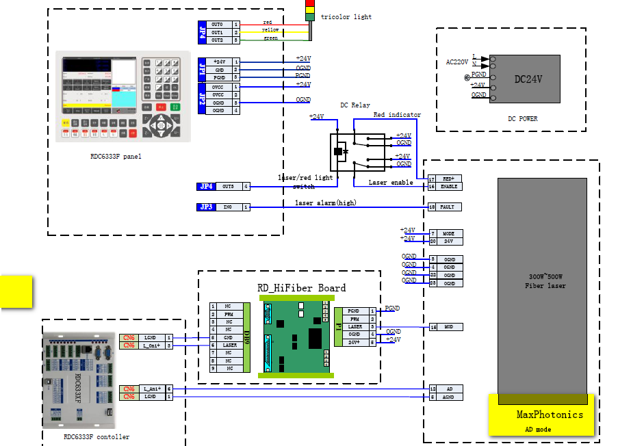
Пилить собираемся сталь 1.5 - 2 мм. Размер стола 2550*1300. У Maxphotonix QBH 500W есть охлаждение (фото 1), сделаем так как говорите, инструкции есть и голову и на источник, но схем подключение охлаждения нету.
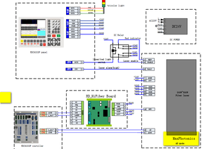
Управлять источником планируем с контроллера, очень подфаритло, в инструкции на контроллер, в качестве примера, есть схема стыковки контроллера с источником.(фото 2) (включение, установка мощности, ошибки ...)
Управлять источником планируем с контроллера, очень подфаритло, в инструкции на контроллер, в качестве примера, есть схема стыковки контроллера с источником.(фото 2) (включение, установка мощности, ошибки ...)
-
mummy117
- Кандидат
- Сообщения: 46
- Зарегистрирован: 11 фев 2018, 14:30
- Репутация: 45
- Настоящее имя: Sergiy
- Откуда: Украина, Харьков.
- Контактная информация:
Re: Создание волоконного лазерного станка.
На этом фото все 3 контура последовательно !!!FLUKE писал(а):http://i.bosscdn.com/product/09/ab/6e/4 ... d44384.jpg
- FLUKE
- Мастер
- Сообщения: 843
- Зарегистрирован: 11 мар 2013, 21:18
- Репутация: 187
- Настоящее имя: Сергей
- Откуда: Смоленск
- Контактная информация:
Re: Создание волоконного лазерного станка.
На фото голова с автофокусом, чем пятым движком рулить будешь?
-
mummy117
- Кандидат
- Сообщения: 46
- Зарегистрирован: 11 фев 2018, 14:30
- Репутация: 45
- Настоящее имя: Sergiy
- Откуда: Украина, Харьков.
- Контактная информация:
Re: Создание волоконного лазерного станка.
??????? А где это там автофокус? У меня такая же голова, что то я там такого не нахожу.FLUKE писал(а):На фото голова с автофокусом, чем пятым движком рулить будешь?
- FLUKE
- Мастер
- Сообщения: 843
- Зарегистрирован: 11 мар 2013, 21:18
- Репутация: 187
- Настоящее имя: Сергей
- Откуда: Смоленск
- Контактная информация:
Re: Создание волоконного лазерного станка.
Я изхожу от обратного. Как рукой крутануть фокус на этой голове? Я не вижу. Решил что она с автофокусом.
Теперь вижу.
Какую точность планируешь на станке?
Теперь вижу.
Какую точность планируешь на станке?
-
mummy117
- Кандидат
- Сообщения: 46
- Зарегистрирован: 11 фев 2018, 14:30
- Репутация: 45
- Настоящее имя: Sergiy
- Откуда: Украина, Харьков.
- Контактная информация:
Re: Создание волоконного лазерного станка.
Привезли самое вкусное: источник и чиллер.
Точность - та какая получится.
Точность - та какая получится.
-
def
- Мастер
- Сообщения: 1068
- Зарегистрирован: 28 сен 2015, 14:43
- Репутация: 92
- Настоящее имя: Антон
- Контактная информация:
Re: Создание волоконного лазерного станка.
Интересная тема, буду следить 
Мы строим лазеры!
drago-laser.com
drago-laser.com
-
mummy117
- Кандидат
- Сообщения: 46
- Зарегистрирован: 11 фев 2018, 14:30
- Репутация: 45
- Настоящее имя: Sergiy
- Откуда: Украина, Харьков.
- Контактная информация:
Re: Создание волоконного лазерного станка.
Прогресс по станку: рама почти готова, начали приезжать комплектующие: каретки Hiwin 15е с фланцем, 15 шт, 34$ шт; рельса Hiwin 15я 10 метров, 54$ м/п.
- sima8520
- Почётный участник

- Сообщения: 4510
- Зарегистрирован: 24 ноя 2016, 23:35
- Репутация: 1617
- Настоящее имя: Илья
- Откуда: Беларусь, Гомель
- Контактная информация:
Re: Создание волоконного лазерного станка.
Как то дороговато закупились вы. У официалов 45$ метр и каретка 25$.mummy117 писал(а):54$
-
mummy117
- Кандидат
- Сообщения: 46
- Зарегистрирован: 11 фев 2018, 14:30
- Репутация: 45
- Настоящее имя: Sergiy
- Откуда: Украина, Харьков.
- Контактная информация:
Re: Создание волоконного лазерного станка.
У каких это официалов? Можете дать ссылку? Может у Вас они там так стоят. В "незалежной" таких цен не видал.sima8520 писал(а):Как то дороговато закупились вы. У официалов 45$ метр и каретка 25$.mummy117 писал(а):54$
-
aftaev
- Зачётный участник

- Сообщения: 34042
- Зарегистрирован: 04 апр 2010, 19:22
- Репутация: 6194
- Откуда: Казахстан.
- Контактная информация:
Re: Создание волоконного лазерного станка.
mummy117, спрячь с фото зановески. Hanter увидит, начнет про культуру производства рассказывать. Будет рассказ как это влияет на выход порнушных деталей 
Дилетанту сложные вещи кажутся очень простыми, и только профессионал понимает насколько сложна самая простая вещь
Кто хочет - ищет возможности, кто не хочет - ищет оправдание.
Найди работу по душе и тебе не придется работать.
Кто хочет - ищет возможности, кто не хочет - ищет оправдание.
Найди работу по душе и тебе не придется работать.