Первый опыты по созданию CO2 станка | Новичок
-
Panomax
- Новичок
- Сообщения: 12
- Зарегистрирован: 17 июл 2018, 08:49
- Репутация: 0
- Контактная информация:
Первый опыты по созданию CO2 станка | Новичок
Вступление:
Здравствуйте!
На работе много свободного времени поэтому ищу для себя какое-то новое интересное хобби которое будет приносить дополнительный доход.
Нашел на ютубе видео фрезеровочных и лазерных гравировальных станков.Очень мне понравилось. Начал искать что нужно купить и у кого как все сделано.
Хотел сделать свой проект с SOLIDWORKS даже скачал все необходимые детали для станка, но потом нашел полностью готовый проект. Этот проект я взял за основу.
?Вопрос?
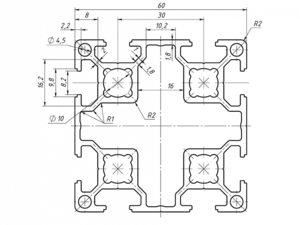
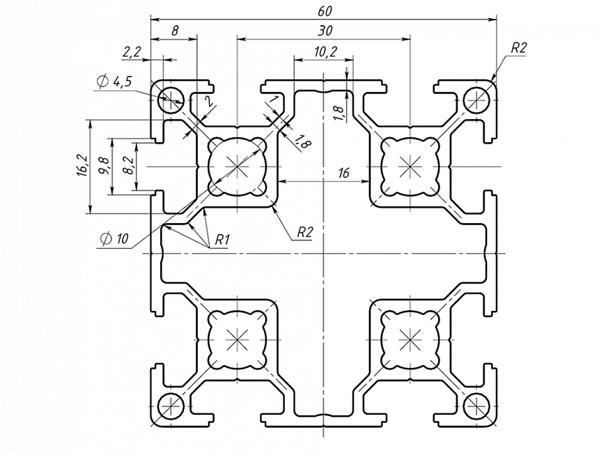
По проекту все делается из ал. профилья 60x60 толщ. 3мм. Я же подсчитал и решил что стоимость конструкционного профиля и обычного примерно одинаковая и заказал на весь станок конструкционный профиль.
Хочу ставить каретки и рельсы Hiwin 15 или хорошие аналоги им. Получится ли каретки надежно закрепить ? не попадут ли места соединений в пустоту ? Что брать HGH15CA или HGW15CC?
Есть у кого проверенные продавцы в Китае которые продают оригинальные или очень хорошего качества Hiwin ? а то я нашел на Ali одну ссылку, но тут качество на первый взгляд вообще учасное
Здравствуйте!
На работе много свободного времени поэтому ищу для себя какое-то новое интересное хобби которое будет приносить дополнительный доход.
Нашел на ютубе видео фрезеровочных и лазерных гравировальных станков.Очень мне понравилось. Начал искать что нужно купить и у кого как все сделано.
Хотел сделать свой проект с SOLIDWORKS даже скачал все необходимые детали для станка, но потом нашел полностью готовый проект. Этот проект я взял за основу.
?Вопрос?
По проекту все делается из ал. профилья 60x60 толщ. 3мм. Я же подсчитал и решил что стоимость конструкционного профиля и обычного примерно одинаковая и заказал на весь станок конструкционный профиль.
Хочу ставить каретки и рельсы Hiwin 15 или хорошие аналоги им. Получится ли каретки надежно закрепить ? не попадут ли места соединений в пустоту ? Что брать HGH15CA или HGW15CC?
Есть у кого проверенные продавцы в Китае которые продают оригинальные или очень хорошего качества Hiwin ? а то я нашел на Ali одну ссылку, но тут качество на первый взгляд вообще учасное
-
NikolayUa24
- Мастер
- Сообщения: 1407
- Зарегистрирован: 31 июл 2013, 20:05
- Репутация: 256
- Настоящее имя: Николай
- Контактная информация:
Re: Первый опыты по созданию CO2 станка | Новичок
CCM–W40-06 или какой по душе CCM–W40-10,CCM–W45-15,CCM–W50-25,CCM–W60-35. На Али ccm rails или к в личкуPanomax писал(а):Что брать HGH15CA или HGW15CC?
Страдания ведут человека к совершенству.
- sima8520
- Почётный участник

- Сообщения: 4509
- Зарегистрирован: 24 ноя 2016, 23:35
- Репутация: 1617
- Настоящее имя: Илья
- Откуда: Беларусь, Гомель
- Контактная информация:
Re: Первый опыты по созданию CO2 станка | Новичок
Для лазеров надо брать высокоскоростную серию рельс
- sima8520
- Почётный участник

- Сообщения: 4509
- Зарегистрирован: 24 ноя 2016, 23:35
- Репутация: 1617
- Настоящее имя: Илья
- Откуда: Беларусь, Гомель
- Контактная информация:
Re: Первый опыты по созданию CO2 станка | Новичок
Судя по фото, паз 8 мм, значит всё гудPanomax писал(а):не попадут ли места соединений в пустоту
Рельсы покупай в местных магазинах, либо в Зэтеке
-
Panomax
- Новичок
- Сообщения: 12
- Зарегистрирован: 17 июл 2018, 08:49
- Репутация: 0
- Контактная информация:
Re: Первый опыты по созданию CO2 станка | Новичок
sima8520, Рельсы то понятно что подойдут, а вот каретки ? EGW15CCZAH (с ушками) или EGH15CAZAH (простая)
- ilya37rus
- Мастер
- Сообщения: 509
- Зарегистрирован: 16 сен 2017, 23:19
- Репутация: 24
- Настоящее имя: Илья
- Контактная информация:
Re: Первый опыты по созданию CO2 станка | Новичок
так как портал будешь крепить, такие и бери
-
Klimber0
- Опытный
- Сообщения: 111
- Зарегистрирован: 03 апр 2017, 17:12
- Репутация: 19
- Настоящее имя: Эдуард
- Контактная информация:
Re: Первый опыты по созданию CO2 станка | Новичок
Для лазерной головы бери простую без ушей она идеально подходит, остольные как написано вышеPanomax писал(а):Рельсы то понятно что подойдут, а вот каретки ? EGW15CCZAH (с ушками) или EGH15CAZAH (простая)
- vovan4uk
- Опытный
- Сообщения: 191
- Зарегистрирован: 03 июл 2017, 23:26
- Репутация: 6
- Настоящее имя: Володимир
- Откуда: Україна, Тернопіль
- Контактная информация:
Re: Первый опыты по созданию CO2 станка | Новичок
Етот проект нарисовал участник етого форума и есть большая тема как он все делал - ник Def
-
Panomax
- Новичок
- Сообщения: 12
- Зарегистрирован: 17 июл 2018, 08:49
- Репутация: 0
- Контактная информация:
Re: Первый опыты по созданию CO2 станка | Новичок
Заказал я эти рельсы. зашел на сайт хивин чтобы посмотреть какие болты покупать.sima8520 писал(а):Для лазеров надо брать высокоскоростную серию рельс
Как я понял по рисунку "шляпка" болта должна быть диаметром 6.15, а толщиной всего 1,2
Поискал на али не чего похожего не нашел. чем крепить эти рельсы ?
- Serg
- Мастер
- Сообщения: 21923
- Зарегистрирован: 17 апр 2012, 14:58
- Репутация: 5183
- Заслуга: c781c134843e0c1a3de9
- Настоящее имя: Сергей
- Откуда: Москва
- Контактная информация:
Re: Первый опыты по созданию CO2 станка | Новичок
Попробуй воспользоваться словарём получше, в котором переводы слов hat, cap, head имеют разные значения.Panomax писал(а):Как я понял по рисунку "шляпка" болта должна быть диаметром 6.15, а толщиной всего 1,2![]()
Я не Христос, рыбу не раздаю, но могу научить, как сделать удочку...
- Umnik
- Мастер
- Сообщения: 2563
- Зарегистрирован: 20 июл 2014, 19:32
- Репутация: 2153
- Настоящее имя: Георгий
- Откуда: Калуга
- Контактная информация:
Re: Первый опыты по созданию CO2 станка | Новичок
подозреваю, что речь идет не о головке винта, а о крышке-заглушке, закрывающей отверстие в рельсе...
-
Klimber0
- Опытный
- Сообщения: 111
- Зарегистрирован: 03 апр 2017, 17:12
- Репутация: 19
- Настоящее имя: Эдуард
- Контактная информация:
Re: Первый опыты по созданию CO2 станка | Новичок
Вот эти брал на 15 хевин 4*16Panomax писал(а):шляпка" болта должна быть диаметром 6.15, а толщиной всего 1,2
M4 серии 100 шт. нержавеющая сталь Шестигранная винты M4 * 4/5/6/8/10/ 12-30 мм цилиндрической головкой, кубок головкой
http://s.aliexpress.com/m26RVnaM?fromSns=Copy to Clipboard
И т гайки
500 шт. M3 M4 M5 M6 Молотки гайка Алюминий Разъем T крепежа гайки Никель углеродистая Сталь для 3030 алюминий профиль
http://s.aliexpress.com/MNBRrEf2?fromSns=Copy to Clipboard
- ilya37rus
- Мастер
- Сообщения: 509
- Зарегистрирован: 16 сен 2017, 23:19
- Репутация: 24
- Настоящее имя: Илья
- Контактная информация:
Re: Первый опыты по созданию CO2 станка | Новичок
брал такие же +- по длине, только брал в магазине крепеж, а гайки http://ivcnc.ru/index.php/kategorii/category/view/128