Проект 100W СО2 Лазерный раскройщик/гравер 1500x1200

Лазерные, плазменные станки, газо- и водорезки, плоттеры.
Аватара пользователя
shalek
Почётный участник
Почётный участник
Сообщения: 3023
Зарегистрирован: 25 авг 2014, 10:40
Репутация: 2583
Настоящее имя: Александр
Откуда: РБ Бобруйск
Контактная информация:

Re: Проект 100W СО2 Лазерный раскройщик/гравер 1500x1200

Сообщение shalek »

Dimager писал(а):Отсюда два провода к 220 в розетку, я правильно понял?
Отчаянный Вы товарищ! С такими познаниями хотите подружиться с электроникой?
А по выводам, то да! к ним.
Если ты не можешь решить проблему, значит это не твоя проблема!
Мой канал на YouTube: YouTube
ЧПУ "Бобр" 600x500 мм
shalek64@gmail.com
Аватара пользователя
Dimager
Почётный участник
Почётный участник
Сообщения: 270
Зарегистрирован: 23 ноя 2014, 02:05
Репутация: 66
Настоящее имя: Дмитрий
Контактная информация:

Re: Проект 100W СО2 Лазерный раскройщик/гравер 1500x1200

Сообщение Dimager »

shalek писал(а):Отчаянный Вы товарищ! С такими познаниями хотите подружиться с электроникой?
Спасибо, главное ярое желание есть.
aftaev
Зачётный участник
Зачётный участник
Сообщения: 34042
Зарегистрирован: 04 апр 2010, 19:22
Репутация: 6194
Откуда: Казахстан.
Контактная информация:

Re: Проект 100W СО2 Лазерный раскройщик/гравер 1500x1200

Сообщение aftaev »

Я думал речь уже по БП на 25000 в для лазера и как его подключить к контролеру китайскому, а ты про простой БП :hehehe:
Да туды 220в и загорится зеленый ламп.
Дилетанту сложные вещи кажутся очень простыми, и только профессионал понимает насколько сложна самая простая вещь
Кто хочет - ищет возможности, кто не хочет - ищет оправдание.
Найди работу по душе и тебе не придется работать.
Аватара пользователя
Dimager
Почётный участник
Почётный участник
Сообщения: 270
Зарегистрирован: 23 ноя 2014, 02:05
Репутация: 66
Настоящее имя: Дмитрий
Контактная информация:

Re: Проект 100W СО2 Лазерный раскройщик/гравер 1500x1200

Сообщение Dimager »

aftaev писал(а):а ты про простой БП
Согласен, смешно))) а от блока к контроллеру так?
Без имени-1.jpg (4107 просмотров) <a class='original' href='./download/file.php?id=39581&mode=view' target=_blank>Загрузить оригинал (596.78 КБ)</a>
Аватара пользователя
shalek
Почётный участник
Почётный участник
Сообщения: 3023
Зарегистрирован: 25 авг 2014, 10:40
Репутация: 2583
Настоящее имя: Александр
Откуда: РБ Бобруйск
Контактная информация:

Re: Проект 100W СО2 Лазерный раскройщик/гравер 1500x1200

Сообщение shalek »

Dimager писал(а):Согласен, смешно))) а от блока к контроллеру так?
Уважаемый! Вы нам сразу все покажите, а то не в терпеж. Некоторые вроде меня пошагово не понимают. Давай уж сразу все.
Если ты не можешь решить проблему, значит это не твоя проблема!
Мой канал на YouTube: YouTube
ЧПУ "Бобр" 600x500 мм
shalek64@gmail.com
aftaev
Зачётный участник
Зачётный участник
Сообщения: 34042
Зарегистрирован: 04 апр 2010, 19:22
Репутация: 6194
Откуда: Казахстан.
Контактная информация:

Re: Проект 100W СО2 Лазерный раскройщик/гравер 1500x1200

Сообщение aftaev »

Dimager писал(а):Согласен, смешно))) а от блока к контроллеру так?
будет новогодний салют ;)
Дилетанту сложные вещи кажутся очень простыми, и только профессионал понимает насколько сложна самая простая вещь
Кто хочет - ищет возможности, кто не хочет - ищет оправдание.
Найди работу по душе и тебе не придется работать.
Аватара пользователя
Dimager
Почётный участник
Почётный участник
Сообщения: 270
Зарегистрирован: 23 ноя 2014, 02:05
Репутация: 66
Настоящее имя: Дмитрий
Контактная информация:

Re: Проект 100W СО2 Лазерный раскройщик/гравер 1500x1200

Сообщение Dimager »

aftaev писал(а):будет новогодний салют
А как сделать, чтоб без салютов?)
aftaev
Зачётный участник
Зачётный участник
Сообщения: 34042
Зарегистрирован: 04 апр 2010, 19:22
Репутация: 6194
Откуда: Казахстан.
Контактная информация:

Re: Проект 100W СО2 Лазерный раскройщик/гравер 1500x1200

Сообщение aftaev »

Dimager писал(а):А как без салютов?)
То куды CN0 ты собрался сунуть + 24в это выход питания +5в для питания экрана. А питание на контроллер подается CN1

А чтобы не было салюта нужно читать мануал
RDCAM 6.0 Rukovodstvo polzovatelya.pdf
(2.09 МБ) 2577 скачиваний
Users Manual of RDC6332G Control System.pdf
(2.11 МБ) 4542 скачивания
Дилетанту сложные вещи кажутся очень простыми, и только профессионал понимает насколько сложна самая простая вещь
Кто хочет - ищет возможности, кто не хочет - ищет оправдание.
Найди работу по душе и тебе не придется работать.
Аватара пользователя
Dimager
Почётный участник
Почётный участник
Сообщения: 270
Зарегистрирован: 23 ноя 2014, 02:05
Репутация: 66
Настоящее имя: Дмитрий
Контактная информация:

Re: Проект 100W СО2 Лазерный раскройщик/гравер 1500x1200

Сообщение Dimager »

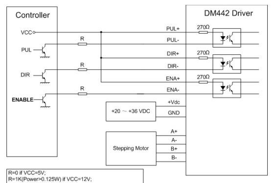
Доброго времени суток. Наконец прилетели мне драйвера, и опять вынужден обратиться к Вам за помощью. Хочу подключить драйвера(leadshine DM442) к контроллеру(RDC6332G). Прочитав мануалы, вроде кое-что понятно, но в тоже время глубокие сомнения ибо я в этом не силен.
В чем принципиальная разница этих схем и какую выбрать?
Без названия.jpg (4009 просмотров) <a class='original' href='./download/file.php?id=40200&mode=view' target=_blank>Загрузить оригинал (110.06 КБ)</a>
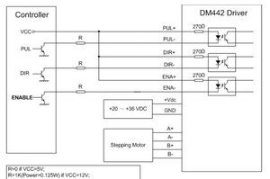
Если не сложно можете на картинке наглядно показать что куда и как соединить, буду очень признателен.
uNDmQZW9yr8.jpg (4009 просмотров) <a class='original' href='./download/file.php?id=40203&mode=view' target=_blank>Загрузить оригинал (446.69 КБ)</a>
yCCuNSkqf0M.jpg (4009 просмотров) <a class='original' href='./download/file.php?id=40204&mode=view' target=_blank>Загрузить оригинал (130.18 КБ)</a>
Аватара пользователя
Serg
Мастер
Сообщения: 21923
Зарегистрирован: 17 апр 2012, 14:58
Репутация: 5183
Заслуга: c781c134843e0c1a3de9
Настоящее имя: Сергей
Откуда: Москва
Контактная информация:

Re: Проект 100W СО2 Лазерный раскройщик/гравер 1500x1200

Сообщение Serg »

Dimager писал(а):В чем принципиальная разница этих схем и какую выбрать?
Разницы нет.
Соединять одноимённые клеммы.
1.jpg (3999 просмотров) <a class='original' href='./download/file.php?id=40206&mode=view' target=_blank>Загрузить оригинал (85.44 КБ)</a>
Я не Христос, рыбу не раздаю, но могу научить, как сделать удочку...
Аватара пользователя
Dimager
Почётный участник
Почётный участник
Сообщения: 270
Зарегистрирован: 23 ноя 2014, 02:05
Репутация: 66
Настоящее имя: Дмитрий
Контактная информация:

Re: Проект 100W СО2 Лазерный раскройщик/гравер 1500x1200

Сообщение Dimager »

Резисторы мне не нужны получается?
Аватара пользователя
Serg
Мастер
Сообщения: 21923
Зарегистрирован: 17 апр 2012, 14:58
Репутация: 5183
Заслуга: c781c134843e0c1a3de9
Настоящее имя: Сергей
Откуда: Москва
Контактная информация:

Re: Проект 100W СО2 Лазерный раскройщик/гравер 1500x1200

Сообщение Serg »

Да, нужен только тот, что на Alarm (если будешь подключать)
Я не Христос, рыбу не раздаю, но могу научить, как сделать удочку...
Аватара пользователя
Dimager
Почётный участник
Почётный участник
Сообщения: 270
Зарегистрирован: 23 ноя 2014, 02:05
Репутация: 66
Настоящее имя: Дмитрий
Контактная информация:

Re: Проект 100W СО2 Лазерный раскройщик/гравер 1500x1200

Сообщение Dimager »

Так получается?
uNDmQZW9yr81.jpg (3953 просмотра) <a class='original' href='./download/file.php?id=40234&mode=view' target=_blank>Загрузить оригинал (497.41 КБ)</a>
aftaev
Зачётный участник
Зачётный участник
Сообщения: 34042
Зарегистрирован: 04 апр 2010, 19:22
Репутация: 6194
Откуда: Казахстан.
Контактная информация:

Re: Проект 100W СО2 Лазерный раскройщик/гравер 1500x1200

Сообщение aftaev »

Dimager писал(а):Так получается?
Крутиться не будет. ENA вообще подключать не нужно. Те проводки обозначенные ? подключать не надо вообще ;)
Дилетанту сложные вещи кажутся очень простыми, и только профессионал понимает насколько сложна самая простая вещь
Кто хочет - ищет возможности, кто не хочет - ищет оправдание.
Найди работу по душе и тебе не придется работать.
Аватара пользователя
Serg
Мастер
Сообщения: 21923
Зарегистрирован: 17 апр 2012, 14:58
Репутация: 5183
Заслуга: c781c134843e0c1a3de9
Настоящее имя: Сергей
Откуда: Москва
Контактная информация:

Re: Проект 100W СО2 Лазерный раскройщик/гравер 1500x1200

Сообщение Serg »

ENA либо оставть неподключённым, либо (лучше) соединить паралельно и на какой-нибудь свободный OutN, соотв. образом его настроив.
Я не Христос, рыбу не раздаю, но могу научить, как сделать удочку...
Pahan
Мастер
Сообщения: 242
Зарегистрирован: 06 ноя 2013, 18:30
Репутация: 14
Откуда: Армавир
Контактная информация:

Re: Проект 100W СО2 Лазерный раскройщик/гравер 1500x1200

Сообщение Pahan »

Dimager писал(а):Так получается?
uNDmQZW9yr81.jpg
Можно подключить двумя разными способами.
В обоих подключениях используется только три провода.

1 способ.
Pul+ Pul+
Dir+ Dir+
Ena- GND

2 способ.
Pul- Pul-
Dir- Dir-
Ena+ +5V

Так и так будет работать.
____________________________________________________________________________________
Спорить с дураком - всё равно,что играть в шахматы с голубем.
Он раскидает все фигуры, насрёт на доску и улетит рассказывать всем, как он тебя уделал...
Аватара пользователя
Serg
Мастер
Сообщения: 21923
Зарегистрирован: 17 апр 2012, 14:58
Репутация: 5183
Заслуга: c781c134843e0c1a3de9
Настоящее имя: Сергей
Откуда: Москва
Контактная информация:

Re: Проект 100W СО2 Лазерный раскройщик/гравер 1500x1200

Сообщение Serg »

Ни так и ни так работать не будет.
Если б графически изобразили, то наверно и сами б поняли почему...
Я не Христос, рыбу не раздаю, но могу научить, как сделать удочку...
aftaev
Зачётный участник
Зачётный участник
Сообщения: 34042
Зарегистрирован: 04 апр 2010, 19:22
Репутация: 6194
Откуда: Казахстан.
Контактная информация:

Re: Проект 100W СО2 Лазерный раскройщик/гравер 1500x1200

Сообщение aftaev »

ENA - это Enable. если их "включить" драйвер не будет работать. ENA - нужно оставить не подключенным
UAVpilot писал(а):либо (лучше) соединить паралельно и на какой-нибудь свободный OutN, соотв. образом его настроив.
там I/O в притык на определеный лазерный гравер рассчитан (3,4 оси) и особо не на конфигурируешься :)
Дилетанту сложные вещи кажутся очень простыми, и только профессионал понимает насколько сложна самая простая вещь
Кто хочет - ищет возможности, кто не хочет - ищет оправдание.
Найди работу по душе и тебе не придется работать.
Pahan
Мастер
Сообщения: 242
Зарегистрирован: 06 ноя 2013, 18:30
Репутация: 14
Откуда: Армавир
Контактная информация:

Re: Проект 100W СО2 Лазерный раскройщик/гравер 1500x1200

Сообщение Pahan »

вот
Вложения
111.JPG (3900 просмотров) <a class='original' href='./download/file.php?id=40258&mode=view' target=_blank>Загрузить оригинал (32.98 КБ)</a>
____________________________________________________________________________________
Спорить с дураком - всё равно,что играть в шахматы с голубем.
Он раскидает все фигуры, насрёт на доску и улетит рассказывать всем, как он тебя уделал...
Аватара пользователя
Dimager
Почётный участник
Почётный участник
Сообщения: 270
Зарегистрирован: 23 ноя 2014, 02:05
Репутация: 66
Настоящее имя: Дмитрий
Контактная информация:

Re: Проект 100W СО2 Лазерный раскройщик/гравер 1500x1200

Сообщение Dimager »

Подключил :
PUL+.......PUL+
PUL-....... PUL-
DIR+........DIR+
DIR-.........DIR-
В ручном режиме двигатель крутится... :D
Ответить

Вернуться в «Лазерные, плазменные и другие раскроечные станки»