Фрезерный станок фанерный с рабочим полем 1900х800

Фрезерные и гравировальные станки для обработки мягких материалов (дерево, пластики, мягкие металлы).
Аватара пользователя
ksawer
Кандидат
Сообщения: 73
Зарегистрирован: 24 окт 2018, 11:05
Репутация: 0
Контактная информация:

Re: Фрезерный станок фанерный с рабочим полем 1900х800

Сообщение ksawer »

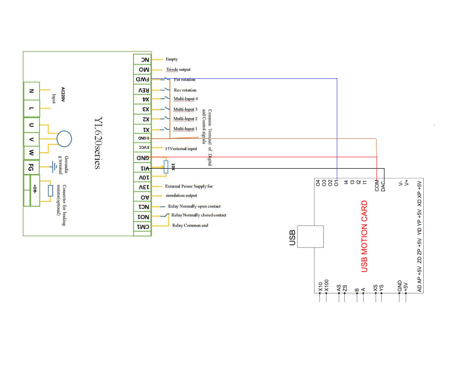
как я понял никто не сталкивался с частонтником YL620?

инструкция к нему в электронном виде прикрепил.
Инструкцию брал тут.

Пробежался в частотнике по настройкам, вроде бы все настроено и имеют настройки уже с завода.
Но есть и отличия в некоторых параметрах от завода и от инструкции.
P00.06 VF:Highest output Voltage : установлено 100.0% в инструкции стоит 140%
P00.10 VF:Min Voltage 0%-100.0% в инструкции 5%
Поставить как в инструкции или оставить как установил китаец?
Пытался сравнить настройки по другим частотникам, но таких параметров я там не нашел или плохо искал. :thinking:
Схема подключения вроде такая...
yl620.png (4808 просмотров) <a class='original' href='./download/file.php?id=155675&mode=view' target=_blank>Загрузить оригинал (168.21 КБ)</a>
с GND или xGND - тут нужно будет по эксперементировать.
В частотнике нужно выставить
P00.01 Start / stop command source значение 1
P12.00 Rated Motor Current нужно установить ток шпинделя в моем случае это 8.5А
Как протестирую сообщу

>>>>>>>>>>>СИСТЕМА ОХЛАЖДЕНИЯ<<<<<<<<<<<
Вот нашел какую систему буду делать.
По отзывам с других форумов летом температура выше 45 не поднималась.
у меня быдет установлен еще и вентилятор на 220 чтобы на верняка

PS чтобы тему не зафлудить буду редактировать свои сообщения (по мере поступления информации)
PPS Если это ответ на вопрос - он редактироваться не будет.
Вложения
YL620-A.pdf
(834.09 КБ) 1242 скачивания
IMG_20141006_181741.jpg (4828 просмотров) <a class='original' href='./download/file.php?id=155655&mode=view' target=_blank>Загрузить оригинал (49.4 КБ)</a>
Последний раз редактировалось ksawer 28 янв 2019, 23:53, всего редактировалось 1 раз.
Аватара пользователя
Taganrog
Мастер
Сообщения: 1238
Зарегистрирован: 15 апр 2015, 16:32
Репутация: 284
Настоящее имя: Евгений
Откуда: Брянск
Контактная информация:

Re: Фрезерный станок фанерный с рабочим полем 1900х800

Сообщение Taganrog »

ksawer писал(а):Вот нашел какую систему буду делать.
Посоветовал бы заменить авто радиатор на радиатор от компового охлаждения водяного. Ценник чутка дороже, но продувается сильно проще и как результат гораздо эффективнее получается. Печные радиаторы имеют сильно мелкую ячейку которая забивается всякой стружкой и вообще перестает вменяемо охлаждать.
Аватара пользователя
ksawer
Кандидат
Сообщения: 73
Зарегистрирован: 24 окт 2018, 11:05
Репутация: 0
Контактная информация:

Re: Фрезерный станок фанерный с рабочим полем 1900х800

Сообщение ksawer »

сегодня пустил первую стружку.
Фрезу кукуруза 1.5мм - сломал при заглублении в 3мм.
При гравировке с заглублением в 1.5мм было все хорошо.
Шпинделем управлял с ЧП.
Ставил частату 300, что равняется 18000 оборотам.

PS кто и где в Питере(можно и Регионы только чтобы цена не кусачая т.к. будет доставка :) ) продает фрезы не сильно дорогие??? Чтобы понять какие нужны? пока планирую раскрой и гравировка, 3Д будет но не сейчас
Вложения
790HKEUhIC8.jpg (4747 просмотров) <a class='original' href='./download/file.php?id=155709&mode=view' target=_blank>Загрузить оригинал (255.25 КБ)</a>
akzOZUeW0is.jpg (4743 просмотра) <a class='original' href='./download/file.php?id=155710&mode=view' target=_blank>Загрузить оригинал (327.41 КБ)</a>
Аватара пользователя
Skydiving
Кандидат
Сообщения: 49
Зарегистрирован: 08 ноя 2018, 16:15
Репутация: 3
Откуда: Башкортостан г.Мелеуз
Контактная информация:

Re: Фрезерный станок фанерный с рабочим полем 1900х800

Сообщение Skydiving »

ksawer писал(а):сегодня пустил первую стружку.
А сам станок покажете?
Аватара пользователя
ksawer
Кандидат
Сообщения: 73
Зарегистрирован: 24 окт 2018, 11:05
Репутация: 0
Контактная информация:

Re: Фрезерный станок фанерный с рабочим полем 1900х800

Сообщение ksawer »

Skydiving писал(а):
ksawer писал(а):сегодня пустил первую стружку.
А сам станок покажете?
на предыдушей странице.
Новых фото пока не делал.

>>>>>>>>>>>>>> Станок <<<<<<<<<<<<<<<<
Буду заказывать вот такую фрезу https://freza.club/frezy/djtol-n1lxd3.12/
Фреза кукуруза не понравилась тем что делала много мелкой пыли
NikolayUa24
Мастер
Сообщения: 1407
Зарегистрирован: 31 июл 2013, 20:05
Репутация: 256
Настоящее имя: Николай
Контактная информация:

Re: Фрезерный станок фанерный с рабочим полем 1900х800

Сообщение NikolayUa24 »

ksawer писал(а):СИСТЕМА ОХЛАЖДЕНИЯ
помпа с коллекторным движком это не очень хорошо
Страдания ведут человека к совершенству.
Аватара пользователя
slavyan75
Мастер
Сообщения: 307
Зарегистрирован: 16 авг 2016, 17:51
Репутация: 31
Настоящее имя: Вячеслав
Откуда: Tilsit
Контактная информация:

Re: Фрезерный станок фанерный с рабочим полем 1900х800

Сообщение slavyan75 »

ksawer писал(а):кто и где в Питере
https://radiokot.ru/forum/viewtopic.php ... &start=100
не верьте никому, уж мне то вы можете поверить...
Аватара пользователя
ksawer
Кандидат
Сообщения: 73
Зарегистрирован: 24 окт 2018, 11:05
Репутация: 0
Контактная информация:

Re: Фрезерный станок фанерный с рабочим полем 1900х800

Сообщение ksawer »

NikolayUa24 писал(а):
ksawer писал(а):СИСТЕМА ОХЛАЖДЕНИЯ
помпа с коллекторным движком это не очень хорошо
планирую ставить насос от стиральной машины.
Сейчас на первое время будет погружной в ведре))
Аватара пользователя
ksawer
Кандидат
Сообщения: 73
Зарегистрирован: 24 окт 2018, 11:05
Репутация: 0
Контактная информация:

Re: Фрезерный станок фанерный с рабочим полем 1900х800

Сообщение ksawer »

slavyan75 писал(а):
ksawer писал(а):кто и где в Питере
https://radiokot.ru/forum/viewtopic.php ... &start=100
Спасибо за контакт.
Купил у него "кукурузы" ф2,2,5 и3мм
Бонусом достались еще БУ фрезы кукуруза для тренировок.
Аватара пользователя
ksawer
Кандидат
Сообщения: 73
Зарегистрирован: 24 окт 2018, 11:05
Репутация: 0
Контактная информация:

Re: Фрезерный станок фанерный с рабочим полем 1900х800

Сообщение ksawer »

сегодня резал фанеру 8мм, для эксперимента фрезой 2мм.
Сделал звезду в 3 прохода и решил еще порпробовать сделать окошко и в это окошко встаялять другую деталь.
И забыл указать что у меня 3 прохода для фрезы 2мм. И он на всю глубину 8мм за один проход.
Обороты выставлял примерно 24000
Фреза осталась целой.
Прошлая фреза сломалась из-за плохо затянутой гайки на ШВП.
Буду предеживаться правила за проход не более диамметра фрезы.
Аватара пользователя
hmnijp
Мастер
Сообщения: 1754
Зарегистрирован: 20 авг 2017, 15:02
Репутация: 542
Настоящее имя: Константин
Откуда: Ульяновск
Контактная информация:

Re: Фрезерный станок фанерный с рабочим полем 1900х800

Сообщение hmnijp »

ksawer писал(а):сегодня резал фанеру 8мм, для эксперимента фрезой 2мм.
Сделал звезду в 3 прохода и решил еще порпробовать сделать окошко и в это окошко встаялять другую деталь.
И забыл указать что у меня 3 прохода для фрезы 2мм. И он на всю глубину 8мм за один проход.
Обороты выставлял примерно 24000
Фреза осталась целой.
Прошлая фреза сломалась из-за плохо затянутой гайки на ШВП.
Буду предеживаться правила за проход не более диамметра фрезы.
Для фанерки слишком легкие режимы это. 2мм спиральными(вверх или вниз) 6мм фанерку за проход легко справляются, рез встречный, подача 1-1.5м/мин в зависимости от свежести фрезы.
Аватара пользователя
ksawer
Кандидат
Сообщения: 73
Зарегистрирован: 24 окт 2018, 11:05
Репутация: 0
Контактная информация:

Re: Фрезерный станок фанерный с рабочим полем 1900х800

Сообщение ksawer »

спасибо. Действительно новерное я не так прочитал)
можно спокойно резать 8мм за раз с подачей от 1000 до 1500.
Аватара пользователя
ksawer
Кандидат
Сообщения: 73
Зарегистрирован: 24 окт 2018, 11:05
Репутация: 0
Контактная информация:

Re: Фрезерный станок фанерный с рабочим полем 1900х800

Сообщение ksawer »

недавно купил фрезы, граверные и конусо-сфирические.
но так и не понял каак их добавить в Vectric Aspire ???
сегодня подправил граверную на свои данные 15 градусов 0,2мм - так кончик обламился(( фреза 130р несильно расстроился, но хочется сделать все правильно.
есть еще вот такие:
https://freza.club/frezy/djtol-nl2qx6.30.1/
https://freza.club/frezy/djtol-nl2qx6.30.2/
Помогите их доавбить в базу нструмента
Аватара пользователя
ksawer
Кандидат
Сообщения: 73
Зарегистрирован: 24 окт 2018, 11:05
Репутация: 0
Контактная информация:

Re: Фрезерный станок фанерный с рабочим полем 1900х800

Сообщение ksawer »

Все разобрался...
Сделал сегодня гравировку конусным гравером 15гр. 0,2 площадка.
Сделал шаг больше, максимально возможный 1\16, а то на прямых дистанциях ускорялся))
Сейчас плавно и стабильно.

Вырезал кукурузой2мм фанера 8мм за проход подача 1500
Вложения
6ligMvAZ39I.jpg (4112 просмотров) <a class='original' href='./download/file.php?id=158068&mode=view' target=_blank>Загрузить оригинал (96.49 КБ)</a>
kS8oOEPk2ic.jpg (4112 просмотров) <a class='original' href='./download/file.php?id=158069&mode=view' target=_blank>Загрузить оригинал (298.99 КБ)</a>
Ответить

Вернуться в «Фрезерные станки по дереву и пластикам, гравировальные станки, роутеры»