6Т80Ш + ЧПУ

Тяжелые фрезерные станки по металлу.
Vitalii
Опытный
Сообщения: 164
Зарегистрирован: 08 янв 2017, 05:18
Репутация: 77
Настоящее имя: Vitaliy
Откуда: Россия, Ульяновск
Контактная информация:

Re: 6Т80Ш + ЧПУ

Сообщение Vitalii »

1. Отмывка
Было -> Cтало (фото для привлечения внимания):
Отмыть_1.jpg (7630 просмотров) <a class='original' href='./download/file.php?id=167087&mode=view' target=_blank>Загрузить оригинал (3.9 МБ)</a>
Отмыть_2.jpg (7630 просмотров) <a class='original' href='./download/file.php?id=167088&mode=view' target=_blank>Загрузить оригинал (4.01 МБ)</a>
Отмывал
- Минимойки Karcher
- Средство для очистки двигателя с распылителем
- Пробовал концентрат, который используют на автомойках - не понравился воняет сильно и не моет.

Снимал краску по методу aftaev Re: Восстановление токарного 16К20Т1 ЧПУ #428
aftaev писал(а):Мочим 646 растворителем трапоШку и "приклеиваем".
Далее немножко шпатлевки, но не сильно усердствовал, дальше обезжиривание и покраска.

Из консоли все на выкид.
Vitalii
Опытный
Сообщения: 164
Зарегистрирован: 08 янв 2017, 05:18
Репутация: 77
Настоящее имя: Vitaliy
Откуда: Россия, Ульяновск
Контактная информация:

Re: 6Т80Ш + ЧПУ

Сообщение Vitalii »

2. Покраска

Красил Tikkurila Temacoat RM 40 / Тиккурила Темакоут РМ 40
Покрасить.jpg (7628 просмотров) <a class='original' href='./download/file.php?id=167089&mode=view' target=_blank>Загрузить оригинал (3.91 МБ)</a>
Обычный краскопульт дюза 1.8 разбавлял, кажется 20% разбавитель 1031, как в паспорте.
Красил в первый раз в жизни, ничего сверхсложного нет.
Краска очень долго затвердевала, но результатом доволен (хотя и не с чем сравнивать).
Она немного эластичная но при этом хорошо держится.

Укутал, скотч и пленка:
Покрасить 1.jpg (7628 просмотров) <a class='original' href='./download/file.php?id=167090&mode=view' target=_blank>Загрузить оригинал (4.64 МБ)</a>
Покрасить 2.jpg (7628 просмотров) <a class='original' href='./download/file.php?id=167091&mode=view' target=_blank>Загрузить оригинал (3.61 МБ)</a>
Дальше краскопульт:
Покрасить 3.jpg (7628 просмотров) <a class='original' href='./download/file.php?id=167092&mode=view' target=_blank>Загрузить оригинал (4.44 МБ)</a>
Покрасить 4.jpg (7628 просмотров) <a class='original' href='./download/file.php?id=167093&mode=view' target=_blank>Загрузить оригинал (3.8 МБ)</a>
Vitalii
Опытный
Сообщения: 164
Зарегистрирован: 08 янв 2017, 05:18
Репутация: 77
Настоящее имя: Vitaliy
Откуда: Россия, Ульяновск
Контактная информация:

Re: 6Т80Ш + ЧПУ

Сообщение Vitalii »

3. Ось Z (1)

Диаметр стакана в который вставляется гайка трапецеидального винта не достаточен для закрепления гайки ШВП, пришлось делать бандаж.
Бандаж запрессован на Loctite 648 прессом с приличным усилием.
Бандаж-модель.png (7535 просмотров) <a class='original' href='./download/file.php?id=167163&mode=view' target=_blank>Загрузить оригинал (36.33 КБ)</a>
Бандаж.jpg (7535 просмотров) <a class='original' href='./download/file.php?id=167164&mode=view' target=_blank>Загрузить оригинал (1.81 МБ)</a>
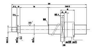
Сам винт ШВП заказан по образу и подобию родного винта
ШВП Z.png (7535 просмотров) <a class='original' href='./download/file.php?id=167165&mode=view' target=_blank>Загрузить оригинал (34.91 КБ)</a>
На винте сделана шпонка, одет шкив для ремня: ширина 25 профиль HTD5, 60 зубов.
Шпона Z.jpg (7535 просмотров) <a class='original' href='./download/file.php?id=167168&mode=view' target=_blank>Загрузить оригинал (4.03 МБ)</a>
Шкив шпонка Z.jpg (7535 просмотров) <a class='original' href='./download/file.php?id=167167&mode=view' target=_blank>Загрузить оригинал (4.44 МБ)</a>
Шкив на Z.jpg (7535 просмотров) <a class='original' href='./download/file.php?id=167166&mode=view' target=_blank>Загрузить оригинал (4.22 МБ)</a>
Шпонка 6мм, делал фрезой 5 мм в разбивку, мерил КМДшками.
Расточку шкивов и шпоночный паз делали на стороне и по мне так расточили плохо (одевается без заметно люфта но от руки), поэтому шкив дополнительно посадил на Loctite 648.
Vitalii
Опытный
Сообщения: 164
Зарегистрирован: 08 янв 2017, 05:18
Репутация: 77
Настоящее имя: Vitaliy
Откуда: Россия, Ульяновск
Контактная информация:

Re: 6Т80Ш + ЧПУ

Сообщение Vitalii »

3. Ось Z (2)

Привод винта оси Z сделан ременной передачей 24 : 60 (отношение 2.5), хотел сразу 3 но место ограничено.
Огромное спасибо калькулятору который есть в вики нашего форума в разделе Механика
Он позволил мне корректно выбрать длину ремня.

Мне очень хотелось уместить серводвигатель внутри консоли, но Delta, которую рекомендовал aftaev с тормозом уже не лезла по длине, к счастью на барахолке подвернулась Yaskawa SGMGV13D длина с тормозом всего 189мм, обороты 1500, момент 8.34 N*m
Идею иллюстрирует следующая модель:
Модель-1.png (7520 просмотров) <a class='original' href='./download/file.php?id=167169&mode=view' target=_blank>Загрузить оригинал (52 КБ)</a>
Но даже для этого двигателя пришлось вырезать кусочек консоли, чтобы влез энкодер:
Вырез.jpg (7520 просмотров) <a class='original' href='./download/file.php?id=167170&mode=view' target=_blank>Загрузить оригинал (3.85 МБ)</a>
кусок чугуна.jpg (7520 просмотров) <a class='original' href='./download/file.php?id=167171&mode=view' target=_blank>Загрузить оригинал (1.15 МБ)</a>
Вырез сделан методом сверления через один, который подсмотрел в видео aegis
На следующем фото тоже будет виден этот вырез.
IMG_20190407_160728.jpg (7520 просмотров) <a class='original' href='./download/file.php?id=167173&mode=view' target=_blank>Загрузить оригинал (3.84 МБ)</a>
Дальше ничего сложного, просто немного металла 14 мм. Сборка на болтах, сразу хотел обварить, но к счастью выбрал болтовое соединение.
Потом во время примерок выявились неточности, и как же я был рад что конструкцию просто можно разобрать.
IMG_20190407_160719.jpg (7520 просмотров) <a class='original' href='./download/file.php?id=167172&mode=view' target=_blank>Загрузить оригинал (3.87 МБ)</a>
IMG_20190721_132132.jpg (7520 просмотров) <a class='original' href='./download/file.php?id=167175&mode=view' target=_blank>Загрузить оригинал (3.47 МБ)</a>
IMG_20190407_161231.jpg (7520 просмотров) <a class='original' href='./download/file.php?id=167174&mode=view' target=_blank>Загрузить оригинал (3.88 МБ)</a>
В верхней плите на которой закреплен двигатель, сделаны пазы, чтобы натягивать ремень. Все получилось на мой взгляд очень удачно.
Сейчас бы добавил два болта, чтобы можно было тянуть верхнюю плиту для плавной/точной натяжки ремня, возможно не поленюсь и добавлю.
Nikomas
Мастер
Сообщения: 721
Зарегистрирован: 07 янв 2012, 14:31
Репутация: 64
Откуда: Беларусь
Контактная информация:

Re: 6Т80Ш + ЧПУ

Сообщение Nikomas »

Я так понимаю ручного управления осями у вас не предусмотрено?
Vitalii
Опытный
Сообщения: 164
Зарегистрирован: 08 янв 2017, 05:18
Репутация: 77
Настоящее имя: Vitaliy
Откуда: Россия, Ульяновск
Контактная информация:

Re: 6Т80Ш + ЧПУ

Сообщение Vitalii »

Нет, не предусмотрено. Изначально думал сделать "эмуляцию" ручного управления с помощью генераторов импульсов, но сейчас у меня есть ручной фрезерный станок и необходимость в этом отпала.
Adskiydart
Опытный
Сообщения: 145
Зарегистрирован: 30 сен 2016, 19:23
Репутация: 14
Контактная информация:

Re: 6Т80Ш + ЧПУ

Сообщение Adskiydart »

Чем управляться будет? Мач3? )
Vitalii
Опытный
Сообщения: 164
Зарегистрирован: 08 янв 2017, 05:18
Репутация: 77
Настоящее имя: Vitaliy
Откуда: Россия, Ульяновск
Контактная информация:

Re: 6Т80Ш + ЧПУ

Сообщение Vitalii »

Управляться будет Mach3+SmoothStepper.
- Пока не дружу с Linux вообще, поэтому рассматривал только Windows решения.
- С Mach3 немного знаком, у меня есть китайский станок 4060 в котором Mach3 и USB плата.
- Мне кажется что LPT и сервоприводы это не правильно, поэтому SmoothStepper.

Сейчас как раз думаю как подключать сервоприводы Delta ASD A2 к плате опторазвязки DXB55. Если кто даст совет, буду очень благодарен.
Пока остановился на необходимости линейных драйверов на Am26ls31 в замен DXB55.
aftaev
Зачётный участник
Зачётный участник
Сообщения: 34042
Зарегистрирован: 04 апр 2010, 19:22
Репутация: 6194
Откуда: Казахстан.
Контактная информация:

Re: 6Т80Ш + ЧПУ

Сообщение aftaev »

Vitalii писал(а):Мне очень хотелось уместить серводвигатель внутри консоли, но Delta, которую рекомендовал aftaev с тормозом уже не лезла по длине
Тормоз думаю не обязателен был:
Нужно делать противовес консоли.
Когда сервомотор(без тормоза) подключен к драйву, даже в выключенном состоянии, если вращать вал мотора он будет сопротивляться. Когда работаем на 6т80ш в ручном режиме, мотор отключаем от драйва. Иначе тяжковато крутить руками.
Vitalii писал(а):- Пока не дружу с Linux вообще, поэтому рассматривал только Windows решения.
Скачать LiveCD. Перезагрузить комп, стартануть с CD. Запустится Linux без установки. Посмотреть, пощупать.
Vitalii писал(а):- Мне кажется что LPT и сервоприводы это не правильно, поэтому SmoothStepper.
Мне кажется SmoothStepper на этом станке излишество. Это из опыта работы. Гонять на больших скоростях оси все равно не получится. Вначале была макс. скорость осей что то 5-7м/мин. Сейчас на 6т80ш ограничили до 1,5м/мин.
Дилетанту сложные вещи кажутся очень простыми, и только профессионал понимает насколько сложна самая простая вещь
Кто хочет - ищет возможности, кто не хочет - ищет оправдание.
Найди работу по душе и тебе не придется работать.
aftaev
Зачётный участник
Зачётный участник
Сообщения: 34042
Зарегистрирован: 04 апр 2010, 19:22
Репутация: 6194
Откуда: Казахстан.
Контактная информация:

Re: 6Т80Ш + ЧПУ

Сообщение aftaev »

Vitalii писал(а):Диаметр стакана в который вставляется гайка трапецеидального винта не достаточен для закрепления гайки ШВП, пришлось делать бандаж.
Бандаж запрессован на Loctite 648 прессом с приличным усилием.
Этот стакан нужно сделать герметичным, чтобы залить масло. Винт ШВП будет "макаться" в масло и смазывать гайку ;)
Дилетанту сложные вещи кажутся очень простыми, и только профессионал понимает насколько сложна самая простая вещь
Кто хочет - ищет возможности, кто не хочет - ищет оправдание.
Найди работу по душе и тебе не придется работать.
Vitalii
Опытный
Сообщения: 164
Зарегистрирован: 08 янв 2017, 05:18
Репутация: 77
Настоящее имя: Vitaliy
Откуда: Россия, Ульяновск
Контактная информация:

Re: 6Т80Ш + ЧПУ

Сообщение Vitalii »

aftaev писал(а):Тормоз думаю не обязателен был
У меня консоль сползает если не держать ШВП за шкив, так что тормоз не зря.
aftaev писал(а):Нужно делать противовес консоли.
Увеличивать подвижную массу... не знаю, по мне, уж лучше пневморазгрузку.
Если честно, боялся что момента на серве не хватит и планировал городить пневморазгрузку, но тут на днях не удержался и погонял ось Z "на коленке" (без электрошкафа). Ездил медленно но серва показала 23-27% загрузки. Накинул на стол 100кг, стала показывать 33-35%.
aftaev писал(а):Скачать LiveCD. Перезагрузить комп, стартануть с CD. Запустится Linux без установки. Посмотреть, пощупать.
Спасибо за рекомендацию. Буду пробовать после запуска станка.
aftaev писал(а):Мне кажется SmoothStepper на этом станке излишество. Это из опыта работы.
Знаю ваше мнение по этому поводу. Имел неприятности с глюками маленького станка.
Это ясно, что можно и на LPT хорошо работать, ваш опыт тому доказательство.
Но хотелось получить более высокую стабильность, надеюсь хоть частично мне в этом поможет SmoothStepper, +количество входов и выходов с запасом.
aftaev
Зачётный участник
Зачётный участник
Сообщения: 34042
Зарегистрирован: 04 апр 2010, 19:22
Репутация: 6194
Откуда: Казахстан.
Контактная информация:

Re: 6Т80Ш + ЧПУ

Сообщение aftaev »

Vitalii писал(а):У меня консоль сползает если не держать ШВП за шкив, так что тормоз не зря
Потому как нет противовеса.
Vitalii писал(а):Увеличивать подвижную массу... не знаю, по мне, уж лучше пневморазгрузку.
ВСО обработка этому станку не светит ;)
Дилетанту сложные вещи кажутся очень простыми, и только профессионал понимает насколько сложна самая простая вещь
Кто хочет - ищет возможности, кто не хочет - ищет оправдание.
Найди работу по душе и тебе не придется работать.
Ответить

Вернуться в «Фрезерные станки по металлам»