SIEG KX3S фрезер 300х120х270
-
aftaev
- Зачётный участник

- Сообщения: 34042
- Зарегистрирован: 04 апр 2010, 19:22
- Репутация: 6194
- Откуда: Казахстан.
- Контактная информация:
Re: SIEG KX3S фрезер 300х120х270
Какая прикольная у китайцев ЧПУ программа 
Дилетанту сложные вещи кажутся очень простыми, и только профессионал понимает насколько сложна самая простая вещь
Кто хочет - ищет возможности, кто не хочет - ищет оправдание.
Найди работу по душе и тебе не придется работать.
Кто хочет - ищет возможности, кто не хочет - ищет оправдание.
Найди работу по душе и тебе не придется работать.
- Nick
- Мастер
- Сообщения: 22776
- Зарегистрирован: 23 ноя 2009, 16:45
- Репутация: 1735
- Заслуга: Developer
- Откуда: Gatchina, Saint-Petersburg distr., Russia
- Контактная информация:
Re: SIEG KX3S фрезер 300х120х270
Вернемся к вопросу:
На одном разъеме драйвера шпинделя естьпровода Sa Sb Sc +5v Gnd. На фазах появляется сигнал со сдвигом по 1 такту на оборот длинной наверное около 1/3 оборота.
Я думаю подключить его, но эти 5v и Gnd, ни с кем не согласованы.
Можно ли притянуть Gnd к источнику питания, который питает месу?
Вот так:
. Но блин она не умеет ничего!
Кстати, хочешь, продам, у меня скоро две лишних будет
На одном разъеме драйвера шпинделя естьпровода Sa Sb Sc +5v Gnd. На фазах появляется сигнал со сдвигом по 1 такту на оборот длинной наверное около 1/3 оборота.
Я думаю подключить его, но эти 5v и Gnd, ни с кем не согласованы.
Можно ли притянуть Gnd к источнику питания, который питает месу?
Вот так:
Я знал, что тебе понравится, там кнопочки красявыеaftaev писал(а):Какая прикольная у китайцев ЧПУ программа
Кстати, хочешь, продам, у меня скоро две лишних будет
-
aftaev
- Зачётный участник

- Сообщения: 34042
- Зарегистрирован: 04 апр 2010, 19:22
- Репутация: 6194
- Откуда: Казахстан.
- Контактная информация:
Re: SIEG KX3S фрезер 300х120х270
только вместе со станкомNick писал(а):Кстати, хочешь, продам, у меня скоро две лишних будет
Дилетанту сложные вещи кажутся очень простыми, и только профессионал понимает насколько сложна самая простая вещь
Кто хочет - ищет возможности, кто не хочет - ищет оправдание.
Найди работу по душе и тебе не придется работать.
Кто хочет - ищет возможности, кто не хочет - ищет оправдание.
Найди работу по душе и тебе не придется работать.
- NKS
- Мастер
- Сообщения: 2516
- Зарегистрирован: 30 окт 2014, 21:36
- Репутация: 1233
- Настоящее имя: Сергей
- Откуда: Волгоград
- Контактная информация:
Re: SIEG KX3S фрезер 300х120х270
Я не силён в электронике и схемотехнике, но кажется вполне можно. А что смущает?Nick писал(а):Вернемся к вопросу:
Можно ли притянуть Gnd к источнику питания, который питает месу?
- Nick
- Мастер
- Сообщения: 22776
- Зарегистрирован: 23 ноя 2009, 16:45
- Репутация: 1735
- Заслуга: Developer
- Откуда: Gatchina, Saint-Petersburg distr., Russia
- Контактная информация:
Re: SIEG KX3S фрезер 300х120х270
Смущает, что они не соединены - значит не согласованы...
Там в драйвере наверняка какой-то преобразователь из 220В в 5В, но можно ли его за землю подтягивать я не знаю...
Там в драйвере наверняка какой-то преобразователь из 220В в 5В, но можно ли его за землю подтягивать я не знаю...
- raddd
- Почётный участник

- Сообщения: 1564
- Зарегистрирован: 10 фев 2015, 08:50
- Репутация: 540
- Настоящее имя: Alexey Rodionov
- Откуда: Беларусь Минский р-н
- Контактная информация:
Re: SIEG KX3S фрезер 300х120х270
я так понимаю это провода с трехфазного "энкодера"?Nick писал(а):
0
Re: SIEG KX3S фрезер 300х120х270
#22 Сообщение Nick » 27 минут назад
Вернемся к вопросу:
На одном разъеме драйвера шпинделя естьпровода Sa Sb Sc +5v Gnd. На фазах появляется сигнал со сдвигом по 1 такту на оборот длинной наверное около 1/3 оборота.
т.е. gnd "энкодера" незвонится с общей gnd станка?Nick писал(а):Я думаю подключить его, но эти 5v и Gnd, ни с кем не согласованы.
||||||||||||
||||||||||||
||||||||||||
- raddd
- Почётный участник

- Сообщения: 1564
- Зарегистрирован: 10 фев 2015, 08:50
- Репутация: 540
- Настоящее имя: Alexey Rodionov
- Откуда: Беларусь Минский р-н
- Контактная информация:
Re: SIEG KX3S фрезер 300х120х270
а этот "знкодер" ты хочешь на месу повесить?
||||||||||||
||||||||||||
||||||||||||
- Nick
- Мастер
- Сообщения: 22776
- Зарегистрирован: 23 ноя 2009, 16:45
- Репутация: 1735
- Заслуга: Developer
- Откуда: Gatchina, Saint-Petersburg distr., Russia
- Контактная информация:
Re: SIEG KX3S фрезер 300х120х270
даraddd писал(а):я так понимаю это провода с трехфазного "энкодера"?
даraddd писал(а):т.е. gnd "энкодера" незвонится с общей gnd станка?
И более того "GND" источников питания 5V и "0" от 24V тоже на общую землю не звонятся.
да.raddd писал(а):а этот "знкодер" ты хочешь на месу повесить?
- raddd
- Почётный участник

- Сообщения: 1564
- Зарегистрирован: 10 фев 2015, 08:50
- Репутация: 540
- Настоящее имя: Alexey Rodionov
- Откуда: Беларусь Минский р-н
- Контактная информация:
Re: SIEG KX3S фрезер 300х120х270
а надо все три фазы?
если нет только скажем один для контроля оборотов. то надо поставить свою схемку согласования (буфер с питанием от питания энкодера+оптрон)
а там уже хош на массу хош на плюс!
если нет только скажем один для контроля оборотов. то надо поставить свою схемку согласования (буфер с питанием от питания энкодера+оптрон)
а там уже хош на массу хош на плюс!
||||||||||||
||||||||||||
||||||||||||
- Nick
- Мастер
- Сообщения: 22776
- Зарегистрирован: 23 ноя 2009, 16:45
- Репутация: 1735
- Заслуга: Developer
- Откуда: Gatchina, Saint-Petersburg distr., Russia
- Контактная информация:
Re: SIEG KX3S фрезер 300х120х270
Хватит одной.
...
А где это все можно выдрать, чтоб в магазин не ездить?
И буфер для чего?
Вообще, вроде как родная ЧПУ знала обороты, но туда вроде ничего не приходит...
Вот я так и зналraddd писал(а):если нет только скажем один для контроля оборотов. то надо поставить свою схемку согласования (буфер с питанием от питания энкодера+оптрон)
А где это все можно выдрать, чтоб в магазин не ездить?
И буфер для чего?
Вообще, вроде как родная ЧПУ знала обороты, но туда вроде ничего не приходит...
- raddd
- Почётный участник

- Сообщения: 1564
- Зарегистрирован: 10 фев 2015, 08:50
- Репутация: 540
- Настоящее имя: Alexey Rodionov
- Откуда: Беларусь Минский р-н
- Контактная информация:
Re: SIEG KX3S фрезер 300х120х270
знала или думала что знает?Nick писал(а):Вообще, вроде как родная ЧПУ знала обороты, но туда вроде ничего не приходит...
тот разъем к чему идет и что написано на нем?Nick писал(а):SIEG KX3S фрезер 300х120х270 DSC_2027.JPG
||||||||||||
||||||||||||
||||||||||||
- Nick
- Мастер
- Сообщения: 22776
- Зарегистрирован: 23 ноя 2009, 16:45
- Репутация: 1735
- Заслуга: Developer
- Откуда: Gatchina, Saint-Petersburg distr., Russia
- Контактная информация:
Re: SIEG KX3S фрезер 300х120х270
Тот это какой? Который с "энкодером"? вроде как к движку...raddd писал(а):тот разъем к чему идет и что написано на нем?
- Nick
- Мастер
- Сообщения: 22776
- Зарегистрирован: 23 ноя 2009, 16:45
- Репутация: 1735
- Заслуга: Developer
- Откуда: Gatchina, Saint-Petersburg distr., Russia
- Контактная информация:
Re: SIEG KX3S фрезер 300х120х270
А есди я напрямую оптопару добавлю, то будет работать?
- raddd
- Почётный участник

- Сообщения: 1564
- Зарегистрирован: 10 фев 2015, 08:50
- Репутация: 540
- Настоящее имя: Alexey Rodionov
- Откуда: Беларусь Минский р-н
- Контактная информация:
Re: SIEG KX3S фрезер 300х120х270
незнаю как картинку твою показать
вот этот внизу DSC_2027.JPG
http://www.cnc-club.ru/forum/download/f ... =53737&t=1
вот этот внизу DSC_2027.JPG
http://www.cnc-club.ru/forum/download/f ... =53737&t=1
||||||||||||
||||||||||||
||||||||||||
- raddd
- Почётный участник

- Сообщения: 1564
- Зарегистрирован: 10 фев 2015, 08:50
- Репутация: 540
- Настоящее имя: Alexey Rodionov
- Откуда: Беларусь Минский р-н
- Контактная информация:
Re: SIEG KX3S фрезер 300х120х270
я незнаю нагрузочной способности выхода энкодера потянет ли без буфера...Nick писал(а):А есди я напрямую оптопару добавлю, то будет работать?
если есть осцилограф нухно поглядеть возможно есть таховыход из драйвера шпинделя...
||||||||||||
||||||||||||
||||||||||||
- raddd
- Почётный участник

- Сообщения: 1564
- Зарегистрирован: 10 фев 2015, 08:50
- Репутация: 540
- Настоящее имя: Alexey Rodionov
- Откуда: Беларусь Минский р-н
- Контактная информация:
Re: SIEG KX3S фрезер 300х120х270
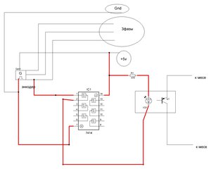
вот так правильней
Последний раз редактировалось raddd 14 июл 2015, 12:11, всего редактировалось 1 раз.
||||||||||||
||||||||||||
||||||||||||
- Serg
- Мастер
- Сообщения: 21923
- Зарегистрирован: 17 апр 2012, 14:58
- Репутация: 5183
- Заслуга: c781c134843e0c1a3de9
- Настоящее имя: Сергей
- Откуда: Москва
- Контактная информация:
Re: SIEG KX3S фрезер 300х120х270
Судя по фотке эти сигналы заведены в контроллер шпинделя, значит этот сигнал используется для управления. Вполне возможно, что соединив минус на GND (даже если они не "звонятся") можно получить увеличение помех и нестабильную работу шпинделя. Я б сделал мелкую платку с одной-тремя быстрыми оптопарами... Или может даже несложную схемку, которая преобразует эти 3 сигнала в сигнал, аналогичный энкодерному.Nick писал(а):Можно ли притянуть Gnd к источнику питания, который питает месу?
Я не Христос, рыбу не раздаю, но могу научить, как сделать удочку...
- Nick
- Мастер
- Сообщения: 22776
- Зарегистрирован: 23 ноя 2009, 16:45
- Репутация: 1735
- Заслуга: Developer
- Откуда: Gatchina, Saint-Petersburg distr., Russia
- Контактная информация:
Re: SIEG KX3S фрезер 300х120х270
Этот разъем идет в драйвер шпинделя.
Эта какая-то управляющая плата. В нее от ЧПУ приходит
Аналог 0-10, сигнал Enable, сигнал Вперед/назад, земля. + два провода - наверное питание.
И уходит этот большой разъем в драйвер шпинделя.
Эта какая-то управляющая плата. В нее от ЧПУ приходит
Аналог 0-10, сигнал Enable, сигнал Вперед/назад, земля. + два провода - наверное питание.
И уходит этот большой разъем в драйвер шпинделя.
- raddd
- Почётный участник

- Сообщения: 1564
- Зарегистрирован: 10 фев 2015, 08:50
- Репутация: 540
- Настоящее имя: Alexey Rodionov
- Откуда: Беларусь Минский р-н
- Контактная информация:
Re: SIEG KX3S фрезер 300х120х270
может там и есть тахо?Nick писал(а): + два провода - наверное питание.
И уходит этот большой разъем в драйвер шпинделя.
если чпу знает а не предпологает обороты то должен быть тахо. (может выход аварии один а второй тахо)
осциллограф бы...
как они подписаны на плате? как подписаны на маркерах провода?
||||||||||||
||||||||||||
||||||||||||
