У нас 20атм.aftaev писал(а):(на память около 25 атм
Масло насос подкачивает до 40. Нижняя граница при которой включается насос 25 атм.
У нас 20атм.aftaev писал(а):(на память около 25 атм
Чтоб масло не окислялось от кислорода в воздухе и не "звездануло".aftaev писал(а):Интересно почему закачивают не воздух, а азот
Мне почему-то кажется, что кто-то где-то ошибся, "с точностью 5 атм" больше похоже на правду.aftaev писал(а):Интересно почему для такой массивной оси нужно выдерживать давление с точностью 0,5 атм

масло от азота разделено резиновой диафрагмой или поршнемUAVpilot писал(а):Чтоб масло не окислялось от кислорода в воздухе и не "звездануло".


Не успеетUAVpilot писал(а):(если успеешь)...


Почему повезло? Работники туда не чистый же кислород закачали, а воздух. Почему тогда китайские компрессоры не взрываются если у него в ресивере такой же воздух под давлением и маслянный пар который летит из поршней?UAVpilot писал(а):Повезло...
Ничего не будет, тряпка загорится.UAVpilot писал(а):Если яйки стальные, то можешь попробовать открыть на кислородном баллоне вентиль, накинуть на него промасленную тряпку и отбежать подальше (если успеешь)...


... добрейшей души человек...aftaev писал(а):надо ШВП подтолкнуть и посмотреть полетит аль нет

ну так нужно ежели полетит ручками ШВП тормозить иль под шпиндель пенопласта подложитьHanter писал(а):... добрейшей души человек...

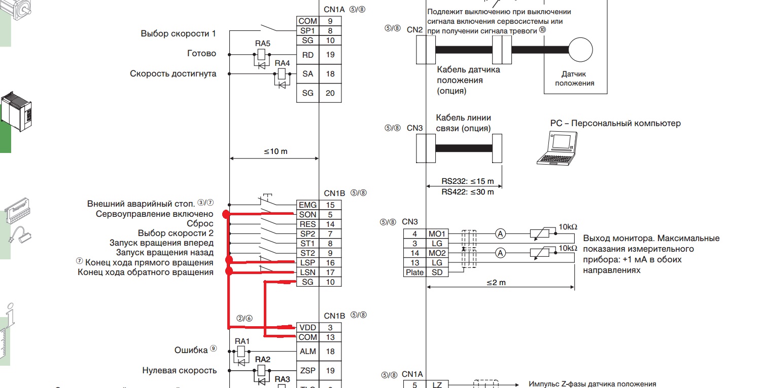
вал у сервы легко крутится руками?Pahan писал(а):Разъем CN1B. Подавал питание 1,5 вольта на ноги 1,2,11. Безрезультатно.

Если можно по подробней, Что и куда нужно подключить.mhael писал(а):привод на управление скоростью настроили? Сигнал SON подаете? LSP LSN включены?