SZGH CNC990TDb связ step/dir ?
- dinkata
- Мастер
- Сообщения: 1029
- Зарегистрирован: 05 сен 2014, 09:07
- Репутация: 391
- Настоящее имя: Диньо
- Откуда: Болгария
- Контактная информация:
SZGH CNC990TDb связ step/dir ?
Контролер SZGH CNC990TDb
для подвключение драйвера шаговьйе двигатели
вопрос - как лучше , через AM26LS32 или можно по другому ?
вопрос - как лучше , через AM26LS32 или можно по другому ?
Простите ошибки, я иностранец.У моя клавиатура нету "э" и "ы"
- Лодочник
- Мастер
- Сообщения: 2178
- Зарегистрирован: 10 авг 2012, 05:24
- Репутация: 1835
- Настоящее имя: Олег
- Откуда: г.Королев
- Контактная информация:
Re: SZGH CNC990TDb связ step/dir ?
Напрямую можно к +dir\-dir и +pulse\-pulse
- raddd
- Почётный участник

- Сообщения: 1564
- Зарегистрирован: 10 фев 2015, 08:50
- Репутация: 540
- Настоящее имя: Alexey Rodionov
- Откуда: Беларусь Минский р-н
- Контактная информация:
Re: SZGH CNC990TDb связ step/dir ?
А что за драйвера?
Есть там оптроны?
Обычно в драйверах как на картинке устроено.
Есть там оптроны?
Обычно в драйверах как на картинке устроено.
Последний раз редактировалось raddd 02 окт 2018, 08:27, всего редактировалось 1 раз.
||||||||||||
||||||||||||
||||||||||||
- Hanter
- Мастер
- Сообщения: 5414
- Зарегистрирован: 27 янв 2012, 14:52
- Репутация: 4338
- Настоящее имя: Алексей
- Откуда: Питер
- Контактная информация:
Re: SZGH CNC990TDb связ step/dir ?
не-не-не ! судя по мануалу на выходе диференциальный сигнал. соответственно должен быть диф.приемник. напрямую не взлетит. не так давно решал обратную задачу...
Опыт - это когда на смену вопросам: "Что? Где? Когда? Как? Почему?" Приходит единственный вопрос: "Нахрена?"
==========================================
фрезерная и токарная обработка на станках с чпу.
Резка, гибка, сварка и порошковая окраса.
==========================================
фрезерная и токарная обработка на станках с чпу.
Резка, гибка, сварка и порошковая окраса.
- raddd
- Почётный участник

- Сообщения: 1564
- Зарегистрирован: 10 фев 2015, 08:50
- Репутация: 540
- Настоящее имя: Alexey Rodionov
- Откуда: Беларусь Минский р-н
- Контактная информация:
Re: SZGH CNC990TDb связ step/dir ?
Взлетит если ноги оптронов не связаны меж собой.Hanter писал(а):не-не-не ! судя по мануалу на выходе диференциальный сигнал. соответственно должен быть диф.приемник. напрямую не взлетит. не так давно решал обратную задачу...
К примеру некаждый лидшайн можно сразу подключать.
||||||||||||
||||||||||||
||||||||||||
- dinkata
- Мастер
- Сообщения: 1029
- Зарегистрирован: 05 сен 2014, 09:07
- Репутация: 391
- Настоящее имя: Диньо
- Откуда: Болгария
- Контактная информация:
Re: SZGH CNC990TDb связ step/dir ?
STP-060-05-Eraddd писал(а):А что за драйвера?
Простите ошибки, я иностранец.У моя клавиатура нету "э" и "ы"
- raddd
- Почётный участник

- Сообщения: 1564
- Зарегистрирован: 10 фев 2015, 08:50
- Репутация: 540
- Настоящее имя: Alexey Rodionov
- Откуда: Беларусь Минский р-н
- Контактная информация:
Re: SZGH CNC990TDb связ step/dir ?
Я лично бы вскрыл и порезал дорожки
К оптронам.
Вывел бы наружу и тем самым получил
Диф входы напряжение от 5ти (возможно и 3.3)вольта до 24 и выше.
Взависимости от находящихся там оптронов и резистора к ним, согласно datasheet на оптроны.
Если скинешь фото платы драйвера с двух сторон. Поможем.
К оптронам.
Вывел бы наружу и тем самым получил
Диф входы напряжение от 5ти (возможно и 3.3)вольта до 24 и выше.
Взависимости от находящихся там оптронов и резистора к ним, согласно datasheet на оптроны.
Если скинешь фото платы драйвера с двух сторон. Поможем.
||||||||||||
||||||||||||
||||||||||||
- dinkata
- Мастер
- Сообщения: 1029
- Зарегистрирован: 05 сен 2014, 09:07
- Репутация: 391
- Настоящее имя: Диньо
- Откуда: Болгария
- Контактная информация:
Re: SZGH CNC990TDb связ step/dir ?
Только сверху , другой стороне к радиатор , не хочется демонтироват. Enable и Dir нашел как входа на опто Д207 , а Step куда ....не нашел !!??raddd писал(а):Если скинешь фото платы драйвера с двух сторон
Простите ошибки, я иностранец.У моя клавиатура нету "э" и "ы"
- raddd
- Почётный участник

- Сообщения: 1564
- Зарегистрирован: 10 фев 2015, 08:50
- Репутация: 540
- Настоящее имя: Alexey Rodionov
- Откуда: Беларусь Минский р-н
- Контактная информация:
Re: SZGH CNC990TDb связ step/dir ?
поднять ножки 1. 3. или лучше отпаять оптрон и порезать дорожки к ним.
и припаять к этим ногам проводки, будет + Enable & +dir.
а второй оптрон скорее всего с обратной стороны ( я так понял и резисторы там же).
и припаять к этим ногам проводки, будет + Enable & +dir.
а второй оптрон скорее всего с обратной стороны ( я так понял и резисторы там же).
||||||||||||
||||||||||||
||||||||||||
- dinkata
- Мастер
- Сообщения: 1029
- Зарегистрирован: 05 сен 2014, 09:07
- Репутация: 391
- Настоящее имя: Диньо
- Откуда: Болгария
- Контактная информация:
Re: SZGH CNC990TDb связ step/dir ?
да , наверно .Спасибо raddd !raddd писал(а):а второй оптрон скорее всего с обратной стороны
Простите ошибки, я иностранец.У моя клавиатура нету "э" и "ы"
- Nick
- Мастер
- Сообщения: 22776
- Зарегистрирован: 23 ноя 2009, 16:45
- Репутация: 1735
- Заслуга: Developer
- Откуда: Gatchina, Saint-Petersburg distr., Russia
- Контактная информация:
Re: SZGH CNC990TDb связ step/dir ?
Я что-то вас не понимаю, подключаем step+ и dir+ и сommon к логической земле ( или наоборот). И все будет работать.
Ну нет диф сигнала, ничего критически страшного.
Ну нет диф сигнала, ничего критически страшного.
- dinkata
- Мастер
- Сообщения: 1029
- Зарегистрирован: 05 сен 2014, 09:07
- Репутация: 391
- Настоящее имя: Диньо
- Откуда: Болгария
- Контактная информация:
Re: SZGH CNC990TDb связ step/dir ?
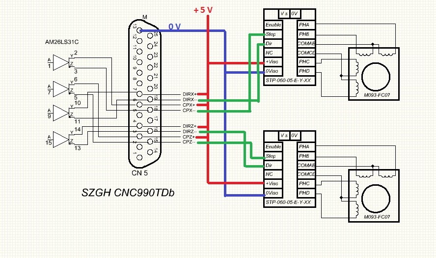
т.е. ето подвключение будет правильно ??Nick писал(а):подключаем step+ и dir+ и сommon к логической земле ( или наоборот)
Простите ошибки, я иностранец.У моя клавиатура нету "э" и "ы"
- raddd
- Почётный участник

- Сообщения: 1564
- Зарегистрирован: 10 фев 2015, 08:50
- Репутация: 540
- Настоящее имя: Alexey Rodionov
- Откуда: Беларусь Минский р-н
- Контактная информация:
