Vers - Центроискатели, датчики инструмента

Контроллеры, драйверы, датчики, управляющие устройства.
Аватара пользователя
verser
Мастер
Сообщения: 1905
Зарегистрирован: 21 июл 2013, 22:28
Репутация: 1282
Настоящее имя: Сергей
Откуда: Тбилиси
Контактная информация:

Vers - Центроискатели, датчики инструмента

Сообщение verser »

Продолжение предыдущей темы. В теме представлены для обсуждения центроискатели и датчики Vers.

► Vers WLR v9https://youtu.be/HArWXSpzqpg
► Vers PR v9https://youtu.be/8EC5AzdjFhc
► Vers TSm v9https://youtu.be/LEhdpiSwZEU

:?: FAQ:
► Подключение двух нормально-замкнутых датчиков к разным входам (LinuxCNC) (для просмотра содержимого нажмите на ссылку)
Дополнение к этой и этой программам в linuxcnc написал и делится наш форумчанин artsemi , позволяет подключить по логике ИЛИ нормально-замкнутые центроискатель и датчик длины инструмента к одному логическому входу probe-input через разные физические входы, что является не совсем тривиальной задачей.
Зачем нужна логика ИЛИ ?
-можно при необходимости отключать физически любой из датчиков, оставляя другой при этом работающим (актуально, например, для беспроводного центроискателя, чтобы зря не садить батарейку),
-не выдает ошибок при случайной сработке probe от вибрации в режимах ручного или MDI перемещения (датчики имеют возможность "активироваться" только в момент измерения).

Физически датчики подключаются к разным входам (в прилагаемых исходниках это входы контроллера mesa, файл tool.hal) и по определенной логике, открывающей дополнительные удобства, микшируются в mux_generic config="bb4" и далее на probe-input.

Активация-деактивация селекторов микшера прямо из g-code

Код: Выделить всё

#M64 P2 - activate toolsetter
#M64 P3 - activate probe
#M65 P2 - deactivate toolsetter
#M65 P3 - deactivate probe
например, при обмере вниз

Код: Выделить всё

o<down> sub
	
O<down-if> IF [#<_hal[probe.set_zero]> EQ 5]
    (cancel Z offsets)
    G92.1
    G49
    G10 L20 P0 Z[#<_hal[axis.2.joint-pos-cmd]>]
O<down-if> ENDIF 
 
#<z>=#<_z> (save current Z position)
G91
F #<_hal[probe.ps_searchvel]>
M64 P3
G38.2 Z[-#<_hal[probe.ps_probe_max]>]
G1 Z[#<_hal[probe.ps_probe_latch]>] F#<_ini[TOOLSENSOR]RAPID_SPEED> 
F #<_hal[probe.ps_probevel]>
G4 P0.5 
G38.2 Z[-#<_hal[probe.ps_probe_latch]>*2]
M65 P3
G90
(back to start point)
G1 Z#<z> F#<_ini[TOOLSENSOR]RAPID_SPEED> 
	
o<down> endsub
M2
tool-change.zip
(10.14 КБ) 688 скачиваний
► Почему при срабатывании датчика на выходе не появляется напряжение? (для просмотра содержимого нажмите на ссылку)
При нормально-замкнутом npn (npn-NC) подключении, если не нажат стилус, выход датчика соединен с землей. При нажатии на стилус выход отсоединяется от земли и как-бы повисает в воздухе, но, учитывая подтяжку внешним резистором к +5в (см. Руководство пользователя), на выходе появляется +5в. Вывод: при npn-NC подключении обязателен внешний подтягивающий к +5в резистор (в некоторых контроллерах такой резистор присутствует на входе, вход обозначается как "для npn датчиков", тогда дополнительный подтягивающий резистор не нужен).
npn.jpg (27797 просмотров) <a class='original' href='./download/file.php?id=115545&mode=view' target=_blank>Загрузить оригинал (64.76 КБ)</a>
npn_nc_opto.JPG (27785 просмотров) <a class='original' href='./download/file.php?id=115547&mode=view' target=_blank>Загрузить оригинал (69.12 КБ)</a>
tsm_npn_pnp_connection.jpg (11910 просмотров) <a class='original' href='./download/file.php?id=205568&mode=view' target=_blank>Загрузить оригинал (369.76 КБ)</a>
► Нужно ли для центроискателя что-то прописывать в hal файле (linuxcnc)? (для просмотра содержимого нажмите на ссылку)
Да. В hal файле пин motion.probe-input соединяется с пином parport...(или с пином hm2_5i25.0.7i77... для Mesa), к которому ЦИ подключен физически, можно по желанию ещё вставить антидребезг. Пример

Код: Выделить всё

# add debounce component after all loadrt
loadrt debounce cfg=1
# set delay (number of iterations of base thread )
setp debounce.0.delay 30
# add debounce to thread
addf debounce.0 base-thread


# put debounce between parport input pins and probe signals
net debounce-probe-in debounce.0.0.in <= parport.0.pin-13-in
#net debounce-probe-in debounce.0.0.in <= hm2_5i25.0.7i77.0.0.input-24
net probe motion.probe-input <= debounce.0.0.out
► Как правильно сделать юстировку центроискателя? (для просмотра содержимого нажмите на ссылку)
Необходимый инструмент: комплектный шестигранный ключ, индикатор рычажного типа (см. видео)
https://youtu.be/K3ppZhCYHHU
Рекомендации:
- в процессе юстировки чередовать затягивание и ослабление юстировочных винтов
- регулировку делать в позиции наибольшего отклонения стрелки индикатора, подкручивать шестигранным ключом в сторону минимизации этого отклонения, поочередно устраняя "плюсовое" и "минусовое" отклонение
- начинать лучше с ослабления юстировочного винта, устраняя "плюсовое" отклонение
- регулировать лучше тот винт, который расположен рядом с точкой соприкосновения стилусов индикатора и центроискателя
- держать шестигранный ключ лучше за короткий рычаг, чтобы не развить чрезмерное усилие при зажиме юстировочных винтов М2.5
► Подключение к Stepmaster (для просмотра содержимого нажмите на ссылку)
Vers WL
verswl_to_stepmaster.jpg (27138 просмотров) <a class='original' href='./download/file.php?id=123392&mode=view' target=_blank>Загрузить оригинал (155.28 КБ)</a>
Vers Pr
pr_to_stepmaster.jpg (27138 просмотров) <a class='original' href='./download/file.php?id=123393&mode=view' target=_blank>Загрузить оригинал (157.27 КБ)</a>
Vers TS и Vers HSW
hsw_to_stepmaster.jpg (27138 просмотров) <a class='original' href='./download/file.php?id=123394&mode=view' target=_blank>Загрузить оригинал (158.57 КБ)</a>
Цвета проводов на схеме совпадают с цветами проводов внутри комплектных кабелей
:lamp_flash: Полезные ссылки:
Probe Screen ( linuxcnc ) - программа для работы с центроискателями.
Auto Tool Measurement ( linuxcnc ) - программа для автоматического измерения длины инструмента при ручной смене.
Probe Wizard (mach3) - программа для работы с центроискателями.
https://youtu.be/11nyZadIVK4

Коммерческие вопросы
Последний раз редактировалось verser 23 мар 2025, 08:17, всего редактировалось 84 раза.
Аватара пользователя
verser
Мастер
Сообщения: 1905
Зарегистрирован: 21 июл 2013, 22:28
Репутация: 1282
Настоящее имя: Сергей
Откуда: Тбилиси
Контактная информация:

Re: Приборы Vers: Центроискатели, датчики, контактные сканер

Сообщение verser »

Проекту 2 года. Его рождение и развитие проходило исключительно на нашем форуме cnc-club.ru . Искренне благодарю всех, кто делился идеями, советами, пожеланиями. Наш форум - лучший! :good:
На протяжении 2-х лет линейка приборов совершенствовалась и наполнялась полезным функционалом, "облегченной" ("lite") в приборах осталась, возможно, только цена. Обновление линейки центроискателей начну со смены названий приборов.

►Вся линейка центроискателей теперь будет выглядеть так:
Vers WL - беспроводной центроискатель с приемником (WireLess)
Vers PR - проводной центроискатель (PRobe)
Vers TS - датчик длины и диаметра инструмента (Tool Setter)
Vers HSW - сверхточный датчик базы, он же home-датчик (Home SWitch)
Vers RFM - комплект приёмник-передатчик (Radio Frequency Module) для превращения сторонних проводных датчиков в беспроводные
Vers CS - контактный сканер (Contact Scanner), готовлю публикацию текущего состояния этой новой разработки.

Vers WL ver.3.1 -обновление беспроводного центроискателя:
VersWL_v31_full.jpg (28578 просмотров) <a class='original' href='./download/file.php?id=110832&mode=view' target=_blank>Загрузить оригинал (192.68 КБ)</a>
-обновлены электронная схема и принцип компановки печатной платы (трансивер выделен в обособленный модуль (по-прежнему внутри корпуса) и др.) для улучшения стабильности и качества радиоприема-передачи
-применены пылезащитные колпачки из полиуритановой резины собственного производства
-выключатель для удобства перемещен из нижней плоскости на боковую поверхность
-усилена для большей жесткости стальная часть юстировочного узла
-в приемник добавлены монтажные отверстия
Аватара пользователя
frezeryga
Почётный участник
Почётный участник
Сообщения: 13713
Зарегистрирован: 18 авг 2013, 16:08
Репутация: 5069
Откуда: Жуковский
Контактная информация:

Re: Vers: Центроискатели, датчики, контактные сканеры.

Сообщение frezeryga »

Поработайте над токарными деталями. Оно конечно на работу не влияет но поверхность из под шкурки это колхоз и некрасиво +быстрее окисляется. Получить хорошую поверхность из под резца совсем нетрудно. Также было бы большим плюсом анодирование алюминиевых деталей.
Аватара пользователя
verser
Мастер
Сообщения: 1905
Зарегистрирован: 21 июл 2013, 22:28
Репутация: 1282
Настоящее имя: Сергей
Откуда: Тбилиси
Контактная информация:

Re: Vers: Центроискатели, датчики, контактные сканеры.

Сообщение verser »

Учитывая тот факт, что посты от frezeruga всё-таки больше похожи на его саморекламу (с такой-то "бородой" ссылок ;) ), чем на дельный совет, то было бы любопытно узнать мнение форумчан, действительно ли Vers WL на фото выше выглядит как "колхоз и некрасиво"? :)
Аватара пользователя
frezeryga
Почётный участник
Почётный участник
Сообщения: 13713
Зарегистрирован: 18 авг 2013, 16:08
Репутация: 5069
Откуда: Жуковский
Контактная информация:

Re: Vers: Центроискатели, датчики, контактные сканеры.

Сообщение frezeryga »

Можете думать как угодно. Но я своим клиентом рекомендую ваши изделия и ими куплено 5 единиц. И довелось подержать в руках пощупать ваши датчики и первое что напрягло ето шкуреные детали. Смысл шкурить детали есть только в одном случае если из под станка получается плохо но тут правильней былобы подтянуть токарку.
Аватара пользователя
verser
Мастер
Сообщения: 1905
Зарегистрирован: 21 июл 2013, 22:28
Репутация: 1282
Настоящее имя: Сергей
Откуда: Тбилиси
Контактная информация:

Re: Vers: Центроискатели, датчики, контактные сканеры.

Сообщение verser »

Крутим в руках Vers WL :)
https://youtu.be/2684Utov1kQ
Аватара пользователя
torvn77
Мастер
Сообщения: 2442
Зарегистрирован: 02 июн 2012, 22:12
Репутация: 215
Откуда: Россия,Санкт-Петербург
Контактная информация:

Re: Vers: Центроискатели, датчики, контактные сканеры.

Сообщение torvn77 »

frezeryga писал(а):Смысл шкурить детали есть только в одном случае если из под станка получается плохо но тут правильней былобы подтянуть токарку.
Мне кажется что verser просто хочет матовые поверхности, так как на них не так бросаются в глаза следы эксплуатации.

П.С. verser, "таблетки" для установки нуля на поверхность материала или стола будут?
Аватара пользователя
Serg
Мастер
Сообщения: 21923
Зарегистрирован: 17 апр 2012, 14:58
Репутация: 5183
Заслуга: c781c134843e0c1a3de9
Настоящее имя: Сергей
Откуда: Москва
Контактная информация:

Re: Vers: Центроискатели, датчики, контактные сканеры.

Сообщение Serg »

torvn77 писал(а):П.С. verser, "таблетки" для установки нуля на поверхность материала или стола будут?
А какой в этом смысл при наличии WL/PR и TS?
Я не Христос, рыбу не раздаю, но могу научить, как сделать удочку...
Аватара пользователя
torvn77
Мастер
Сообщения: 2442
Зарегистрирован: 02 июн 2012, 22:12
Репутация: 215
Откуда: Россия,Санкт-Петербург
Контактная информация:

Re: Vers: Центроискатели, датчики, контактные сканеры.

Сообщение torvn77 »

UAVpilot писал(а):А какой в этом смысл при наличии WL/PR и TS?
Для начала то, что скорее всего тебе будет понятно:
1) Часть людей предпочитает пользоваться "таблетками" и вместо офсета изменять координатную систему, а не делать как надо с WL/PR и TS.
При чём для "ширпотребных" фрезеров это стандартное, а значит и привычное для людей решение.
То что тебе будет не понятно и над чем, только не понимая другое я ломаю голову сам
1) Для установки связи между координатной системой и "нулевым" офсетом инструмента при измерении высоты заготовки с помощью PR надо будет промерить с помощью этого же PR высоту площадки TS, а ведь они оба пружинят, что должно снижать повторяемость связывания, что плохо,
так как если дом или ещё что собъётся то надо будет перемерять всё заново.
Вместо этого я думаю использовать таблетку и связывать её с площадкой TS с помощью жёсткого щупа.
Аватара пользователя
Serg
Мастер
Сообщения: 21923
Зарегистрирован: 17 апр 2012, 14:58
Репутация: 5183
Заслуга: c781c134843e0c1a3de9
Настоящее имя: Сергей
Откуда: Москва
Контактная информация:

Re: Vers: Центроискатели, датчики, контактные сканеры.

Сообщение Serg »

torvn77 писал(а):1) Часть людей предпочитает пользоваться "таблетками" и вместо офсета изменять координатную систему, а не делать как надо с WL/PR и TS.
При чём для "ширпотребных" фрезеров это стандартное, а значит и привычное для людей решение.
Ну и пусть продолжают пользоваться - предлагаемые тут устройства не для них.
torvn77 писал(а):) Для установки связи между координатной системой и "нулевым" офсетом инструмента при измерении высоты заготовки с помощью PR надо будет промерить с помощью этого же PR высоту площадки TS, а ведь они оба пружинят
Не надо. Попробуй сам догадаться почему... :)
Я не Христос, рыбу не раздаю, но могу научить, как сделать удочку...
Аватара пользователя
torvn77
Мастер
Сообщения: 2442
Зарегистрирован: 02 июн 2012, 22:12
Репутация: 215
Откуда: Россия,Санкт-Петербург
Контактная информация:

Re: Vers: Центроискатели, датчики, контактные сканеры.

Сообщение torvn77 »

UAVpilot писал(а):Не надо. Попробуй сам догадаться почему... :)
Ты лучше сам расскажи, потому как мне видятся только два варианта после измерения высоты материала с помощью PR
1) Замерять высоту площадки TS
2) Зачем то доставать PR из шпинделя и вставлять инструмент, установка нуля при этом конечно будет теряться.
Аватара пользователя
torvn77
Мастер
Сообщения: 2442
Зарегистрирован: 02 июн 2012, 22:12
Репутация: 215
Откуда: Россия,Санкт-Петербург
Контактная информация:

Re: Vers: Центроискатели, датчики, контактные сканеры.

Сообщение torvn77 »

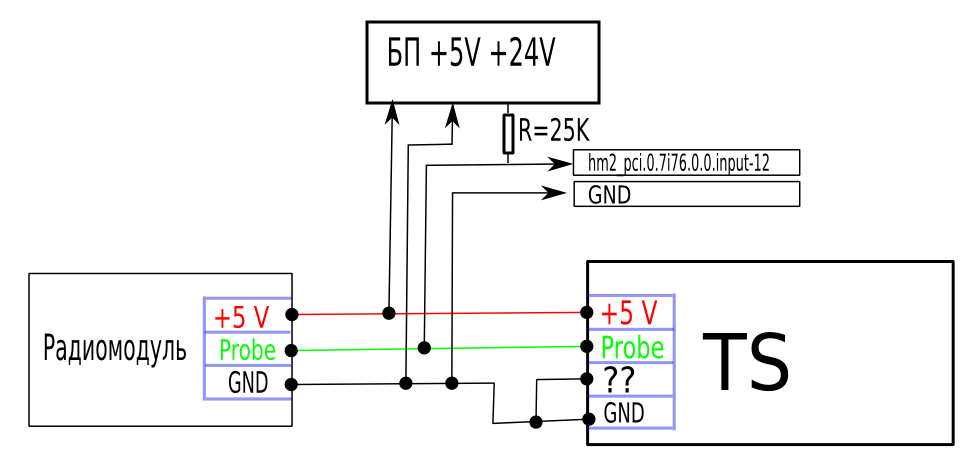
У меня вопрос, я пытаюсь подключить TS и радиомодуль по "проводному ИЛИ" и у меня почему то они либо не выдают сигнал вообще, либо выдаёт сигнал только один из приборов, но как правило не выдают оба.
Сигнал создаётся замыканием через датчик выхода Месы на корпус, и когда он не работает уровень остаётся высоким, т.е. замыкания на корпус не происходит.
Если выключить выключателем радиомодуль или достать шнур из TS то оставшийся включённым датчик работает нормально.
При этом после включения радиомодуля TS перестаёт работать не сразу, а только после того как на центроискателе потрогаешь щуп и радиомодуль примет сигнал.
А вот если отключить TS то радиомодуль и TS сразу перестают работать после подключения TS обратно.
Порознь и TS и PR в такой схеме работают нормально.
Если учесть то. что сигнал создаётся замыканием на корпус такое поведение мне не понятно, в чём его причина?
Screenshot.png (28368 просмотров) <a class='original' href='./download/file.php?id=110983&mode=view' target=_blank>Загрузить оригинал (37.25 КБ)</a>
До меня дошло, и PR и TS нормально замкнутые, не удивительно что у меня ничего не работает.
Последний раз редактировалось torvn77 09 май 2017, 00:31, всего редактировалось 2 раза.
Аватара пользователя
verser
Мастер
Сообщения: 1905
Зарегистрирован: 21 июл 2013, 22:28
Репутация: 1282
Настоящее имя: Сергей
Откуда: Тбилиси
Контактная информация:

Re: Vers: Центроискатели, датчики, контактные сканеры.

Сообщение verser »

Можно так : RFM подключаем к +5 питанию и соответственно к земле, выход probe RFM подключаем к земле TS, +5 к питанию TS, выход TS забираем как probe сигнал(с тем же резистором подтяжки). Получили типа ИЛИ инвертированных сигналов(надо будет возможно инвертировать hm2...input...).
Аватара пользователя
Serg
Мастер
Сообщения: 21923
Зарегистрирован: 17 апр 2012, 14:58
Репутация: 5183
Заслуга: c781c134843e0c1a3de9
Настоящее имя: Сергей
Откуда: Москва
Контактная информация:

Re: Vers: Центроискатели, датчики, контактные сканеры.

Сообщение Serg »

torvn77 писал(а):Ты лучше сам расскажи, потому как мне видятся только два варианта после измерения высоты материала с помощью PR
Неужели так сложно сообразить?..
1) ставим в шпиндель pr, объявляем его инструментом #1 и тыкаемся им в ts, из полученного значения вычитаем высоту площадки ts и получаем Z координату поверхности стола, заодно обнуляем коррекцию длины инструмента #1 - он будет "эталонным" инструментом.
2) тыкаемся инструментом #1 в заготовку и получаем Z координату поверхности заготовки.
3) вставляем в шпиндель нужную фрезу, объявляем её инструментом #2 и тычемся ей в ts - получаем коррекцию длины инструмента #2 относительно "эталонного" инструмента #1, используем эту коррекцию по прямому назначению.
4) повторяем п.3 для каждого инструмента.
Я не Христос, рыбу не раздаю, но могу научить, как сделать удочку...
Аватара пользователя
torvn77
Мастер
Сообщения: 2442
Зарегистрирован: 02 июн 2012, 22:12
Репутация: 215
Откуда: Россия,Санкт-Петербург
Контактная информация:

Re: Vers: Центроискатели, датчики, контактные сканеры.

Сообщение torvn77 »

UAVpilot писал(а):1) ставим в шпиндель pr, объявляем его инструментом #1 и тыкаемся им в ts, из полученного значения вычитаем высоту площадки ts и получаем Z координату поверхности стола, заодно обнуляем коррекцию длины инструмента #1 - он будет "эталонным" инструментом.
torvn77 писал(а):То что тебе будет не понятно и над чем, только не понимая другое я ломаю голову сам
1) Для установки связи между координатной системой и "нулевым" офсетом инструмента при измерении высоты заготовки с помощью PR надо будет промерить с помощью этого же PR высоту площадки TS, а ведь они оба пружинят, что должно снижать повторяемость связывания, что плохо,
Как я и писал, ты ничего не понял
Аватара пользователя
Serg
Мастер
Сообщения: 21923
Зарегистрирован: 17 апр 2012, 14:58
Репутация: 5183
Заслуга: c781c134843e0c1a3de9
Настоящее имя: Сергей
Откуда: Москва
Контактная информация:

Re: Vers: Центроискатели, датчики, контактные сканеры.

Сообщение Serg »

torvn77 писал(а):Как я и писал, ты ничего не понял
Ну и что, что они оба "пружинят" как это помешает измерениям?.. Попробуй головой подумать... :)
Я не Христос, рыбу не раздаю, но могу научить, как сделать удочку...
Аватара пользователя
frezeryga
Почётный участник
Почётный участник
Сообщения: 13713
Зарегистрирован: 18 авг 2013, 16:08
Репутация: 5069
Откуда: Жуковский
Контактная информация:

Re: Vers: Центроискатели, датчики, контактные сканеры.

Сообщение frezeryga »

по моему опыту матовая поверхность именно из под шкурки бычтро окисляется и приобретает непотребный вид. не думайте что мне лишбы все обосрать. это просто пожелание и совет по улучшению качества выпускаемых изделий. гденибудь в фирмовых сканерах вы видели поверхность из под шкурки? самый идеал быллобы из под резца с анодированием.
Аватара пользователя
Serg
Мастер
Сообщения: 21923
Зарегистрирован: 17 апр 2012, 14:58
Репутация: 5183
Заслуга: c781c134843e0c1a3de9
Настоящее имя: Сергей
Откуда: Москва
Контактная информация:

Re: Vers: Центроискатели, датчики, контактные сканеры.

Сообщение Serg »

frezeryga писал(а):по моему опыту матовая поверхность именно из под шкурки бычтро окисляется и приобретает непотребный вид.
А фотка есть?
Я не Христос, рыбу не раздаю, но могу научить, как сделать удочку...
Аватара пользователя
frezeryga
Почётный участник
Почётный участник
Сообщения: 13713
Зарегистрирован: 18 авг 2013, 16:08
Репутация: 5069
Откуда: Жуковский
Контактная информация:

Re: Vers: Центроискатели, датчики, контактные сканеры.

Сообщение frezeryga »

Фотки нету.
Portos
Мастер
Сообщения: 244
Зарегистрирован: 24 янв 2013, 21:28
Репутация: 37
Контактная информация:

Re: Vers: Центроискатели, датчики, контактные сканеры.

Сообщение Portos »

frezeryga писал(а):по моему опыту матовая поверхность именно из под шкурки бычтро окисляется и приобретает непотребный вид. не думайте что мне лишбы все обосрать. это просто пожелание и совет по улучшению качества выпускаемых изделий. гденибудь в фирмовых сканерах вы видели поверхность из под шкурки? самый идеал быллобы из под резца с анодированием.
Соглашусь с Максимом, сатинированная (из под шкурки) поверхность будет собрать грязь. она хорошо смотрится но не очень практичная.
Ответить

Вернуться в «Электроника»