Страница 5 из 7
Re: ЧПУ на KELLENBERGER UR 175*1500
Добавлено: 03 мар 2019, 11:04
Alex63
Дело простое - моя задача сделать максимально простой и понятный интерфейс для шлифовальщиков, или простых работяг, а не продвинутых пользователей Кмоушен и по совместительству программистов.
В родной стойке есть несколько - 8 или 9 настроечных программ, они выполняются не в режиме автоматики, а именно в режиме обучения - к примеру вручную ведешь камень к алмазу и запоминаешь основные точки траектории нажатием кнопки [LF] - конец кадра при программировании. Вручную ввести координаты цифрами программа не дает - только води ручками камень. То же и с маятником по Z - надо вручную выставить точку подводки, прохода и отвода. Только скорость можно задать цифрой.
Неплохо работает, рядом со мной двое пожилых шлифовальщиков по паре раз провели такую процедуру - и вопросов нет, работают целый день считай в полуручном режиме.
Re: ЧПУ на KELLENBERGER UR 175*1500
Добавлено: 03 мар 2019, 15:04
michael-yurov
aftaev писал(а):Главное чтобы макрос позволил выполнять одновременно две задачи. Ехать например по G1 X100 и в этот же момент чтобы при помощи штурвала управлять осью Z. Может получится: вначале выполнится макрос(движение оси от точке к точке), а только потом будет опрашиватся штурвал.
Я, конечно, слишком поздно отвечаю... С таким названием темы мне и в голову не приходило в нее заглядывать. Всю тему ниасилил. Отвечу лишь на вопрос с первой страницы.
У килофлопа реализована многопоточность. А именно, у него 8 программных / вычислительных потоков выполняются одновременно. Можно без проблем распределить разные задачи по этим потокам.
Обычно, один из потоков используется для движения по траектории, и еще один для всяких функций, макросов, и прочего, что может быть использовано в процессе выполнения УП, чтобы не перебивать основной цикл.
Насколько я понимаю, любой из этих потоков может общаться с интерфейсом, и, может работать с подключенным оборудованием.
Re: ЧПУ на KELLENBERGER UR 175*1500
Добавлено: 03 мар 2019, 17:05
Duhas
michael-yurov писал(а):
У килофлопа реализована многопоточность. А именно, у него 8 программных / вычислительных потоков выполняются одновременно. Можно без проблем распределить разные задачи по этим потокам.
Обычно, один из потоков используется для движения по траектории, и еще один для всяких функций, макросов, и прочего, что может быть использовано в процессе выполнения УП, чтобы не перебивать основной цикл.
Насколько я понимаю, любой из этих потоков может общаться с интерфейсом, и, может работать с подключенным оборудованием.
в целом все так, однако, если инициализирована система координат состоящая из всех осей и выполняется Gcode, то не получится вмешаться в этот процесс. надо или выключать одну из осей из системы координат и управлять ею вручную или не использовать интерпретатор Gcode.
у ТС несколько желаемых режимов, и случай с ручным проще сделать без участия интерпретатора на мой взгляд, что я и продемонстрировал.
Alex63 писал(а):Дело простое - моя задача сделать максимально простой и понятный интерфейс для шлифовальщиков, или простых работяг, а не продвинутых пользователей Кмоушен и по совместительству программистов.
В родной стойке есть несколько - 8 или 9 настроечных программ, они выполняются не в режиме автоматики, а именно в режиме обучения - к примеру вручную ведешь камень к алмазу и запоминаешь основные точки траектории нажатием кнопки [LF] - конец кадра при программировании. Вручную ввести координаты цифрами программа не дает - только води ручками камень. То же и с маятником по Z - надо вручную выставить точку подводки, прохода и отвода. Только скорость можно задать цифрой.
Неплохо работает, рядом со мной двое пожилых шлифовальщиков по паре раз провели такую процедуру - и вопросов нет, работают целый день считай в полуручном режиме.
повторюсь, сделать можно что угодно в принципе, вопрос готовности реализовать это самим или оплатить эти работы. можно сделать визард который подобно вашему описанию сгенерирует Gcode, можно и без него запомнить точки и двигаться по ним, вопрос как это технологичнее делать. на мой взгляд есть два основных сценария - разовые работы и серийка. в первом случае ручной режим, во втором - автоматический. в серийке из пользы вмешательства оператора в процесс я вижу только выбор начального диаметра, чтобы не шлифовать воздух.. но я в шливофке, тем более в круглой, понимаю мало, только теоретически.
Re: ЧПУ на KELLENBERGER UR 175*1500
Добавлено: 06 мар 2019, 13:12
Alex63
Решил запускать Kflop!
Дошел до нажатия на кнопку INIT по пошаговой инструкции из темы гуру
http://www.cnc-club.ru/forum/viewtopic.php?f=144&t=5553,
путь к файлу ини указал, настройки на дюйм под свои оси сделал.
нажимаю INIT, ничего не происходит, циферки на осях остаются желтыми. Вроде бы должны позеленеть?
Файл ини во вложении.
Re: ЧПУ на KELLENBERGER UR 175*1500
Добавлено: 06 мар 2019, 13:47
Alex63
Разобрался сам.
В ини файле стояли включенные лимиты осей на 137 и 138 бите, а поскольку физически там ничего не прицепил, так и получилось. Записал в ИНИ файл LimitSwitchOptions=0x100; и все зажило. Ура!
Пишу сам себе пошаговую инструкцию.
Например, пришлось обновлять прошивку в Config&Flash \ New Version и т д.
Теперь вот наткнулся на лимиты.
Re: ЧПУ на KELLENBERGER UR 175*1500
Добавлено: 07 мар 2019, 06:43
Alex63
Народ,
посоветуйте или дайте ссылку на описание правильного расположения и заземления Кфлопа.
Сейчас есть стойка ЧПУ (слева на фото) и шкаф с электроавтоматикой и силой
Между ними проводов метра 4.
Мне кажется естественным расположить комп и Кфлоп в стойке. Тогда пойдут длинные провода от ЦАП флопа к драйверам.
Входа у драйверов от земли электроавтоматики развязаны, Кфлоп по идее должен сидеть на земле, что уже вызывает вопрос - не вредно ли это драйверу и что будет с наводками?
Где лучше заземлять Кфлоп - в стойке или протянуть шину в силовой шкаф?
Экран проводов от Кфлопа к драйверам садить на землю Кфлопа ?
Re: ЧПУ на KELLENBERGER UR 175*1500
Добавлено: 07 мар 2019, 09:14
Duhas
а что еще будет в старой стойке вместе с Kflop? ПК? я бы лучше к силовому шкафу приделал "терминал" монитор + клавиатура + пульт, kflop можно туда, а можно и в силовой шкаф.
Re: ЧПУ на KELLENBERGER UR 175*1500
Добавлено: 07 мар 2019, 11:45
Alex63
Тоже думаю так разумней, но тогда силовые кабеля придется удлиннять чтобы перенести шкаф на место стойки.
Да, подключиться к энкодеру и драйверу сегодня удалось удачно с первого раза, походили по оси, немного настроили ПИД параметры.
Действительно легко разбираться.
Re: ЧПУ на KELLENBERGER UR 175*1500
Добавлено: 09 мар 2019, 08:19
Alex63
И еще вопрос -
переключил КмоушенСНС в стандарт токарного представления, когда подключали драйвер и энкодер
и все хорошо, только стрелки по Z управляют реально осью Х (ch0). Т е шкала Х на дисплее положение меняет, и движок реально с ch0 подключен, а работают стрелки оси Z.
Где собака порылась (посмотреть и поменять настройки)?
Ини файл
Re: ЧПУ на KELLENBERGER UR 175*1500
Добавлено: 09 мар 2019, 08:40
Alex63
Duhas писал(а):я бы лучше к силовому шкафу приделал "терминал" монитор + клавиатура + пульт,
Тут такое дело, пульт на станке расположен офигенно удобно
зеленый короб с направляющими жестко крепится на станок, а пульт ездит по направляющим свободно, и в зависимости от детали оператор его подвигает туда, где ему удобнее следить за процессом.
Так что пульт останется точно на месте.
Насчет разницы программирования токарного и шлифовального - в G кодах программы практически одинаковы.
+Z и в том и другом станке сделано в направлении отвода инструмента (резца или камня) от детали, т е в координатах детали одинаково.
Но в случае с токарным ось едет вправо и отводит резец от шпинделя с деталью который слева,
а в случае с шлифовальным ось едет влево и отводит деталь от вращающегося камня справа.
Т е на шлифовальном идешь по Z в плюса - стол едет влево. Первые пару дней у меня вынос мозга был после привычной работы на токарном

.
Re: ЧПУ на KELLENBERGER UR 175*1500
Добавлено: 10 мар 2019, 04:26
Alex63
В теме по Кфлопу Саша ответил про оси
Спасибо ему,и радует, что тема продолжает жить.
Re: ЧПУ на KELLENBERGER UR 175*1500
Добавлено: 10 мар 2019, 05:41
Alex63
Разбираюсь в схеме электроавтоматики и прописываю логику работы ЧПУ. В родной стойке
ЧПУ собирает с периферии логические сигналы
от реле
- концевики 2 аварийных и 2 определения 0 по осям,
- авария (например нажали на грибок),
- наличие силы на приводах (CNC вкл)
от драйверов
по X Z сигнал Disable
по С еще сигнал NO
ЧПУ управляет
реле
- CNC (разрешает подать силу на драйвера, подается ручной кнопкой и фиксируется реле с самоподхватом. Если ЧПУ сигнал CNC снимает, сила от драйверов отключается)
- Авария - срабатывает как грибок
драйверами (не считая выходов ЦАП)
по X Z дает сигнал RS,
по С еще и STV
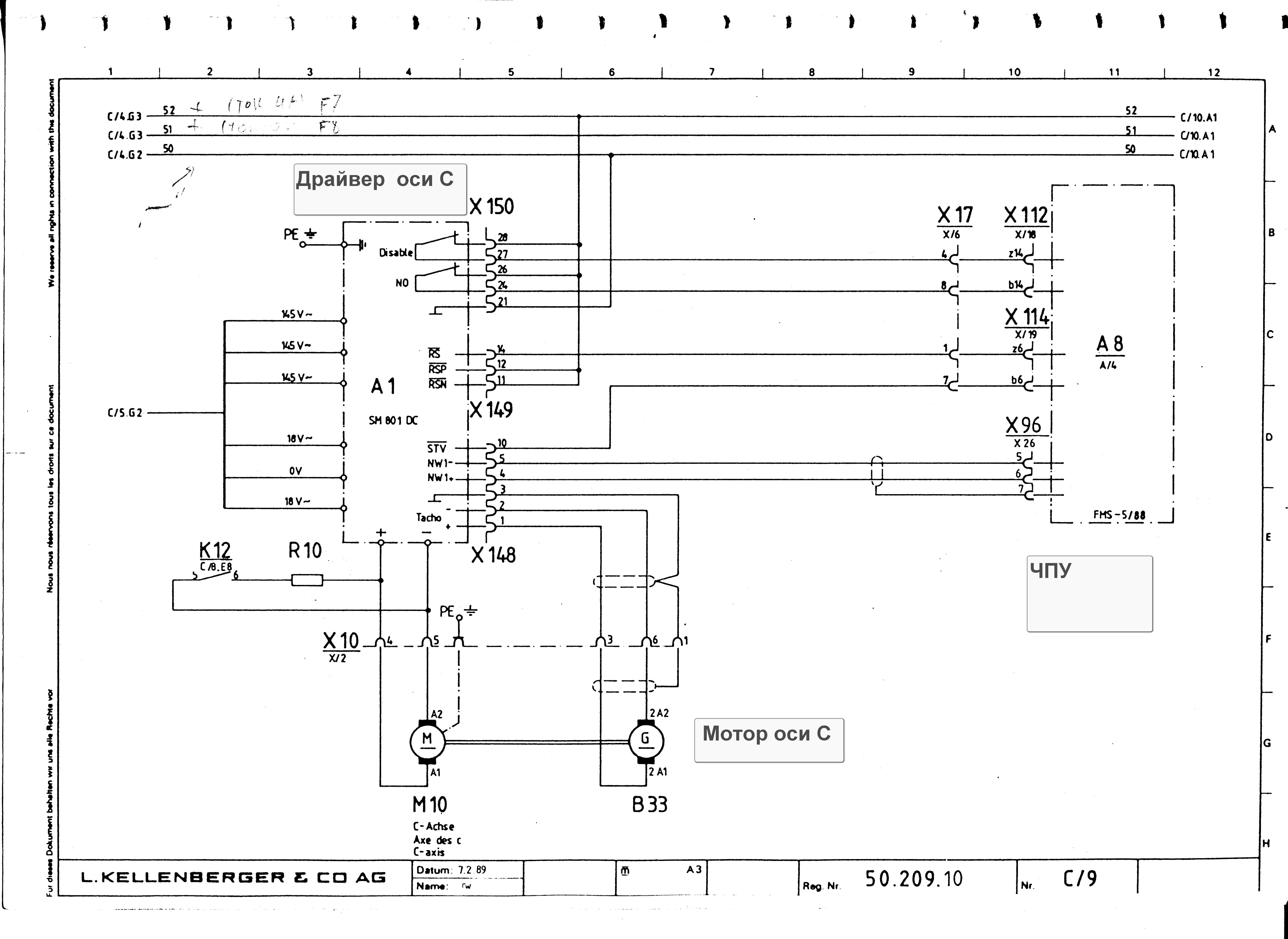
Схемы подключения драйверов
Драйвера Heldt&Rossi
Собственно вопрос по общению ЧПУ с драйверами - если по X Z есть сигнал готовности драйвера и видимо разрешение от ЧПУ ему работать ( RS), то зачем дополнительный протокол общения с С? И что это за сигналы вообще?
Паспортов на драйвера нет и не нагуглил, но думаю логика работы у DC драйверов должна быть достаточно стандартная. Может подскажете что.
Re: ЧПУ на KELLENBERGER UR 175*1500
Добавлено: 10 мар 2019, 08:56
Alex63
Нашел таки в просторах интернета документацию на sm807 на французском, может кому будет интересно.
Из того что понял и домыслил
- Disable - драйвер выставляет (т е контакты 27 и 28 замкнуты) при готовности, убирает при одной из 8 внутренних аварийных ситуаций по току, температуре и т п
- STV - команда остановки вращения от ЧПУ, по ней драйвер должен остановиться и держать точку останова с усилием
- RS - команда общей блокировки работы драйвера, скорее всего при этом выходные транзисторы разомкнуты и коллектор двигателя легко крутится
- NO - драйвер выставляет (т е контакты 24 и 26 замкнуты) при остановке (скорости вращения = 0)
Поправьте, если ошибаюсь.
Re: ЧПУ на KELLENBERGER UR 175*1500
Добавлено: 10 мар 2019, 12:19
Alex63
Продолжу логику обеспечения безопасности.
1. Реле "CNC ready" по видимому должно логически собирать три сигнала разрешения
- родная кнопка Кфлопа EmStop, которая активизируется после инсталяции ПО
- проверка что все оси инициализированы
- все драйвера дают сигнал Desabled (при включенной больше 1-2 сек силе)
Нарушение любого из этих условий должно отключать силовое питание приводов.
Кстати, если в Кмоушен выбрана команда Убить Моторы при наезде на концевики, физически что делает программа? Как она знает, на каком пине мы программируем аварийный стоп?
Неясна логика использования команды RS на драйвера.
Например,
1 вариант - использует Rs при запуске - при подаче силы RS=0, ЧПУ ждет установки Disable в 1 и затем разрешает Rs=1 драйверу работу.
2 вариант - при подаче силы ЧПУ сразу ставит RS=1, ждет какое то время 1 в Disable, дожидается и работаем. Тогда зачем он нужен? в КАКОМ СЛУЧАЕ? - т е зачем отключать силовую часть привода независимо от других приводов?
И вообще выставляется ли Disable в нз состояние при RS=0?
Re: ЧПУ на KELLENBERGER UR 175*1500
Добавлено: 12 апр 2019, 13:33
Alex63
Дела потихоньку движутся.
За это время куплена и уже в работе плата Коннект,

- Платы
сделал пульт как хотелось,
собран стенд - это собственно платы, ноут с программами, пульт, подключен двигатель Дельта в режиме Аналога и с его энкодера сигнал на ось.

- Пульт_Стенд
Собственно, почти все уже работает в стендовом режиме
- маятник,
- управление маховичками перемещений осей X Z,
- задание параметров FRO & SSО от переменных резисторов с пульта
- включение шпинделя и регулировка его скорости с пульта,
- обнуление DRO с пульта,
- включение приводов с пульта/безопасность
Почти все решения из стандартных примеров (кроме SSO), с компоновкой и взаимодействием программ пришлось помучиться - ну первый раз, потихоньку опыт набирается.
Остались еще хвосты, но уже близко перенос со стенда на станок.
Он готовится - сняли стены с щита и стойки, отдали на покраску

- Каркас стойки

- Электрошкаф
По мере продвижения буду выкладывать фото.
Re: ЧПУ на KELLENBERGER UR 175*1500
Добавлено: 19 апр 2019, 14:49
Alex63
Сегодня закончился этап программирования на столе, подключились к станку!..
Основная задача подключения - распайка 7 разъемов и коммутация шлейфов/разъемов станка и связки Кфолоп&Каналог&Коннект... Заняло дня три - это аккуратно и без суеты.
Двигатели ездят, команды пульта выполняются, любимая программа маятника работает.
Из основных задач этого этапа - аккуратно настроить ПИД, написать программу для референса XZ, доработать программу безопасности уже с драйверами станка.
Re: ЧПУ на KELLENBERGER UR 175*1500
Добавлено: 19 апр 2019, 15:40
Alex63
Тема пока не закончена,
вместе с тем, подумал - что может быть полезным ее читателям (кроме гуру)? Один из вариантов - оценить ресурсы на освоение ЧПУ на основе Кфлопа.
До начала марта мы были в поиске - какой вариант ЧПУ выбрать? Свой опыт отсутствует...
Велся поиск и переговоры с различными компаниями, производящими ЧПУ системы и их внедрение. В частности, с модмаш софт, это был основной вариант. Их КП (без железа) за адаптацию к станку и написание программ маятника + обучение нас где то в районе 450 т р, что поставило крест на данном варианте, ну нет таких денег.
Тут Андрей Duhas пролил луч света на возможность реализовать хотелки на Кфлопе!!!
В начале марта было принято решение реализовывать ЧПУ на Кфлопе. Андрей любезно согласился приехать к нам на пару дней и что успеем поделать - спасибо ему огромное! Он написал основу маятника, которую потом уже доделывал и адаптировал. Главный результат - стало понятно, что, набив руку, можно так все делать, что вау! И есть с кем проконсультироваться, если что.
После его приезда дня три приходил в себя после интенсивной работы в новом поле, потом решил консультироваться в крайнем случае, осваивать самому на примерах. Звонил еще несколько (4-6) раз, когда сильно тупил - ну он прокомментирует если захочет, по каким поводам - уже не помню.
В итоге - до сегодняшнего этапа шел чуть больше месяца, практически один и периодически вываливаясь в другие корпоративные задачи. Шеф старался особо не дергать, но неделю где то можно отминусовать.
Re: ЧПУ на KELLENBERGER UR 175*1500
Добавлено: 19 апр 2019, 17:25
Duhas
рад за вас )
как там дела с CheckDone на реальном железе?
Re: ЧПУ на KELLENBERGER UR 175*1500
Добавлено: 19 апр 2019, 22:46
Duhas
Alex63 писал(а):силы в космических лучах ...
щас вас покусают )
Re: ЧПУ на KELLENBERGER UR 175*1500
Добавлено: 20 апр 2019, 02:41
Alex63
Duhas писал(а):CheckDone
заработал, как и MoveAtVel как только подключили двигатель с энкодером по одной оси.