Помогите с GRBL
-
maxvalin
- Кандидат
- Сообщения: 70
- Зарегистрирован: 22 июл 2016, 16:19
- Репутация: 4
- Настоящее имя: Максим
- Контактная информация:
Re: Помогите с GRBL
Если меньше то ели светит, не жжет. Получается это через драйвер питания все идёт 12вольт. По этому жёсткая не линейность.
За тему спасибо!
За тему спасибо!
- staltech
- Почётный участник

- Сообщения: 544
- Зарегистрирован: 01 июл 2016, 22:50
- Репутация: 155
- Настоящее имя: Сергей
- Откуда: Пензенская обл., г. Никольск
- Контактная информация:
Re: Помогите с GRBL
Есть чем померить частоту PWM на 11 выводе? Сегодня лень, завтра посмотрю какая там частота ШИМ по умолчанию в прошивке. В 0.9 была 8кГц а в 1.1 не помню.maxvalin писал(а):Если меньше то ели светит, не жжет. Получается это через драйвер питания все идёт 12вольт. По этому жёсткая не линейность.
Судя по всему нужно уменьшать нелинейность и увеличивать скорость коммутации лазера, иначе про растровую гравировку можно забыть.
-
maxvalin
- Кандидат
- Сообщения: 70
- Зарегистрирован: 22 июл 2016, 16:19
- Репутация: 4
- Настоящее имя: Максим
- Контактная информация:
Re: Помогите с GRBL
Это надо вскрывать лазерный модуль, убирать драйвер и соединять лазерный диод с новым и уже ТТЛ драйвером?
Мда...
Растровая гравировка это когда оттенки есть? Дак в той же теме что дали и есть лазер на шим, без ТТЛ. И там судя по всему лучшие результаты добивались изменением скорости.
Да если честно мне уже не до оттенков, тут хотябы платы смог делать.Сейчас то делаю но очень долго получается. А ещё вырезать мерные, по вектору наверное называется фигуры. А оттенки хрен с ним.. Ибо и так голова треснет от всего.
Замерить нечем, осцилограф старый на 1кГц стоит:) непотянет.
Мда...
Растровая гравировка это когда оттенки есть? Дак в той же теме что дали и есть лазер на шим, без ТТЛ. И там судя по всему лучшие результаты добивались изменением скорости.
Да если честно мне уже не до оттенков, тут хотябы платы смог делать.Сейчас то делаю но очень долго получается. А ещё вырезать мерные, по вектору наверное называется фигуры. А оттенки хрен с ним.. Ибо и так голова треснет от всего.
Замерить нечем, осцилограф старый на 1кГц стоит:) непотянет.
- xenon-alien
- Почётный участник

- Сообщения: 4520
- Зарегистрирован: 01 янв 2013, 13:13
- Репутация: 925
- Настоящее имя: Daniel
- Откуда: Закарпатская обл. Украина
- Контактная информация:
Re: Помогите с GRBL
Эту программу еще не успел протестить.
Человек сбросил мне для выжигалки с переменной скоростью. (на сколько я понял, то для жала)
Может, что и для лазера подойдет.
Человек сбросил мне для выжигалки с переменной скоростью. (на сколько я понял, то для жала)
Может, что и для лазера подойдет.
- selenur
- Почётный участник

- Сообщения: 4605
- Зарегистрирован: 21 авг 2013, 19:44
- Репутация: 1622
- Настоящее имя: Сергей
- Откуда: Новый Уренгой
- Контактная информация:
Re: Помогите с GRBL
Пока еще не все форматы bmp добавил, но взял на заметку что-бы сделатьmaxvalin писал(а): Крешит кстати он бмп после лайаута (максимального размера черно-белые), другие файлы есть и большие в том числе.
Мой сайт: http://selenur.ru
Исходники моих программ: https://github.com/selenur
Instagram https://www.instagram.com/zheigurov/
Исходники моих программ: https://github.com/selenur
Instagram https://www.instagram.com/zheigurov/
-
maxvalin
- Кандидат
- Сообщения: 70
- Зарегистрирован: 22 июл 2016, 16:19
- Репутация: 4
- Настоящее имя: Максим
- Контактная информация:
Re: Помогите с GRBL
Неплохие возможности в вашей программе заложены. Чего только стоит dfx! (Будет стоить)Мерный рез! То что надо. По сути вот так приглядется то кроме убогого inskape с плагинами от народа то ничегошеньки нету. Даже если поискать платную. Работает с grbl, режет по контуру из cad и заштриховывает змейкой, умеет менять интенсивность ну или скорость для оттенков. Да нет таких! Типа слайсера для 3d принтера- набор очень схожий кстати!
-
maxvalin
- Кандидат
- Сообщения: 70
- Зарегистрирован: 22 июл 2016, 16:19
- Репутация: 4
- Настоящее имя: Максим
- Контактная информация:
Re: Помогите с GRBL
xenon-alien, постами выше о ней речь и шла. CHPU Софт от Романа. В виду дружности её с лайаутом то в ней и заготовил платы на прожиг. Парень очень неплохо подошёл к требованиям. Есть у него и платные варианты - ХОРОШИЕ. Но увы все в одном флаконе тоже нету. Купишь для растра, потом прошивки менять чтоб вектором ... Не особо удобно.
-
Serdg
- Новичок
- Сообщения: 4
- Зарегистрирован: 22 дек 2016, 00:51
- Репутация: 0
- Настоящее имя: Сергей
- Контактная информация:
Re: Помогите с GRBL
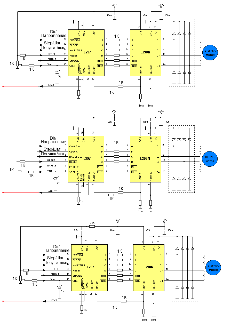
Доброго Всем времени суток! Подскажите пожалуйста, кто нибудь, есть ли какая прошивка для Ардуино Уно, чтобы можно было работать через Grbl Controller, но с драйверами которые управляются по 4(четырем) пинам, типа ULN2003 или L298N. Я сейчас пользуюсь драйверами А4988 у которых управление по двум пинам (Step, Dir), а в запасе ещё ULN2003 с двигателями и L298N. Хотелось бы и их применить. Пробовал использовать совместно с CNC 1.2.6 - не понравилось, очень ограниченая прога. На ней разве что рисовать или контур вырезать. Grbl намного функциональнее.
- VSedoi
- Кандидат
- Сообщения: 86
- Зарегистрирован: 20 окт 2016, 16:20
- Репутация: 2
- Откуда: Салехард
- Контактная информация:
Re: Помогите с GRBL
Может допилить до степдир лучше? связка l297-l298
А uln вообще оставить для щелкания релюшками- это ее удел.
А uln вообще оставить для щелкания релюшками- это ее удел.
-
Serdg
- Новичок
- Сообщения: 4
- Зарегистрирован: 22 дек 2016, 00:51
- Репутация: 0
- Настоящее имя: Сергей
- Контактная информация:
Re: Помогите с GRBL
А если смотреть в сторону LPT порта, то как можно состыковать готовый драйвер L298N и LPT-порт. Нужен ли между ними какой-то буфер или контролер.
- VSedoi
- Кандидат
- Сообщения: 86
- Зарегистрирован: 20 окт 2016, 16:20
- Репутация: 2
- Откуда: Салехард
- Контактная информация:
Re: Помогите с GRBL
Все тот же степ/дир, от перемены мест слагаемых сумма не меняется
298 это не драйвер, это Н мост, кучка транзисторов в одном корпусе.
Делайте степдир и не мучайтесь, это какбы априори один из стандартов, со временем поставите нормальные драйверы и не нужно будет снова городить огород.
298 это не драйвер, это Н мост, кучка транзисторов в одном корпусе.
Делайте степдир и не мучайтесь, это какбы априори один из стандартов, со временем поставите нормальные драйверы и не нужно будет снова городить огород.
-
Serdg
- Новичок
- Сообщения: 4
- Зарегистрирован: 22 дек 2016, 00:51
- Репутация: 0
- Настоящее имя: Сергей
- Контактная информация:
Re: Помогите с GRBL
Да я обеими руками за Step-Dir, просто лежат без дела три дайвера ULN2003 с двигателями и три дайвера L298N, хотелось бы их применить для небольшого станка с ЧПУ. Кстати L298N это не одна микросхема, а полноценный драйвер.
- megagad
- Почётный участник

- Сообщения: 3207
- Зарегистрирован: 05 апр 2014, 18:57
- Репутация: 712
- Откуда: Реуспублика Крым, Бахчисарай.
- Контактная информация:
Re: Помогите с GRBL
Судя по фото - это обычный "мост" для цепляния оной к ардуинеSerdg писал(а):Кстати L298N это не одна микросхема, а полноценный драйвер.
"Уной" можно рулит аж тремя 298-ми. но вот врядли ей хватит "скорости" для руления и для рассчёта траектории сразу. Да и проект "Grbl Controller" по сути это именно степ-дир проект! и под "прямое управление" придётся переписывать всё практически с нуля!
We Do What We Must, Because We Can!
Причинять добро, наносить пользу и подвергать ласке.
Причинять добро, наносить пользу и подвергать ласке.
-
Serdg
- Новичок
- Сообщения: 4
- Зарегистрирован: 22 дек 2016, 00:51
- Репутация: 0
- Настоящее имя: Сергей
- Контактная информация:
Re: Помогите с GRBL
Всё правильно. Это драйвер который управляется контролером Ардуино. Но не в этом суть. Забудем о степ-дирах, о Grbl. Я перефразирую вопрос. Можло ли с помощью какой нибудь программы обрабатывать векторные изображения на самодельном станке с ЧПУ в котором управление идёт через Ардуино УНО и драйвер типа L298N или ULN2003, которые управляются по четырёх пинах? Извиняюсь, что мой вопрос мало касается даной ветки форума.
- selenur
- Почётный участник

- Сообщения: 4605
- Зарегистрирован: 21 авг 2013, 19:44
- Репутация: 1622
- Настоящее имя: Сергей
- Откуда: Новый Уренгой
- Контактная информация:
Re: Помогите с GRBL
Готового решения нет, есть конечно куча программ с исходниками, как для компьютера, так и для ардуины, но потребуется не мало времени, что-бы это объединить.....Serdg писал(а):Всё правильно. Это драйвер который управляется контролером Ардуино. Но не в этом суть. Забудем о степ-дирах, о Grbl. Я перефразирую вопрос. Можло ли с помощью какой нибудь программы обрабатывать векторные изображения на самодельном станке с ЧПУ в котором управление идёт через Ардуино УНО и драйвер типа L298N или ULN2003, которые управляются по четырёх пинах? Извиняюсь, что мой вопрос мало касается даной ветки форума.
Мой сайт: http://selenur.ru
Исходники моих программ: https://github.com/selenur
Instagram https://www.instagram.com/zheigurov/
Исходники моих программ: https://github.com/selenur
Instagram https://www.instagram.com/zheigurov/
-
maxvalin
- Кандидат
- Сообщения: 70
- Зарегистрирован: 22 июл 2016, 16:19
- Репутация: 4
- Настоящее имя: Максим
- Контактная информация:
Re: Помогите с GRBL
В ribs я вырезаю по вектору. В принципе работает. Можно после корела резать. И это все на uno.
Сам целых 2 недели убил на поиски. В итоге 2 рубля отдал и не жалею. Порога своё дело делает.
Сам целых 2 недели убил на поиски. В итоге 2 рубля отдал и не жалею. Порога своё дело делает.
- staltech
- Почётный участник

- Сообщения: 544
- Зарегистрирован: 01 июл 2016, 22:50
- Репутация: 155
- Настоящее имя: Сергей
- Откуда: Пензенская обл., г. Никольск
- Контактная информация:
Re: Помогите с GRBL
Здесь идет обсуждение совсем другой темы. Об управлении не стандартными драйверами, то есть не по протоколу Step Dir.maxvalin писал(а):В ribs я вырезаю по вектору. В принципе работает. Можно после корела резать. И это все на uno.
Сам целых 2 недели убил на поиски. В итоге 2 рубля отдал и не жалею. Порога своё дело делает.
-
SergeSergevich
- Новичок
- Сообщения: 8
- Зарегистрирован: 14 май 2016, 15:11
- Репутация: 33
- Настоящее имя: Сергей
- Контактная информация:
Re: Помогите с GRBL
Здравствуйте, Уважаемые
А никто не сталкивался с проблемой, что grbl не понимает команд сверления G81, G82, G83 и судя по всему понимать не будет =(
Копаю код в этом направлении, есть огромное желание сделать поддержку этих команд. Может кто уже победил? А я тут велосипед изобретаю...
А никто не сталкивался с проблемой, что grbl не понимает команд сверления G81, G82, G83 и судя по всему понимать не будет =(
Копаю код в этом направлении, есть огромное желание сделать поддержку этих команд. Может кто уже победил? А я тут велосипед изобретаю...
-
AndreiCNC2418
- Новичок
- Сообщения: 9
- Зарегистрирован: 21 май 2017, 08:08
- Репутация: 0
- Настоящее имя: Андрей
- Контактная информация:
Re: Помогите с GRBL
Всем привет. Парни, кто подключал RIBS к станку 2418 с платой woodpecker?
- ArrSoft
- Мастер
- Сообщения: 424
- Зарегистрирован: 20 май 2017, 18:31
- Репутация: 235
- Настоящее имя: добродушненький
- Контактная информация:
Re: Помогите с GRBL
перемычку поставьте и всего деловSergunec126 писал(а):У меня на выходе драйвер User Guide for 3 axis TB6560 driver board (синяя плата). Без подключения Enable не работает!!!