Страница 4 из 46

Re: StepMaster - Отзывы, Вопросы, Советы.

Добавлено: 15 окт 2014, 13:01
Nick
AlexTskan писал(а): А у меня электрика вся на станке включается реле, которое на степмастере.
Лучше всего поставить пускатель на включение станка. И никаких проблем не будет, а то так ненароком может и шпиндель включиться...

Re: StepMaster - Отзывы, Вопросы, Советы.

Добавлено: 16 окт 2014, 12:30
michael-yurov
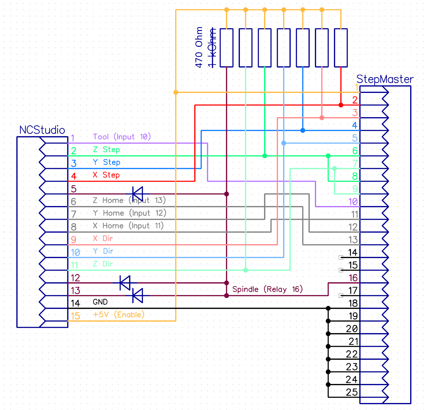
NcStudio2.jpg (12636 просмотров) <a class='original' href='./download/file.php?id=35049&mode=view' target=_blank>Загрузить оригинал (938.72 КБ)</a>
Набросал схему соединения NCStudio и StepMaster.
(для просмотра содержимого нажмите на ссылку)
NCStudio-StepMaster.png (12636 просмотров) <a class='original' href='./download/file.php?id=35048&mode=view' target=_blank>Загрузить оригинал (201.07 КБ)</a>
Пробовал, подключал, работает.
Дополнил подтягивающими резисторами:
2014-10-27 23-35-32 Скриншот экрана.png (11448 просмотров) <a class='original' href='./download/file.php?id=44795&mode=view' target=_blank>Загрузить оригинал (96.78 КБ)</a>
Хочу сказать, что плата NCStudio и StepMaster прекрасно дополняют друг друга!

Как я уже говорил, исходный сигнал NCStudio довольно грубый, частота изменяется ступенчато, а в моменты смены появляется небольшая задержка.
Да и максимальная частота сигнала достаточно скромная (47 кГц).
Эти недостатки прекрасно исправляет плата StepMaster.

Более того, планировщик траектории NCStudio написан так, что на стыках сегментов появляется кратковременное превышение заданных ускорений,
В этом плане StepMaster позволяет сделать работу станка более мягкой.

Так же в NCStudio есть параметр настройки, позволяющий задать ненулевую начальную скорость. С одной стороны это позволит сократить время обработки, особенно на рельефах,
но с другой стороны, бесконечно высокое ускорение на стыках сегментов негативно влияет на механику, и приводит к вибрациям, снижающим качество обработки.
StepMaster полностью устраняет описанные недостатки, позволяет повысить скорость обработки, получив при этом равномерное, плавное и точное движение станка.

Re: StepMaster - Отзывы, Вопросы, Советы.

Добавлено: 16 окт 2014, 16:56
keyy
А если к шнуру от NcStudio припаять разъём от шнура LPT ?

Re: StepMaster - Отзывы, Вопросы, Советы.

Добавлено: 16 окт 2014, 19:38
michael-yurov
keyy писал(а):А если к шнуру от NcStudio припаять разъём от шнура LPT ?
Я бы не стал бы портить шнур от NCStudio - хороший у нее шнур.

Можно ведь к терминальной платке подпаяться.

Re: StepMaster - Отзывы, Вопросы, Советы.

Добавлено: 16 окт 2014, 20:21
sertix
michael-yurov писал(а):Набросал схему соединения NCStudio и StepMaster.
Михаил, как я понял выводы 5,12,13 NCStudio для управлением скоростью шпинделя тупо включают реле шпинделя? Какие есть варианты передать эти сигналы нормально к инвертору?

Re: StepMaster - Отзывы, Вопросы, Советы.

Добавлено: 16 окт 2014, 20:27
michael-yurov
sertix писал(а):
michael-yurov писал(а):Набросал схему соединения NCStudio и StepMaster.
Михаил, как я понял выводы 5,12,13 NCStudio для управлением скоростью шпинделя тупо включают реле шпинделя? Какие есть варианты передать эти сигналы нормально к инвертору?
Да просто включает Реле.

Если ранее шпиндель был подключен к NCStudio и позволял программно изменять скорость - можно так и передавать сигнал, как это было раньше в обход СтепМастера.

Эта плата СтепМастера не поддерживает возможность регулировки оборотов шпинделя, даже ступенчато, как это предлагает NCStudio.

Re: StepMaster - Отзывы, Вопросы, Советы.

Добавлено: 16 окт 2014, 20:39
AlexTskan
Nick писал(а):
AlexTskan писал(а): А у меня электрика вся на станке включается реле, которое на степмастере.
Лучше всего поставить пускатель на включение станка. И никаких проблем не будет, а то так ненароком может и шпиндель включиться...
как раз реле и включает пускатель. и шпиндель стоит после пускателя.
но надеюсь по модбас сделать управление на частотник. часть проблемы исчезнет.
приходится грибок отпускать уже после закрузки емц.

Re: StepMaster - Отзывы, Вопросы, Советы.

Добавлено: 20 окт 2014, 17:24
shalek
Всем здравствуйте!
Хочу поделиться небольшим тестом и отзывом о фильтре STEPMASTER Михаила Юрова.
Вначале небольшое вступление. Опишу систему на которой тестировалась электроника.
Intel(R) Pentium(R) Dual CPU E2220 @ 2.40GHz
ОЗУ 2 ГБ, video интегрированное 256МБ, SSD 16ГБ
Установлена Windows XP SP3 (под Mach3 не оптимизировалась)
Теперь о станке:
Портального типа из Д16 толщиной 12мм
По оси Y два мотора
Все моторы 57BYGH76-401A. На все моторы выставлен ток в драйверах Peak 3.31A
Драйвера Leadshine DM442
Блок питания импульсный 36в 600Вт
По всем осям ШВП 1605 напрямую к моторам
Рабочая область 525x290x70
Установлены китайские зеленые емкостные датчики Home.
Теперь собственно о тестах.
На первом видео снято видео работы или имитации работы Mach3 с обычной интерфейсной платой DXB-54. Шпиндель не запускался для того, чтобы механику услышать лучше. Скорости и ускорения можно почитать на видео. Скажу только, что максимум чего добился – это 6000мм/мин. Ускорения тоже не слишком большие. На такой скорости конечно с моим рабочим полем не разгонишься, но попонтоваться на холостых переездах можно было. О звуках перемещений можно тоже из видео судить. Но в общем система с такими настройками реально работала. Был вырезан не один рельеф. Сбоев и пропусков шагов не было.
https://www.youtube.com/watch?v=aLHfgAXPiYA
Теперь второе видео. Здесь уже система Ncstudio 5.5.60 с красной платой Тенгеля.
В сравнении с предыдущим тестом работает намного стабильнее и мягче. В принципе кое какое описание понятно из видео. Кушает огромные файлы УП. Mach3 обычно на таких виснет. Надежная получилась система.
https://www.youtube.com/watch?v=oEZng5BVdno
И наконец плавно переходим к тесту, который в третьем видео. Это использование фильтра совместно с Mach3.
Оговорюсь, что подключение прошло отлично. Все настолько просто, что ошибиться в принципе невозможно. Для начала выставил коэффициент умножения частоты STEP x1 (чтобы меньше в настройках изменять). Уровень фильтрации поставил минимальный. Запускаю. Вначале подумал, что оглох. Таким тихим стали перемещения. Потом попривык и стал прислушиваться как в китайских блоках шарики с шелестом перекатываются. Но первое впечатление от понижения шумности осталось. Моторы просто каким-то образом поменяли свой звук. Скорость 6500мм/мин
Ускорения по всем осям 3000 ставил. Это ж тест все таки! Никаких приключений! Пропуски начались, когда ускорение 4000 по всем осям влупил.
Далее изменил шаг на драйвере на 1/32 и поставил коэффициент 8. Установил максимальный режим фильтрации. Настроил импульсы и стал скорость подымать. И вот позади планка в 6500мм/мин а пропусков все нет. В общем дошел до стабильных 9000мм/ми при ускорении 1000. И это по всем осям. Стабильные, мягкие перемещения без пропусков. Да на видео можно увидеть. Если ускорения 1000 кому-то покажется мало, то можно чуть скинуть скорость (до 8000), а ускорение до 2000 поднять. Легко.
Средний режим фильтрации работал с аналогичными параметрами. В минимальном режиме фильтрации удалось добиться стабильных 8000мм/мин при ускорении 1000. И это на всех осях. А вот на жестком режиме пришлось скинуть скорости до 7000мм/мин.
От просто попробовать скинул скорость до 7м/мин, а ускорения подымал до 10000. Правда после 2-3 тысяч разницу уже и не видно, но однако все без проблем работает. При малом ускорении 250 и на максимальном режиме фильтрации разгонял до 12000мм/мин. На 13 тысячах уже шаги пропускать стал.
Раньше (без фильтра) такие обороты мои моторам и не снились. Даже с очень малыми ускорениями. Но тест тестом, а реально такие скорости на таком столе никому и не нужны. Поэтому ограничив до 5-6 м/мин станок под управлением Mach3 становится не глюковатым созданием, а вполне полноценным станком.
Отмечу, что во всех тестах использовался один и тот же набор УП, но сохраненными своими постпроцессорами файлы. И если раньше в Mach3 при загрузке 50 метрового файла чистовой УП система безбожно тормозила, то с фильтром мне почему-то этого не заметилось.
Да! И на последок. Обнаружилось странное поведение температуры моторов при работе с фильтром. Возможно мне показалось, но реальные замеры говорят о том, что моторы почему-то намного холоднее стали. Если раньше они грелись до 52-58 градусов и держали эту температуру все время, то теперь мерял только 33 градуса после получасовой работы. Надо понаблюдать.
В конце третьего видео есть моменты, когда я выставлял большие ускорения, то обработка рельефа реально к 5м/мин подходила. Так же видно как я на ходу подачу менял от малой до 200%. Это реально круто! Быстро и без каматозных дерганий. У меня на скринсете есть такая кнопочка Verify. Как я понимаю если ее нажать после обработки УП, то станок едет хоумиться и возвращается в начальную точку, а в строке сообщений прописывает на сколько и какая из осей потеряла координату в процессе работы. В ролике я нажимал и погрешности видны, но это +- погрешности датчиков. Без фильтра я боялся дышать в сторону монитора, клавиш и мыши. Особенно когда УП на полтора миллиона строк. В общем Mach3+фильтр дали новую жизнь ЧПУ.
А ведь у некоторых реально большие столы. Вот тут-то и пригодится большая скорость.
Эффект от фильтра потрясный. Много настроек. Все так сразу и не попробуешь.
Кстати при установке фильтра я распаял LPT планку на Ncstudio. Теперь у меня две системы в одном флаконе. Переход с одной на другую осуществляется перекидыванием кабеля с LPT материнки на выносной LPT, к которому подключена Ncstudio и изменении PD001 в частотнике. Нцшка с фильтром также мягко и устойчиво работает. Скорости по 9000мм/мин стоят. Она чем хороша, что файлы большие принимает. И с планировщиком траекторий вроде как получше, хотя мне кажется в Mach3 путем настроек то же самое будет.
Остановился пока на максимальном режиме фильтрации. Шаг на драйвере 1/32, коэффициент x8.
https://www.youtube.com/watch?v=VOnmQ3hTV3I
В общем, от STEPMASTERа одни плюсы. Чего не скажешь о китайских железяках, на которых я строил свой станок. Как и в любом компьютере, теперь механика стала узким местом в системе. Вот если бы на рельсах, да винты покачественней, а не проточенные хреновыми токарями, то тогда и зазвучало бы по-другому.
Если возникнут вопросы по видео, то можно в личку. Качество видео оставляет желать лучшего. И прошу прощения за стол, на котором временно стоит станок. Это просто журнальный стол на двух ногах.

Re: StepMaster - Отзывы, Вопросы, Советы.

Добавлено: 20 окт 2014, 18:47
michael-yurov
Большущее спасибо - шикарный обзор!
shalek писал(а):Да! И на последок. Обнаружилось странное поведение температуры моторов при работе с фильтром. Возможно мне показалось, но реальные замеры говорят о том, что моторы почему-то намного холоднее стали. Если раньше они грелись до 52-58 градусов и держали эту температуру все время, то теперь мерял только 33 градуса после получасовой работы. Надо понаблюдать.
Так и должно быть. Но я не ожидал, что разница может оказаться заметной.
shalek писал(а):Так же видно как я на ходу подачу менял от малой до 200%. Это реально круто! Быстро и без каматозных дерганий.
Тут есть такой момент, что Mach3 строит скругления пологих углов траектории исходя из текущих настроек ускорения так, чтобы при 100% скорости скругления были минимальными, и при этом ускорения не превышали разрешенные. Если установить FRO на 200% - Mach3 будет сбрасывать скорость до 100% перед каждым таким скруглением (т.к. на бОльшей скорости его не пройти не превышая ускорения), а потом - разгоняется обратно до 200%.
Таким образом - лучше сразу в файле УП задать необходимую скорость обработки, и не злоупотреблять регулятором FRO во время работы.
shalek писал(а):Качество видео оставляет желать лучшего.
Отличное видео.
Долгое, конечно, но я все посмотрел.

Да, кстати, увидел срывы при резком подъеме шпинделя.
Возможно, не хватает запаса заряда в блоке питания.
Если блок питания импульсный - я бы советовал бы добавить конденсаторов на выход. Это было бы полезно для работы с большими ускорениями.

Re: StepMaster - Отзывы, Вопросы, Советы.

Добавлено: 20 окт 2014, 18:59
shalek
michael-yurov писал(а):Да, кстати, увидел срывы при резком подъеме шпинделя
Там просто ускорение около 2000 стояло. Скинул до тысячи и все в порядке. Хотелось посмотреть максимальные возможности.
А насчет кондеров - да. Лишними не будут. Хотя бы тысяч 10мкф
А вообще впечатлений масса и все положительные. Как быстро мы привыкли к сотовым, так быстро и к фильтру привыкаешь. А кто из нас сейчас без телефона сможет? А я без фильтра уже не представляю электронику.
Из пожеланий к создателю устройства: Хотелось бы чтобы было некой таблицы или формулы по расчету импульсов с учетом коэффициента умножения частоты, шага драйвера и шага винта.

Re: StepMaster - Отзывы, Вопросы, Советы.

Добавлено: 20 окт 2014, 23:35
ukr-sasha
Такие ускорения не для этого станка - он весь изгибается от перегрузок. ИМХО
А обзор действительно классный!

Re: StepMaster - Отзывы, Вопросы, Советы.

Добавлено: 21 окт 2014, 03:31
michael-yurov
ukr-sasha писал(а):Такие ускорения не для этого станка - он весь изгибается от перегрузок. ИМХО
А обзор действительно классный!
На самом деле - не такие уж жуткие ускорения - ведь под действием силы тяжести он не изгибается! А, ускорение свободного падения - 9800 мм/с2.
И еще - из за S-образного изменения скорости (совсем немного изменяется кривая разгона, но этого, оказалось достаточно), вибрации рамы при ускорении практически отсутствуют, и изгиб элементов конструкции минимален.

Re: StepMaster - Отзывы, Вопросы, Советы.

Добавлено: 21 окт 2014, 07:11
ukr-sasha
michael-yurov писал(а):
ukr-sasha писал(а):Такие ускорения не для этого станка - он весь изгибается от перегрузок. ИМХО
А обзор действительно классный!
На самом деле - не такие уж жуткие ускорения - ведь под действием силы тяжести он не изгибается! А, ускорение свободного падения - 9800 мм/с2.
И еще - из за S-образного изменения скорости (совсем немного изменяется кривая разгона, но этого, оказалось достаточно), вибрации рамы при ускорении практически отсутствуют, и изгиб элементов конструкции минимален.
Миша, но он же не падает. :wik: :)
На последнем видео четко видно, как при смене направления движения портал колышется.
Ладно, спорить не буду, это моё личное мнение.
П.С. Хоть СтепМастер и выполняет свои обязанности, но я бы на этом станке уменьшил хотелки. :hehehe:

Re: StepMaster - Отзывы, Вопросы, Советы.

Добавлено: 21 окт 2014, 08:07
shalek
ukr-sasha писал(а):я бы на этом станке уменьшил хотелки
Так это для теста. Реально ускорения максимум 1000. Да и столик хлипкий под станком. На самом деле не сильно его колбасит (если на опоры поставить)

Re: StepMaster - Отзывы, Вопросы, Советы.

Добавлено: 21 окт 2014, 08:14
Сергей Саныч
Плюс еще могут накладываться фокусы компенсации тряски от ютуба.

Re: StepMaster - Отзывы, Вопросы, Советы.

Добавлено: 21 окт 2014, 10:02
Nick
+медалька! Отличный отзыв :good:!

ЗЫ стол в последнем видео очень смешно качается :)

Re: StepMaster - Отзывы, Вопросы, Советы.

Добавлено: 21 окт 2014, 10:20
michael-yurov
ukr-sasha писал(а): Миша, но он же не падает. :wik: :)
Если бы падал -тогда сила земного притяжения была бы компенсирована.
А так сила притяжения в 5 раз выше, чем сила возникающая при движении с ускорением 2000 мм/с2.
Т.е. под действием силы притяжения станок должен прогибаться в 5 раз сильнее, чем под действием таких ускорений.

Проблема высоких ускорений именно в вибрации элементов конструкции станка. А здесь эти вибрации минимальны.

Re: StepMaster - Отзывы, Вопросы, Советы.

Добавлено: 21 окт 2014, 10:23
michael-yurov
Сергей Саныч писал(а):Плюс еще могут накладываться фокусы компенсации тряски от ютуба.
Еще стоит учесть построчную запись изображения видеокамерой (особенно заметно в телефонах и авторегистраторах).

Re: StepMaster - Отзывы, Вопросы, Советы.

Добавлено: 26 окт 2014, 13:45
keyy
Решил подключить NcStudio. Соединил StepMaster с платкой NcStudio по схеме от Михаила.
Станок перестал нормально работать. Моторы срываются по любому случаю, мах. скорость 2500мм/мин при ускорении 100мм/мин, после прекращения движения ось ещё какое-то время движется по инерции. Ось Х движется рывками то разгоняясь, то замедляясь. Все оси изменили направление движения. В общем какая-то хрень!
Что могло случится? Где посмотреть?

Re: StepMaster - Отзывы, Вопросы, Советы.

Добавлено: 26 окт 2014, 14:06
michael-yurov
Я так понял, до этого от LPT нормально работал?

Странное поведение.
Ноль нормально соединен между терминальной платкой и степмастером?
Нигде ничего не коротит?

Количество шагом на миллиметр правильно задано, с учетом умножения на плате?
Что еще подключено к терминальной платке?

Оси ведут себя одинаково?

Видео бы посмотреть...