Драйвер униполярного ШД на SLA7029M

Шаговые и серво двигатели, шпиндели, инверторы.
Аватара пользователя
Serg
Мастер
Сообщения: 21923
Зарегистрирован: 17 апр 2012, 14:58
Репутация: 5183
Заслуга: c781c134843e0c1a3de9
Настоящее имя: Сергей
Откуда: Москва
Контактная информация:

Re: Драйвер униполярного ШД на SLA7029M

Сообщение Serg »

megagad писал(а):6:18 - сборка шаговиков - роторы УЖЕ намагничены и просто стоят на столе!!!
Откуда известно, что они УЖЕ намагничены?..

В принципе намагнитить в сборе можно, думаю даже используя штатные обмотки. Не смотря на 100500 "секций" полюсов всё равно всего два. Алюминиевые крышки тут не помешают - они в стороне от магнитного поля.

P.S. Есть положительный опыт намагничивания в сборе BLDC.
Я не Христос, рыбу не раздаю, но могу научить, как сделать удочку...
Крылатый
Опытный
Сообщения: 124
Зарегистрирован: 28 мар 2014, 21:40
Репутация: 28
Контактная информация:

Re: Драйвер униполярного ШД на SLA7029M

Сообщение Крылатый »

Это видео я тоже смотрел.
На нём в роторах уже неодимовые магниты впихнуты, а как я понял более там ничего не намагничивают. Их силы достаточно и так.
В моём же ШД в роторе феритовый магнит. Я его вчера перемагничивал и так и этак полюсами и размагничивал в ноль.
В сборе со статором пробовал намагнитить и даже поверх обмоток башмаков наматывал катушки из толстого провода и тоже акум на них разряжал...
Никакого эффекта.
Нужна теория.
Что с чем должно намагнитится и как магнитные линии должны быть расположены?
Логики не вижу намагничивать статор.
Я его снаружи по всякому неодимовыми магнитами облеплял, он аж клинил от магнетизма, но драйвер его даже не смог прокрутить. и Правильно, что не смог, ведь статор должен менять полярность синхронно шагу. Значит его намагничивать нет смысла.
Какие есть идеи.
Говорите... Щас сразу исполню.
Крылатый
Опытный
Сообщения: 124
Зарегистрирован: 28 мар 2014, 21:40
Репутация: 28
Контактная информация:

Re: Драйвер униполярного ШД на SLA7029M

Сообщение Крылатый »

Я уже начал на китайском языке искать. Вот нашлось что то, на вид про ШД, но на слух сплош про Путина что то загоняет))
https://youtu.be/9sqfcDjuLwA
Крылатый
Опытный
Сообщения: 124
Зарегистрирован: 28 мар 2014, 21:40
Репутация: 28
Контактная информация:

Re: Драйвер униполярного ШД на SLA7029M

Сообщение Крылатый »

Вот с китайского перевёл:

Почему шаговый двигатель теряет магнетизм при разборке? ? ? Это можно исправить?
Благодаря профессиональному объяснению друга, который знает шаговый двигатель. Спасибо? Если это можно починить, как я могу это исправить?

Что касается потери магнетизма, это означает, что кропили десятки тысяч слов.
Проще говоря, это связано со свойствами магнитного материала. Все шаговые двигатели имеют сильный магнит, чем выше напряженность магнитного поля, тем лучше производительность, насколько сильной она будет, поэтому производители используют магниты NdFeB с высокой напряженностью магнитного поля (самый большой магнитный утюг из NdFeB) Кислородное тело (черный магнит) более чем в 10 раз выше!), И оно заряжено до магнитного насыщения. В это время, когда магнитная цепь открыта, она больше не закрывается. Амплитуда «магнитного ослабления» довольно велика, пока уделяется внимание. Легко обнаружить.
Что касается потери магнитного ремонта, то в любительских условиях это практически невозможно, и требуется специальное оборудование. У производителей определенно есть способ, вы можете попробовать.

Размагниченный двигатель не следует использовать повторно, а стоимость обслуживания слишком высока.

Потому что ток обмотки будет намного больше, чем до размагничивания.

Это должно быть потому, что перегрузка по току приводит к повреждению привода и замене двигателя.

Шаговый двигатель представляет собой шаговый двигатель элемента управления с разомкнутым контуром, который преобразует электрический импульсный сигнал в угловое или линейное смещение.
Крылатый
Опытный
Сообщения: 124
Зарегистрирован: 28 мар 2014, 21:40
Репутация: 28
Контактная информация:

Re: Драйвер униполярного ШД на SLA7029M

Сообщение Крылатый »

Вот ещё перевод есть более близкий к пониманию:

Источник новостей: 2019-06-05 10:49:36
В принципе,   обычно используемый шаговый двигатель делится на два типа: реактивный шаговый двигатель и гибридный шаговый двигатель. Реактивный шаговый двигатель можно разобрать. Никогда не разбирать гибридный шаговый двигатель. Крутящий момент сложен пополам, а тяжелый полностью украшен. В основном смешанный тип сильного магнитного материала алюминий-никель-кобальт, этот материал устойчив к высоким температурам, высокая температура не размагничивается, он заряжается до насыщения во время производства, если он разобран, магнитная цепь больше не закрыта, магнитный сердечник Будут ослаблены, нужно специальное намагничивающее оборудование, обычные люди не могут решить, если использование материалов NdFeB, общая проблема разборки не большая.

Ротор с   гибридным шаговым двигателем с постоянным магнитом (общий 1,8 градуса, 0,72 градуса) не может быть извлечен, иначе он размагнитится. Если только у вас нет намагничивания. Я слышал поговорку из прошлого, что при ремонте механической головки магнит должен быть замкнут накоротко к полюсу NS с помощью мягкого утюга, который не потеряет магнетизм, но шаговый двигатель все еще немного проблематичен.

  Если вы должны удалить его, подготовьте магнитный инструмент для «короткого замыкания». Таким же образом разбирается мультиметр типа указателя, разбирается магнитная цепь и снижается магнитная плотность, снижается чувствительность измерительной головки, а ошибка очень велика, и для разборки также используется магнитный метод «короткого замыкания». Когда магнитная цепь должна быть разобрана, она должна быть заранее «замкнута магнитом», то есть магнитомягкий материал размещен на двух магнитных полюсах магнита так, чтобы магнитный поток мог проходить через материал из мягкого железа без опускания, и магнитный зазор можно было разобрать. Когда вы кладете его обратно, вы сначала устанавливаете магнитный зазор, а затем устраняете «магнитное короткое замыкание». Однако иногда «магнитное короткое замыкание» очень сложно. Для шаговых двигателей внутренний диаметр инструмента, используемого для «магнитного короткого замыкания», должен быть равен внутреннему диаметру статора двигателя. Допускается только несколько ошибок в проволоке. Этот инструмент трудно обрабатывать даже на токарном станке. ,

  Нынешний гибридный шаговый двигатель с постоянными магнитами имеет небольшой объем, высокую мощность, небольшой зазор магнитной цепи, всего несколько проводов и должен подготовить магнитное устройство «короткого замыкания», чтобы подключить зазор магнитной цепи, например, для того же внутреннего диаметра, что и статор. Железный цилиндр, который свободно соединяется с ротором. Это не тонкостенный железный цилиндр с толщиной стенки не менее 8-10 мм. Кроме того, ультратонкий железный цилиндр не вставлен в зазор, конец цилиндра расположен напротив статора, цилиндр и статор являются по существу концентрическими, и затем ротор перемещается в осевом направлении от статора в железный цилиндр.

  Двигатель с напечатанным ротором был удален, и намагничивающая катушка намотана вокруг внутренней магнитной стали. Даже если размагничивание, если сам двигатель имеет большой запас крутящего момента, это не влияет на использование. Однако, если мультиметр точно измерен, ошибка, очевидно, слишком велика. Все компоненты, в которых используются материалы с постоянными магнитами, такие как динамики, мультиметры-указатели, двигатели с постоянными магнитами ... Не разбирайте магнитную цепь, если это не является абсолютно необходимым, в противном случае «ослабление магнитного поля» не может быть восстановлено.
Аватара пользователя
megagad
Почётный участник
Почётный участник
Сообщения: 3207
Зарегистрирован: 05 апр 2014, 18:57
Репутация: 712
Откуда: Реуспублика Крым, Бахчисарай.
Контактная информация:

Re: Драйвер униполярного ШД на SLA7029M

Сообщение megagad »

UAVpilot писал(а):В принципе намагнитить в сборе можно, думаю даже используя штатные обмотки. Не смотря на 100500 "секций" полюсов всё равно всего два. Алюминиевые крышки тут не помешают - они в стороне от магнитного поля.

P.S. Есть положительный опыт намагничивания в сборе BLDC.
О. Нука-нука - а нарисуйте-ка положение полюсов у шаговика и каким образом вы собираетесь при этом "намагничивать" оный родными обмотками ;)
Да и про крышки я не зря писал - вы нарисуйте КАК должны быть расположены якоря намагничивателя при попытке намагничивания шаговика!! Шаговик это не "блдц" - там полюса не по бокам, а ВДОЛЬ ротора! И магнитить так-же нужно ВДОЛЬ! Тоесть - со стороны алюминиевых крышек!
Про секции так-же - обычно с увеличением длины ставят парное количество секций(2-4-6-8). Между парами - обычно алюминиевые шайбы.
Про перевод - ну, видимо китайцы так-же напуганы старыми "железными" магнитами, которые от любого чиха теряли намагниченность. Сейчас всё по другому. да и раньше так-же - с появлением ФЕРРИТОВЫХ магнитов. Но они хрупки! К слову о "динамиках" - вы-же их в руках держали. Ну те, что с чёрными магнитами - сильно они теряли намагниченность при разборке?
We Do What We Must, Because We Can!
Причинять добро, наносить пользу и подвергать ласке.
Аватара пользователя
Mamont
Мастер
Сообщения: 2005
Зарегистрирован: 10 дек 2015, 12:21
Репутация: 391
Настоящее имя: Виталий
Откуда: РБ Минск
Контактная информация:

Re: Драйвер униполярного ШД на SLA7029M

Сообщение Mamont »

На всякий случай спрошу : при запресовке вала в ротор пакет пластин с магнитом не распался, ориентация пакетов осталась прежней? Пакеты должны быть сдвинуты друг относительно друга на ползуба
Аватара пользователя
Serg
Мастер
Сообщения: 21923
Зарегистрирован: 17 апр 2012, 14:58
Репутация: 5183
Заслуга: c781c134843e0c1a3de9
Настоящее имя: Сергей
Откуда: Москва
Контактная информация:

Re: Драйвер униполярного ШД на SLA7029M

Сообщение Serg »

megagad писал(а):О. Нука-нука - а нарисуйте-ка положение полюсов у шаговика и каким образом вы собираетесь при этом "намагничивать" оный родными обмотками ;)
Полностью размагниченный ротор можно намагнитить в любом положении, но использовать нужно только одну из обмоток.
megagad писал(а):Да и про крышки я не зря писал - вы нарисуйте КАК должны быть расположены якоря намагничивателя при попытке намагничивания шаговика!! Шаговик это не "блдц" - там полюса не по бокам, а ВДОЛЬ ротора! И магнитить так-же нужно ВДОЛЬ! Тоесть - со стороны алюминиевых крышек!
Магнитное поле магнитов ротора расположено вдоль оси, но с помощью железа ротора оно разворачивается в нужном направлении, иначе двигатель не смог-бы работать.
Намагничивал вот такие роторы, только вместо обмоток там был магнит:
remont-rotora-generatora-600x401.jpg (3662 просмотра) <a class='original' href='./download/file.php?id=171466&sid=44634b3c023d0b0ef3f4f560a8a41ac9&mode=view' target=_blank>Загрузить оригинал (36.33 КБ)</a>
Я не Христос, рыбу не раздаю, но могу научить, как сделать удочку...
Крылатый
Опытный
Сообщения: 124
Зарегистрирован: 28 мар 2014, 21:40
Репутация: 28
Контактная информация:

Re: Драйвер униполярного ШД на SLA7029M

Сообщение Крылатый »

Mamont писал(а):На всякий случай спрошу : при запресовке вала в ротор пакет пластин с магнитом не распался, ориентация пакетов осталась прежней? Пакеты должны быть сдвинуты друг относительно друга на ползуба
Всё сделал аккуратно. Ничего не повредил, не расслоил. Как было всё залито компаундом так и осталось монолитом.
Что же вы так усомнились то?
Ведь уже вон сколько информации выложено: - "не разбирать - размагнитется!", магнит внутри ротора не неодимовый, что я тестами установил.
Значит тут и был применён таинственный способ.
lkbyysq
Мастер
Сообщения: 2284
Зарегистрирован: 14 май 2016, 09:40
Репутация: 346
Настоящее имя: Станислав Ерофеев
Откуда: Санкт-Петербург

Re: Драйвер униполярного ШД на SLA7029M

Сообщение lkbyysq »

Вот здесь чел тоже стыдливо скрывает процесс сборки на десятой-одиннадцатой минуте.

https://www.youtube.com/watch?v=BRGaken-aRE
Аватара пользователя
Сергей Саныч
Мастер
Сообщения: 9116
Зарегистрирован: 30 май 2012, 14:20
Репутация: 2858
Откуда: Тюмень
Контактная информация:

Re: Драйвер униполярного ШД на SLA7029M

Сообщение Сергей Саныч »

megagad писал(а):О. Нука-нука - а нарисуйте-ка положение полюсов у шаговика и каким образом вы собираетесь при этом "намагничивать" оный родными обмотками
А не надо ничего рисовать. Магнитная цепь магнит-ротор-статор-обмотка существует и она достаточно явно выражена (при определенных положениях ротора). Иначе бы ШД вообще не мог работать. Другое дело, что при намагничивании нужно ротор зафиксировать в определенном положении.
Распространенные неодимовые магниты в ШД вряд ли используются, потому как рабочая температура у них не превышает 80 градусов - слишком близко к максимально допустимой рабочей температуре ШД. Редкоземельные магниты с высокой температурой Кюри существуют, но стоят "отдельные деньги". Так что в распространенные ШД ставят что-то попроще.

Ферритовые магниты от динамиков достаточно легко размагничиваются, особенно в первые дни после разборки. Наблюдал "магнитную пружину", состоящую из нескольких таких магнитов, надетых на стеклянную трубку и повернутых друг к другу одноименными полюсами. Верхние магниты день ото дня медленно, но неуклонно сползали вниз.
Чудес не бывает. Бывают фокусы.
Крылатый
Опытный
Сообщения: 124
Зарегистрирован: 28 мар 2014, 21:40
Репутация: 28
Контактная информация:

Re: Драйвер униполярного ШД на SLA7029M

Сообщение Крылатый »

Это у него современный мотор.
Там неодимовые магниты.
Ничего не намагничивается дополнительно.
Крылатый
Опытный
Сообщения: 124
Зарегистрирован: 28 мар 2014, 21:40
Репутация: 28
Контактная информация:

Re: Драйвер униполярного ШД на SLA7029M

Сообщение Крылатый »

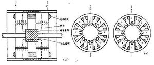
Крылатый писал(а):Если вы должны удалить его, подготовьте магнитный инструмент для «короткого замыкания». Таким же образом разбирается мультиметр типа указателя, разбирается магнитная цепь и снижается магнитная плотность, снижается чувствительность измерительной головки, а ошибка очень велика, и для разборки также используется магнитный метод «короткого замыкания». Когда магнитная цепь должна быть разобрана, она должна быть заранее «замкнута магнитом», то есть магнитомягкий материал размещен на двух магнитных полюсах магнита так, чтобы магнитный поток мог проходить через материал из мягкого железа без опускания, и магнитный зазор можно было разобрать. Когда вы кладете его обратно, вы сначала устанавливаете магнитный зазор, а затем устраняете «магнитное короткое замыкание». Однако иногда «магнитное короткое замыкание» очень сложно. Для шаговых двигателей внутренний диаметр инструмента, используемого для «магнитного короткого замыкания», должен быть равен внутреннему диаметру статора двигателя. Допускается только несколько ошибок в проволоке. Этот инструмент трудно обрабатывать даже на токарном станке.
Это рисунок мотора или намагничивателя?
Вложения
u=1892202958,1914333241&fm=173&app=25&f=JPEG.jpg (3597 просмотров) <a class='original' href='./download/file.php?id=171477&sid=44634b3c023d0b0ef3f4f560a8a41ac9&mode=view' target=_blank>Загрузить оригинал (30.98 КБ)</a>
Крылатый
Опытный
Сообщения: 124
Зарегистрирован: 28 мар 2014, 21:40
Репутация: 28
Контактная информация:

Re: Драйвер униполярного ШД на SLA7029M

Сообщение Крылатый »

Что то вроде такого должно получиться?
Вложения
Намагничиватель.png (3597 просмотров) <a class='original' href='./download/file.php?id=171481&sid=44634b3c023d0b0ef3f4f560a8a41ac9&mode=view' target=_blank>Загрузить оригинал (21.27 КБ)</a>
lkbyysq
Мастер
Сообщения: 2284
Зарегистрирован: 14 май 2016, 09:40
Репутация: 346
Настоящее имя: Станислав Ерофеев
Откуда: Санкт-Петербург

Re: Драйвер униполярного ШД на SLA7029M

Сообщение lkbyysq »

Просто поместить ротор в катушку. Ось ротора вдоль оси катушки.
Сколько магнитов, столько и катушек.
Каждый магнит по центру своей катушки.
Между катушками зазор для замыкания магнитных полей каждой катушки.
И, если я правильно понимаю, катушки полюсами навстречу друг другу.
Ответить

Вернуться в «Двигатели и шпиндели»