Станок 600х400х150 мм
- frezeryga
- Почётный участник

- Сообщения: 13713
- Зарегистрирован: 18 авг 2013, 16:08
- Репутация: 5069
- Откуда: Жуковский
- Контактная информация:
Re: Станок 600х400х150 мм
почему поперечины станины заменили на профиль плашмя? в пластинах из дюраля как изначально в проекте тоже есть некий смысл и не от балды было сделано именно так. потому если нет полного понимания почему сделано именно так и чем будет лучше подругому то лучше не менять конструкцию. в данном случае кроме гемороя вы ничего от этого не получите.
email frezeryga@yandex.ru
instagram https://www.instagram.com/frezeryga
telegram https://t.me/md_cnc_frezeryga https://t.me/frezeryga
instagram https://www.instagram.com/frezeryga
telegram https://t.me/md_cnc_frezeryga https://t.me/frezeryga
- sima8520
- Почётный участник

- Сообщения: 4510
- Зарегистрирован: 24 ноя 2016, 23:35
- Репутация: 1617
- Настоящее имя: Илья
- Откуда: Беларусь, Гомель
- Контактная информация:
Re: Станок 600х400х150 мм
frezeryga
после сборки станка я могу сам их вырезать. поэтому на эти поперечины можно не обращать внимания
после сборки станка я могу сам их вырезать. поэтому на эти поперечины можно не обращать внимания
- frezeryga
- Почётный участник

- Сообщения: 13713
- Зарегистрирован: 18 авг 2013, 16:08
- Репутация: 5069
- Откуда: Жуковский
- Контактная информация:
Re: Станок 600х400х150 мм
а он нужен этот секс? какой смысл их вырезать потом если вы уже в усмерть натрахаетесь с поперечинами из профиля. самый главный смысл в том почему я их сделал именно такими а не из профиля как у вас или еще както подругому кроется в том что я поработав живьем с этим профилем нашел в нем один недостаток. а именно то что середина профиля плоскость между Т пазами находится ниже краев на примерно 0.1мм и если мы притянем к профилю чтото на половину его ширины то оно встанет под углом неизбежно. и смысл именно двух фрезерованных пластин шириной равной ширине профиля заключается в том чтобы зафиксировать профили паралельно и в одной плоскости. конструкция высосана из реальной практики и чтото там менять от балды это только создавать себе проблемы.
email frezeryga@yandex.ru
instagram https://www.instagram.com/frezeryga
telegram https://t.me/md_cnc_frezeryga https://t.me/frezeryga
instagram https://www.instagram.com/frezeryga
telegram https://t.me/md_cnc_frezeryga https://t.me/frezeryga
- sima8520
- Почётный участник

- Сообщения: 4510
- Зарегистрирован: 24 ноя 2016, 23:35
- Репутация: 1617
- Настоящее имя: Илья
- Откуда: Беларусь, Гомель
- Контактная информация:
Re: Станок 600х400х150 мм
Что то меня берут сомнения по поводу "универсального профиля" от Юрия. Если его и сделают в этом году, не окажется ли то, что его нужно будет фрезеровать (под рельсы и опоры)? У меня с фрезеровкой на стороне напряг
- frezeryga
- Почётный участник

- Сообщения: 13713
- Зарегистрирован: 18 авг 2013, 16:08
- Репутация: 5069
- Откуда: Жуковский
- Контактная информация:
Re: Станок 600х400х150 мм
Геометрия больше будет зависить от основного профиля.
email frezeryga@yandex.ru
instagram https://www.instagram.com/frezeryga
telegram https://t.me/md_cnc_frezeryga https://t.me/frezeryga
instagram https://www.instagram.com/frezeryga
telegram https://t.me/md_cnc_frezeryga https://t.me/frezeryga
- sima8520
- Почётный участник

- Сообщения: 4510
- Зарегистрирован: 24 ноя 2016, 23:35
- Репутация: 1617
- Настоящее имя: Илья
- Откуда: Беларусь, Гомель
- Контактная информация:
Re: Станок 600х400х150 мм
Прикинул я сегодня реальный бюджет: в 2000$ не влезу
На одни комплектующие только 1000$ уйдет, не считая рельсы и каретки.
Кстати о комплектующих, AKD фирма опор - как вам? Судя по цене, в 2 раза дороже обычного ширпотребского Китая (С7 класс)
На одни комплектующие только 1000$ уйдет, не считая рельсы и каретки.
Кстати о комплектующих, AKD фирма опор - как вам? Судя по цене, в 2 раза дороже обычного ширпотребского Китая (С7 класс)
- frezeryga
- Почётный участник

- Сообщения: 13713
- Зарегистрирован: 18 авг 2013, 16:08
- Репутация: 5069
- Откуда: Жуковский
- Контактная информация:
Re: Станок 600х400х150 мм
AKD качество хорошее. Но надо брать или с5 там дуплекс. Или с7 там радиалки и в них люфт и его надо убирать. В исходном виде с7 я бы не использовал.
email frezeryga@yandex.ru
instagram https://www.instagram.com/frezeryga
telegram https://t.me/md_cnc_frezeryga https://t.me/frezeryga
instagram https://www.instagram.com/frezeryga
telegram https://t.me/md_cnc_frezeryga https://t.me/frezeryga
- frezeryga
- Почётный участник

- Сообщения: 13713
- Зарегистрирован: 18 авг 2013, 16:08
- Репутация: 5069
- Откуда: Жуковский
- Контактная информация:
Re: Станок 600х400х150 мм
У меня на исходный вариант станка на комплектующие вместе со шпинделем профилем и заготовками выходит 80тр
email frezeryga@yandex.ru
instagram https://www.instagram.com/frezeryga
telegram https://t.me/md_cnc_frezeryga https://t.me/frezeryga
instagram https://www.instagram.com/frezeryga
telegram https://t.me/md_cnc_frezeryga https://t.me/frezeryga
- sima8520
- Почётный участник

- Сообщения: 4510
- Зарегистрирован: 24 ноя 2016, 23:35
- Репутация: 1617
- Настоящее имя: Илья
- Откуда: Беларусь, Гомель
- Контактная информация:
Re: Станок 600х400х150 мм
А где закупаетесь? С Китая всё или по месту жительства?
- frezeryga
- Почётный участник

- Сообщения: 13713
- Зарегистрирован: 18 авг 2013, 16:08
- Репутация: 5069
- Откуда: Жуковский
- Контактная информация:
Re: Станок 600х400х150 мм
с китаЮ.
email frezeryga@yandex.ru
instagram https://www.instagram.com/frezeryga
telegram https://t.me/md_cnc_frezeryga https://t.me/frezeryga
instagram https://www.instagram.com/frezeryga
telegram https://t.me/md_cnc_frezeryga https://t.me/frezeryga
- sima8520
- Почётный участник

- Сообщения: 4510
- Зарегистрирован: 24 ноя 2016, 23:35
- Репутация: 1617
- Настоящее имя: Илья
- Откуда: Беларусь, Гомель
- Контактная информация:
Re: Станок 600х400х150 мм
Ну вы не считаете стоимость фрезерных работ.....frezeryga писал(а):У меня на исходный вариант станка ........ выходит 80тр
- frezeryga
- Почётный участник

- Сообщения: 13713
- Зарегистрирован: 18 авг 2013, 16:08
- Репутация: 5069
- Откуда: Жуковский
- Контактная информация:
Re: Станок 600х400х150 мм
Не считаю.
email frezeryga@yandex.ru
instagram https://www.instagram.com/frezeryga
telegram https://t.me/md_cnc_frezeryga https://t.me/frezeryga
instagram https://www.instagram.com/frezeryga
telegram https://t.me/md_cnc_frezeryga https://t.me/frezeryga
- sima8520
- Почётный участник

- Сообщения: 4510
- Зарегистрирован: 24 ноя 2016, 23:35
- Репутация: 1617
- Настоящее имя: Илья
- Откуда: Беларусь, Гомель
- Контактная информация:
Re: Станок 600х400х150 мм
На какой сайт не зайду, везде разные стандарты разделки концов ШВП.
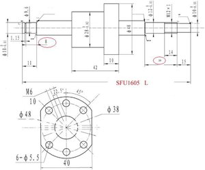
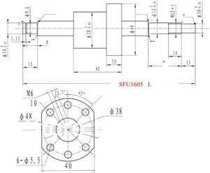
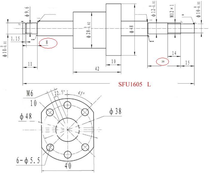
Подскажите какие размеры более оптимальны, чтобы можно было без проблем его установить и была какая то возможность натяжки/регулировки. Вот для примера нашел чертеж
Подскажите какие размеры более оптимальны, чтобы можно было без проблем его установить и была какая то возможность натяжки/регулировки. Вот для примера нашел чертеж
- NickSon
- Опытный
- Сообщения: 144
- Зарегистрирован: 08 май 2015, 12:14
- Репутация: 23
- Настоящее имя: Николай
- Откуда: Ростов-на-Дону
- Контактная информация:
Re: Станок 600х400х150 мм
Стандартная разделка под стандартные опоры ВК/BF... Вот только еще ни разу не видел на таких чертежах требований радиального биения шеек подшипников. Хотя бы относительно поверхности винта указать стоит, все равно по другому как правило не зажимают при проточке... А то так получишь от токаря "коленвал" и предъявить нечего будет.sima8520 писал(а):Вот для примера нашел чертеж
- frezeryga
- Почётный участник

- Сообщения: 13713
- Зарегистрирован: 18 авг 2013, 16:08
- Репутация: 5069
- Откуда: Жуковский
- Контактная информация:
Re: Станок 600х400х150 мм
Я всегда делаю чертежи под конкретный случай. В качестве шаблона можете взять мои чертежи в папке с проектом.
email frezeryga@yandex.ru
instagram https://www.instagram.com/frezeryga
telegram https://t.me/md_cnc_frezeryga https://t.me/frezeryga
instagram https://www.instagram.com/frezeryga
telegram https://t.me/md_cnc_frezeryga https://t.me/frezeryga
- shalek
- Почётный участник

- Сообщения: 3023
- Зарегистрирован: 25 авг 2014, 10:40
- Репутация: 2583
- Настоящее имя: Александр
- Откуда: РБ Бобруйск
- Контактная информация:
Re: Станок 600х400х150 мм
Например вот: или:sima8520 писал(а):Подскажите какие размеры более оптимальны,
Если ты не можешь решить проблему, значит это не твоя проблема!
Мой канал на YouTube: YouTube
ЧПУ "Бобр" 600x500 мм
shalek64@gmail.com
Мой канал на YouTube: YouTube
ЧПУ "Бобр" 600x500 мм
shalek64@gmail.com
- sima8520
- Почётный участник

- Сообщения: 4510
- Зарегистрирован: 24 ноя 2016, 23:35
- Репутация: 1617
- Настоящее имя: Илья
- Откуда: Беларусь, Гомель
- Контактная информация:
Re: Станок 600х400х150 мм
Меня как раз и волнуют вот эти цифры. Как я понимаю, винт между опорами должен немножко люфтить. Гайка на конце винта (сторона ШД) как раз для выборки этого люфта и натяжки ШВП
- sima8520
- Почётный участник

- Сообщения: 4510
- Зарегистрирован: 24 ноя 2016, 23:35
- Репутация: 1617
- Настоящее имя: Илья
- Откуда: Беларусь, Гомель
- Контактная информация:
Re: Станок 600х400х150 мм
Я уже получил однажды такое. Сначала один токарь сделал, потом второй токарь переделывал работу первого. Потом я наждачной бумагой и шуруповертом лечил ШВПNickSon писал(а):Стандартная разделка под стандартные опоры ВК/BF... Вот только еще ни разу не видел на таких чертежах требований радиального биения шеек подшипников. Хотя бы относительно поверхности винта указать стоит, все равно по другому как правило не зажимают при проточке... А то так получишь от токаря "коленвал" и предъявить нечего будет.sima8520 писал(а):Вот для примера нашел чертеж
- shalek
- Почётный участник

- Сообщения: 3023
- Зарегистрирован: 25 авг 2014, 10:40
- Репутация: 2583
- Настоящее имя: Александр
- Откуда: РБ Бобруйск
- Контактная информация:
Re: Станок 600х400х150 мм
А правильно сделать сможет шлифовщик. Нормальная разделка концов подразумевает шлифованные места под подшипники.sima8520 писал(а):А то так получишь от токаря "коленвал" и предъявить нечего будет.
P. S. Судя по запросам мне иногда кажется, что все делают прецизионные станки. Раз такой точности хотят. На самом деле все гораздо проще. Нормально просто подогнать диаметр под конкретный подшипник. Что многие и делают не обращая внимания на все эти циферки.
Если ты не можешь решить проблему, значит это не твоя проблема!
Мой канал на YouTube: YouTube
ЧПУ "Бобр" 600x500 мм
shalek64@gmail.com
Мой канал на YouTube: YouTube
ЧПУ "Бобр" 600x500 мм
shalek64@gmail.com
- sima8520
- Почётный участник

- Сообщения: 4510
- Зарегистрирован: 24 ноя 2016, 23:35
- Репутация: 1617
- Настоящее имя: Илья
- Откуда: Беларусь, Гомель
- Контактная информация:
Re: Станок 600х400х150 мм
Точности я не хотел (фанерный станок), я тупо хотел хоть как нибудь одеть подшипник на вал)))shalek писал(а):P. S. Судя по запросам мне иногда кажется, что все делают прецизионные станки. Раз такой точности хотят.
После замера вала (10,2 мм) я понял почему у меня не получалось одеть подшипник, и вот эти две десятки я наждачкой и стачивал.