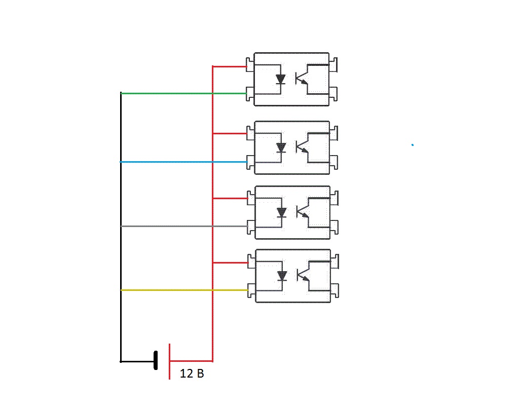
Обычный бинарный код: По твоей схеме. Как нарисованы оптопары, входы с выходом перепутаны.john1987887 писал(а):Все комбинации я проверил и составил таблицу.
Японец BROTHER TC-229
-
aftaev
- Зачётный участник

- Сообщения: 34042
- Зарегистрирован: 04 апр 2010, 19:22
- Репутация: 6194
- Откуда: Казахстан.
- Контактная информация:
Re: Японец BROTHER TC-229
Дилетанту сложные вещи кажутся очень простыми, и только профессионал понимает насколько сложна самая простая вещь
Кто хочет - ищет возможности, кто не хочет - ищет оправдание.
Найди работу по душе и тебе не придется работать.
Кто хочет - ищет возможности, кто не хочет - ищет оправдание.
Найди работу по душе и тебе не придется работать.
-
john1987887
- Мастер
- Сообщения: 3296
- Зарегистрирован: 08 сен 2013, 17:26
- Репутация: 1802
- Контактная информация:
Re: Японец BROTHER TC-229
Снял плату со станка еще раз для фотосессии. Транзисторы стоят С114 E. S W, Если смотреть со стороны маркировки, то левой ногой все запаяны на землю. Получается, что это NPN транзисторы и схема будет выглядеть следующим образом?Lunatic писал(а):Не очень видно на фото , одной ногой все транзисторы соединены вместе? Если соединены все вместе на GND, то транзисторы NPN и подключать по схеме как индуктивный датчик. Если общая точка транзисторов на 24В соединена, то PNP и подключать как ты нарисовал.
Только я не понял, какая разница, подавать через общий провод землю или питание. Во всех статьях для лучшего понимания рекомендуют представлять транзистор как обычные контакты реле. Если так сделать, то ведь получается без разницы земля там или питание, НПН или ПНП, ведь контакты замкнулись, ток пошел, оптопара сработала, мозг увидел...
Brother TC - 229 http://www.cnc-club.ru/forum/viewtopic. ... 46&t=15250
Brother TC - 225 viewtopic.php?f=146&t=31044
7045 http://www.cnc-club.ru/forum/viewtopic.php?t=6965
токарный http://www.cnc-club.ru/forum/viewtopic. ... 48&t=14096
Brother TC - 225 viewtopic.php?f=146&t=31044
7045 http://www.cnc-club.ru/forum/viewtopic.php?t=6965
токарный http://www.cnc-club.ru/forum/viewtopic. ... 48&t=14096
-
john1987887
- Мастер
- Сообщения: 3296
- Зарегистрирован: 08 сен 2013, 17:26
- Репутация: 1802
- Контактная информация:
Re: Японец BROTHER TC-229
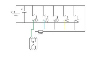
Народ, ваще какая-то фигня выходит. Если верить даташиту на транзистор, то получается следующая схема. Как в итоге подключить это ко входным оптопарам в мозг?
Brother TC - 229 http://www.cnc-club.ru/forum/viewtopic. ... 46&t=15250
Brother TC - 225 viewtopic.php?f=146&t=31044
7045 http://www.cnc-club.ru/forum/viewtopic.php?t=6965
токарный http://www.cnc-club.ru/forum/viewtopic. ... 48&t=14096
Brother TC - 225 viewtopic.php?f=146&t=31044
7045 http://www.cnc-club.ru/forum/viewtopic.php?t=6965
токарный http://www.cnc-club.ru/forum/viewtopic. ... 48&t=14096
-
aftaev
- Зачётный участник

- Сообщения: 34042
- Зарегистрирован: 04 апр 2010, 19:22
- Репутация: 6194
- Откуда: Казахстан.
- Контактная информация:
Re: Японец BROTHER TC-229
Что за контакты на схеме?
Если транзисторы, это транзисторы в оптопаре, то все правильно. Эмиторы все соединены на общий, а коллектор должен быть свободны и выведены на разъем. Обычный открытый коллектор
Энкодер питается от 24в, а тво опторазвязка может питаться от 5в, но общий у них будет соединен.
Если транзисторы, это транзисторы в оптопаре, то все правильно. Эмиторы все соединены на общий, а коллектор должен быть свободны и выведены на разъем. Обычный открытый коллектор
Энкодер питается от 24в, а тво опторазвязка может питаться от 5в, но общий у них будет соединен.
Дилетанту сложные вещи кажутся очень простыми, и только профессионал понимает насколько сложна самая простая вещь
Кто хочет - ищет возможности, кто не хочет - ищет оправдание.
Найди работу по душе и тебе не придется работать.
Кто хочет - ищет возможности, кто не хочет - ищет оправдание.
Найди работу по душе и тебе не придется работать.
-
john1987887
- Мастер
- Сообщения: 3296
- Зарегистрирован: 08 сен 2013, 17:26
- Репутация: 1802
- Контактная информация:
Re: Японец BROTHER TC-229
А вот и нифига. Эмиттеры сидят на земле, на коллекторы подается напряжение через фоточувствительные переключатели, а базы выведены на разъем... Мой мозг отказывается что-либо понимать...aftaev писал(а):а коллектор должен быть свободны и выведены на разъем.
Даташит на транзистор здесь. http://www.abcelectronique.com/forum/at ... ntid=22923
Brother TC - 229 http://www.cnc-club.ru/forum/viewtopic. ... 46&t=15250
Brother TC - 225 viewtopic.php?f=146&t=31044
7045 http://www.cnc-club.ru/forum/viewtopic.php?t=6965
токарный http://www.cnc-club.ru/forum/viewtopic. ... 48&t=14096
Brother TC - 225 viewtopic.php?f=146&t=31044
7045 http://www.cnc-club.ru/forum/viewtopic.php?t=6965
токарный http://www.cnc-club.ru/forum/viewtopic. ... 48&t=14096
-
Duhas
- Мастер
- Сообщения: 1961
- Зарегистрирован: 10 окт 2015, 23:25
- Репутация: 285
- Настоящее имя: Андрей
- Откуда: Красноярск
- Контактная информация:
Re: Японец BROTHER TC-229
john1987887 писал(а):Народ, ваще какая-то фигня выходит. Если верить даташиту на транзистор, то получается следующая схема.
вот фиг знает, на мой взгляд все нормально. http://www.farnell.com/datasheets/26011.pdf
Все просто, открытый коллектор, у оптопар должен быть общий +, а минусы раздельные и подключать на транзисторы, "белый провод" - вполне вероятно что тоже выход, вопрос только выход чего, возможно что-то служебное, вроде датчик включен.
-
john1987887
- Мастер
- Сообщения: 3296
- Зарегистрирован: 08 сен 2013, 17:26
- Репутация: 1802
- Контактная информация:
Re: Японец BROTHER TC-229
А подключать-то как? Так?Duhas писал(а):вот фиг знает, на мой взгляд все нормально.
З.Ы. Попробовал подключить обычный светодиод, работает.
Brother TC - 229 http://www.cnc-club.ru/forum/viewtopic. ... 46&t=15250
Brother TC - 225 viewtopic.php?f=146&t=31044
7045 http://www.cnc-club.ru/forum/viewtopic.php?t=6965
токарный http://www.cnc-club.ru/forum/viewtopic. ... 48&t=14096
Brother TC - 225 viewtopic.php?f=146&t=31044
7045 http://www.cnc-club.ru/forum/viewtopic.php?t=6965
токарный http://www.cnc-club.ru/forum/viewtopic. ... 48&t=14096
-
Lunatic
- Мастер
- Сообщения: 460
- Зарегистрирован: 09 мар 2015, 20:25
- Репутация: 75
- Настоящее имя: Дмитрий
- Контактная информация:
Re: Японец BROTHER TC-229
Duhas привел ссылку на даташит, который больше на правду похож, как по корпусу транзистора (это не TO-92,как в первом даташите), так и по реальной схеме. Ну не должны Базы транзисторов ни при каком раскладе на внешнее устройство подключаться.
-
john1987887
- Мастер
- Сообщения: 3296
- Зарегистрирован: 08 сен 2013, 17:26
- Репутация: 1802
- Контактная информация:
Re: Японец BROTHER TC-229
Тоже подумал об этом в первую очередь. Выведен должен быть коллектор. Но! Я попробовал подключить светодиод вместо оптопары, как указано в схеме в посте № 347, и все работало...Lunatic писал(а):Ну не должны Базы транзисторов ни при каком раскладе на внешнее устройство подключаться.
Как выяснить наверняка, где коллектор, а где база?
Если принять за правду, что питание подведено к базе, то схема получается следующая.
Brother TC - 229 http://www.cnc-club.ru/forum/viewtopic. ... 46&t=15250
Brother TC - 225 viewtopic.php?f=146&t=31044
7045 http://www.cnc-club.ru/forum/viewtopic.php?t=6965
токарный http://www.cnc-club.ru/forum/viewtopic. ... 48&t=14096
Brother TC - 225 viewtopic.php?f=146&t=31044
7045 http://www.cnc-club.ru/forum/viewtopic.php?t=6965
токарный http://www.cnc-club.ru/forum/viewtopic. ... 48&t=14096
-
Duhas
- Мастер
- Сообщения: 1961
- Зарегистрирован: 10 окт 2015, 23:25
- Репутация: 285
- Настоящее имя: Андрей
- Откуда: Красноярск
- Контактная информация:
Re: Японец BROTHER TC-229
вот эта схема корректна и по подключению и по внутреннему устройству
- Serg
- Мастер
- Сообщения: 21923
- Зарегистрирован: 17 апр 2012, 14:58
- Репутация: 5183
- Заслуга: c781c134843e0c1a3de9
- Настоящее имя: Сергей
- Откуда: Москва
- Контактная информация:
Re: Японец BROTHER TC-229
Не корректна, работать не будет - транзистор сгорит.Duhas писал(а):вот эта схема корректна и по подключению и по внутреннему устройству
Я не Христос, рыбу не раздаю, но могу научить, как сделать удочку...
-
john1987887
- Мастер
- Сообщения: 3296
- Зарегистрирован: 08 сен 2013, 17:26
- Репутация: 1802
- Контактная информация:
Re: Японец BROTHER TC-229
Почему? По документам он на 50 вольт.UAVpilot писал(а):Не корректна, работать не будет - транзистор сгорит.
Brother TC - 229 http://www.cnc-club.ru/forum/viewtopic. ... 46&t=15250
Brother TC - 225 viewtopic.php?f=146&t=31044
7045 http://www.cnc-club.ru/forum/viewtopic.php?t=6965
токарный http://www.cnc-club.ru/forum/viewtopic. ... 48&t=14096
Brother TC - 225 viewtopic.php?f=146&t=31044
7045 http://www.cnc-club.ru/forum/viewtopic.php?t=6965
токарный http://www.cnc-club.ru/forum/viewtopic. ... 48&t=14096
-
Duhas
- Мастер
- Сообщения: 1961
- Зарегистрирован: 10 окт 2015, 23:25
- Репутация: 285
- Настоящее имя: Андрей
- Откуда: Красноярск
- Контактная информация:
Re: Японец BROTHER TC-229
а теперь смотрим даташит на транзистор...UAVpilot писал(а):Не корректна, работать не будет - транзистор сгорит.Duhas писал(а):вот эта схема корректна и по подключению и по внутреннему устройству
-
Lunatic
- Мастер
- Сообщения: 460
- Зарегистрирован: 09 мар 2015, 20:25
- Репутация: 75
- Настоящее имя: Дмитрий
- Контактная информация:
Re: Японец BROTHER TC-229
Все верно, в 346 посте правильная ссылка на мануал, распиновка у транзистора другая. "Цифровой" транзистор, ничего не сгоритjohn1987887 писал(а):Тоже подумал об этом в первую очередь. Выведен должен быть коллектор. Но! Я попробовал подключить светодиод вместо оптопары, как указано в схеме в посте № 347, и все работало...Lunatic писал(а):Ну не должны Базы транзисторов ни при каком раскладе на внешнее устройство подключаться.
Как выяснить наверняка, где коллектор, а где база?
Если принять за правду, что питание подведено к базе, то схема получается следующая.
- Serg
- Мастер
- Сообщения: 21923
- Зарегистрирован: 17 апр 2012, 14:58
- Репутация: 5183
- Заслуга: c781c134843e0c1a3de9
- Настоящее имя: Сергей
- Откуда: Москва
- Контактная информация:
Re: Японец BROTHER TC-229
john1987887 писал(а):Почему? По документам он на 50 вольт.
А подумать?..Duhas писал(а):а теперь смотрим даташит на транзистор...
Я не Христос, рыбу не раздаю, но могу научить, как сделать удочку...
- AndyBig
- Мастер
- Сообщения: 3971
- Зарегистрирован: 07 мар 2014, 04:01
- Репутация: 1121
- Откуда: юг России
- Контактная информация:
Re: Японец BROTHER TC-229
Потому что ток через базу будет бешеныйjohn1987887 писал(а):Почему? По документам он на 50 вольт.UAVpilot писал(а):Не корректна, работать не будет - транзистор сгорит.
-
john1987887
- Мастер
- Сообщения: 3296
- Зарегистрирован: 08 сен 2013, 17:26
- Репутация: 1802
- Контактная информация:
Re: Японец BROTHER TC-229
У него 2 резистора внутри. В оригинальной японской стойке он же 20 лет работал.AndyBig писал(а):Потому что ток через базу будет бешеный
Brother TC - 229 http://www.cnc-club.ru/forum/viewtopic. ... 46&t=15250
Brother TC - 225 viewtopic.php?f=146&t=31044
7045 http://www.cnc-club.ru/forum/viewtopic.php?t=6965
токарный http://www.cnc-club.ru/forum/viewtopic. ... 48&t=14096
Brother TC - 225 viewtopic.php?f=146&t=31044
7045 http://www.cnc-club.ru/forum/viewtopic.php?t=6965
токарный http://www.cnc-club.ru/forum/viewtopic. ... 48&t=14096
- AndyBig
- Мастер
- Сообщения: 3971
- Зарегистрирован: 07 мар 2014, 04:01
- Репутация: 1121
- Откуда: юг России
- Контактная информация:
Re: Японец BROTHER TC-229
Тогда прошу прощения. Но такие транзисторы и нужно рисовать на схемах с резисторами, чтобы не было неоднозначного прочтения схемы.john1987887 писал(а):У него 2 резистора внутри.
- Serg
- Мастер
- Сообщения: 21923
- Зарегистрирован: 17 апр 2012, 14:58
- Репутация: 5183
- Заслуга: c781c134843e0c1a3de9
- Настоящее имя: Сергей
- Откуда: Москва
- Контактная информация:
Re: Японец BROTHER TC-229
Тогда и рисовать надо соответственно...Duhas писал(а):RTFM, товарищи, а также других участников.
А так по любому схема нарисована неправильно.
Я не Христос, рыбу не раздаю, но могу научить, как сделать удочку...