Страница 13 из 28

Re: Проект станка 2.2kW 2000х1000х100мм 4axis

Добавлено: 29 июл 2014, 12:26
Kulibin74
1. как сделать запуск после Estop с того места где это случилось?
2. шагов на единицу в pncconf делать исходя из требуемой точности?
3. в настройках серв настраивать электронную редукцию?

Re: Проект станка 2.2kW 2000х1000х100мм 4axis

Добавлено: 29 июл 2014, 12:45
Nick
Напиши g64 p0.1 или меньше.

Re: Проект станка 2.2kW 2000х1000х100мм 4axis

Добавлено: 29 июл 2014, 13:12
Kulibin74
где и для чего? понял, для углов... а что по трем моим пунктам?

Re: Проект станка 2.2kW 2000х1000х100мм 4axis

Добавлено: 29 июл 2014, 13:31
Nick
Kulibin74 писал(а):1. как сделать запуск после Estop с того места где это случилось?
Правой кнопкой на нужной строке и выполнить с текущей тстроки.
Kulibin74 писал(а):2. шагов на единицу в pncconf делать исходя из требуемой точности?
Дорлжно быть в настройках осей. Скинь скриншоты этих натсрое...
Kulibin74 писал(а):3. в настройках серв настраивать электронную редукцию?
Зачем?

Re: Проект станка 2.2kW 2000х1000х100мм 4axis

Добавлено: 29 июл 2014, 13:43
Kulibin74
Nick писал(а):Правой кнопкой на нужной строке и выполнить с текущей тстроки
а если и комп вырубился, как я узнаю на какой он строчке был?
Снимок-3.png (2059 просмотров) <a class='original' href='./download/file.php?id=31416&mode=view' target=_blank>Загрузить оригинал (115.68 КБ)</a>
Nick писал(а):Зачем?
а как серва узнает, что она повернулась на один оборот при 200 шагах, скажем?

Re: Проект станка 2.2kW 2000х1000х100мм 4axis

Добавлено: 29 июл 2014, 14:07
Nick
Kulibin74 писал(а):а если и комп вырубился, как я узнаю на какой он строчке был?
Никак. Ну можно конечно постоянно в файл писать номер строки или смсками тебе их слать, но проще сделать так, чтобы комп не вырубался!


По pncconf ну как раз тут меняешь параметры, чтобы steps/mm стало правильным.
Kulibin74 писал(а):а как серва узнает, что она повернулась на один оборот при 200 шагах, скажем?
Ну так сначала настраиваешь серву, потом узнаешь ее параметр шагов/оборот. Потом этот параметр подставляешь в "Шагов на оборот" в pncconf.

Re: Проект станка 2.2kW 2000х1000х100мм 4axis

Добавлено: 29 июл 2014, 14:18
Kulibin74
Nick писал(а):Ну так сначала настраиваешь серву, потом узнаешь ее параметр шагов/оборот. Потом этот параметр подставляешь в "Шагов на оборот" в pncconf.
Ничего не понял...

Еще вопрос, а можно ли и нужно, заводить энкодеры серв в LinuxCNC? смысл такой, чтобы не только драйвер знал, что серва не доехала до нужной позиции, а еще и lcnc. Ведь по степ дир не предусматривается обратной связи?

Re: Проект станка 2.2kW 2000х1000х100мм 4axis

Добавлено: 29 июл 2014, 14:29
Nick
Kulibin74 писал(а):Ничего не понял...
Нужно смотреть со стороны сервы. Сколько у нее шагов на оборот?
Kulibin74 писал(а):Еще вопрос, а можно ли и нужно, заводить энкодеры серв в LinuxCNC? смысл такой, чтобы не только драйвер знал, что серва не доехала до нужной позиции, а еще и lcnc. Ведь по степ дир не предусматривается обратной связи?
Можно. Но не факт, что у тебя хватит входов на все энкодеры. Какие у тебя платы стоят?

Вообще сам по себе step/dir не предусматривает обратеной связи, но ее можно добавить. Есть два варианта:
1. просто заводим на обратную связь motion положение энкодера. Тогда станок сможет сам отключиться если вдруг уйдет далеко от траектории или шаговик вдруг начнет пропускать шаги. В этом варианте только отключение по ошибке следования.
2. добавляем PID, и управляем stepgen через него. Тогда, даже если шаговик пропустит несколько шагов, LinuxCNC постарается "дожать" его, чтобы восстановить заданное положение.

Чего именно хочется?

Re: Проект станка 2.2kW 2000х1000х100мм 4axis

Добавлено: 29 июл 2014, 14:47
Kulibin74
Nick писал(а):Сколько у нее шагов на оборот
2048 по X. Y сервы samsung 400W
2500 по Z Panasonic 100W с тормозом.
Nick писал(а):платы стоят
пока 7i76 5i25, в плане 7i77
Nick писал(а):Есть два варианта
а третий? если скажем линукс снс выдало порцию шагов, серва при усилии не успела наверстать упущенное, началось движение другой оси. а тут обратная связь от привода говорит что я не успела доехать (количество импульсов энкодера * (сколько импульсов на шаг), т.е линкус СНС будет знать, серва выполнила шаг или нет.

Re: Проект станка 2.2kW 2000х1000х100мм 4axis

Добавлено: 29 июл 2014, 15:09
Nick
Kulibin74 писал(а):1024 по X. Y сервы samsung 400W
2500 по Z Panasonic 100W с тормозом.
Ну вот эти цифры и вписывай в pncconf.
Kulibin74 писал(а):пока 7i76 5i25, в плане 7i77
без 7i77, у тебя входов только на 1 энкодер.
Kulibin74 писал(а):а третий? если скажем линукс снс выдало порцию шагов, серва при усилии не успела наверстать упущенное, началось движение другой оси. а тут обратная связь от привода говорит что я не успела доехать (количество импульсов энкодера * (сколько импульсов на шаг), т.е линкус СНС будет знать, серва выполнила шаг или нет.
Так это и есть первый вариант. В нем LinuxCNC знает, что серва не доехала.

Re: Проект станка 2.2kW 2000х1000х100мм 4axis

Добавлено: 29 июл 2014, 15:27
Kulibin74
Nick писал(а):без 7i77, у тебя входов только на 1 энкодер
поэтому и планирую потом 7i77 докупить.
Nick писал(а):Ну вот эти цифры и вписывай в pncconf.
а есть ли смысл? увеличивается разрешение на мм и частота импульсов и все?
имеющийся вход энкодера хочу задействовать под поворотку (повесить китайский оптический энкодер), что бы знать где ось находится, (привод будет шаговиком через редуктор),реально ли?

Re: Проект станка 2.2kW 2000х1000х100мм 4axis

Добавлено: 29 июл 2014, 16:29
Nick
Kulibin74 писал(а):увеличивается разрешение на мм и частота импульсов и все?
Да. Ну разве что может подняться плавность хода, но при значениях больше 1000 это будет не заметно.
Kulibin74 писал(а):имеющийся вход энкодера хочу задействовать под поворотку (повесить китайский оптический энкодер), что бы знать где ось находится, (привод будет шаговиком через редуктор),реально ли?
Да, реально. Только энкодер обычно дает 2500 импульсов на оборот, тебе хватит такого количества?

Re: Проект станка 2.2kW 2000х1000х100мм 4axis

Добавлено: 29 июл 2014, 20:31
Kulibin74
Nick писал(а):2500 импульсов на оборот
я же его на шаговик повешу, а так получится на оборот 4 оси 2500*3*12=90000 импульсов, при диаметре болванки 200мм 0,006977777мм/импульс

Re: Проект станка 2.2kW 2000х1000х100мм 4axis

Добавлено: 30 июл 2014, 11:00
Nick
тогда норм. Правда, не понятно зачем энкодер, от шаговика и так сможешь нормально позиционировать...

Re: Проект станка 2.2kW 2000х1000х100мм 4axis

Добавлено: 30 июл 2014, 11:57
Kulibin74
Nick писал(а):не понятно зачем энкодер
а вдруг шаги пропустит? и хана заготовке...

Re: Проект станка 2.2kW 2000х1000х100мм 4axis

Добавлено: 31 июл 2014, 08:52
Kulibin74
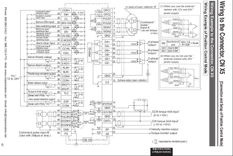
какой параметр сигнала Command pulse format мне надо выбрать в настройках сервы? контакты 33, 8,9 замкнуть на минус питания?
Снимок.png (1892 просмотра) <a class='original' href='./download/file.php?id=31482&mode=view' target=_blank>Загрузить оригинал (95.04 КБ)</a>
к каким входам подключать step, dir? line mode or open collector?
Снимок-1.png (1892 просмотра) <a class='original' href='./download/file.php?id=31483&mode=view' target=_blank>Загрузить оригинал (167.41 КБ)</a>
руководство по панасонику
привод панасоник 2.pdf
(5.37 МБ) 1766 скачиваний

Re: Проект станка 2.2kW 2000х1000х100мм 4axis

Добавлено: 31 июл 2014, 09:06
Nick
33 - да, а вот что такой CCW over travel я не знаю...
Kulibin74 писал(а):к каким входам подключать step, dir? line mode or open collector?
3-6

Re: Проект станка 2.2kW 2000х1000х100мм 4axis

Добавлено: 31 июл 2014, 11:29
Kulibin74
Nick писал(а):CCW over travel
Это помоему входы концевиков
CCW over-travel 9 CCWL inhibit input •
Use this input to inhibit a CCW over-travel (CCWL). ̃
• Connect this so as to make the connection to COM– open when the moving portion of the machine over-travels the movable range toward CCW. ̃
• CWL input will be invalidated when you set up Pr04 (Setup of over-travel inhibit input) to
1.Default is "Invalid (1)". ̃
• You can select the action when the CCWL input is validated with the setup of Pr66 (Sequence at over-travel inhibit). Default is "Emergency stop with dynamic brake".(Pr66=0)

Re: Проект станка 2.2kW 2000х1000х100мм 4axis

Добавлено: 31 июл 2014, 11:40
Kulibin74
Nick писал(а):дифференциальный.
значит мне надо подключить STEP+/DIR+ от7I76 к контактам 3,4,5,6? и соединить GND 7i76 с 13 контактом GND драйвера?

Re: Проект станка 2.2kW 2000х1000х100мм 4axis

Добавлено: 31 июл 2014, 11:50
Nick
вроде как да