Страница 12 из 21
Re: Китаец 7045 в чпу
Добавлено: 10 окт 2015, 15:49
ukr-sasha
Наверняка в настройках постпроцессора.
Re: Китаец 7045 в чпу
Добавлено: 10 окт 2015, 15:58
john1987887
Как таквых настроек там нет. Можно редактировать пост, но там все на непонятном мне языке:)
Re: Китаец 7045 в чпу
Добавлено: 18 окт 2015, 15:57
john1987887
Кто-нибудь делал панель оператора для Мач3 на основе ее утилиты KeyGrabber и аркадного эмулятора клавиатуры?
Re: Китаец 7045 в чпу
Добавлено: 24 окт 2015, 19:44
Atom42
Евгений, расскажи по опорам ШВП, которые в Акетоне брал. Мне те, что у меня что-то совсем не нравятся.
1. Интересует как звать, ты вроде бы в начале темы говорил, что у них они к эконом классу относятся, короче какая маркировка?
2. Что показала эксплуатация, есть претензии?
3. Какая цена, а то на сайте они цен не пишут?
4. Моет есть еще что сказать/посоветовать по опорам?
Re: Китаец 7045 в чпу
Добавлено: 25 окт 2015, 06:26
john1987887
Опоры GMT. Идут в нормальной коробочке, в запаянном пакете, сразу со смазкой. Внутри радиально упорные подшипы, насколько удалось разглядеть. Корпус аккуратный, заводское чернение. Стоят процентов на 30-40 дороже опор в пурике или даркстоне, но там, по большому счету, просто мусор.
Претензий нет, работают отлично. Маркировка как и везде FK/FF да и все.
Re: Китаец 7045 в чпу
Добавлено: 25 окт 2015, 06:53
Atom42
Ты их не разбирал?
Re: Китаец 7045 в чпу
Добавлено: 25 окт 2015, 06:58
john1987887
Хорошие нет. Пуриковские разбирал, по причине осевого люфта 0.5мм.
Re: Китаец 7045 в чпу
Добавлено: 25 окт 2015, 12:16
frezeryga
Я разбирал свои опоры GMT все сделано на высшем уровне корпус шлифован со всех сторон подшипы радиальноупорные. Опоры у пуриков мусор подшипники радиальные и вместо чернения тупо покрашены краской.
Re: Китаец 7045 в чпу
Добавлено: 25 окт 2015, 12:17
john1987887
frezeryga писал(а):Опоры у пуриков мусор подшипники радиальные и вместо чернения тупо покрашены краской.
Именно так.
Re: Китаец 7045 в чпу
Добавлено: 25 окт 2015, 14:43
Atom42
А натяг в них уже отрегулирован?
И еще, как правильно опору одевать, в смысле по ней стучать можно?
Re: Китаец 7045 в чпу
Добавлено: 25 окт 2015, 14:50
john1987887
На сайте GMT написано, что опоры с натягом. Зачем стучать? Надо винты обработать под легкую прессовую посадку, чтоб от руки плотно одевалась и все.
Re: Китаец 7045 в чпу
Добавлено: 25 окт 2015, 15:11
Atom42
john1987887 писал(а):Зачем стучать?
У меня винты обработаны производителем (d+0.02 вроде бы), но в китайские опоры просто так не входит.
Re: Китаец 7045 в чпу
Добавлено: 25 окт 2015, 16:10
frezeryga
люфта нет. стучать нельзя ни по каким подшипникам. если винт на плюс сделан то нужно шлифовать и делать нормальный размер а не забивать молотком. натяг 2 сотки оч много хана опоре будет.
Re: Китаец 7045 в чпу
Добавлено: 25 окт 2015, 16:15
aegis
frezeryga, там не натяг 2 сотки, а сделан вал 0+0,02но всеравно это много и неправильно. в опоре швп которая воспринимает осевую нагрузку нужна или переходная посадка или с мелким зазором. ИМХО
Re: Китаец 7045 в чпу
Добавлено: 25 окт 2015, 17:24
Atom42
frezeryga писал(а):натяг 2 сотки оч много хана опоре будет.
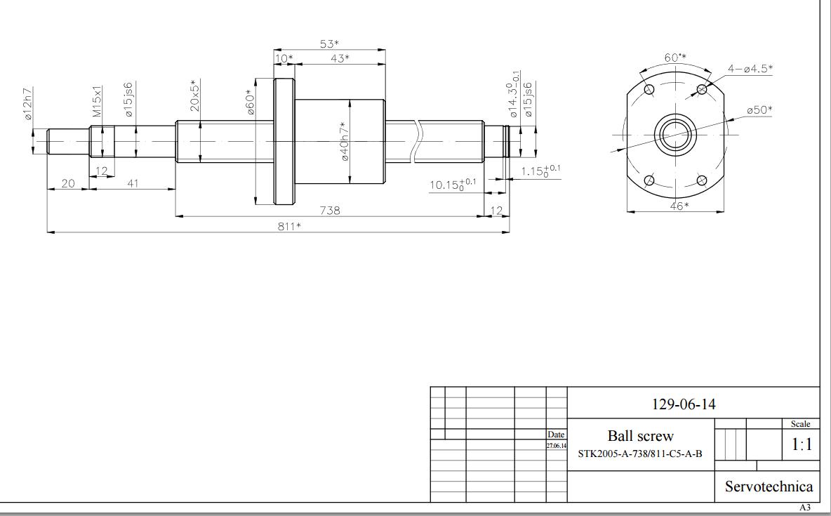
Был похоже не прав, нашел чертеж своих винтов
Re: Китаец 7045 в чпу
Добавлено: 25 окт 2015, 17:54
frezeryga
а толку от чертежа? надо винт мерить что там реально на точили.
Re: Китаец 7045 в чпу
Добавлено: 25 окт 2015, 17:55
frezeryga
вобщем опора должна вставлятся рукой если нелезет то ненадо пихать.
Re: Китаец 7045 в чпу
Добавлено: 25 окт 2015, 18:00
N1X
Я свои вообще наждачкой доводил ) Вращая шуруповертом подгоняем кончик до нужной "тугости" посадки от руки, а потом по этому кончику по пассаметру прогоняем всю посадку... Вроде терпимо получается...
Re: Китаец 7045 в чпу
Добавлено: 25 окт 2015, 18:22
john1987887
Да,да. Наждачка рулит

Ибо токарник и у меня сотку снять не может.
Re: Китаец 7045 в чпу
Добавлено: 25 окт 2015, 18:42
frezeryga
да лутше наждачкой чем молотком забивать.