Ввод в эксплуатацию ЧПУ системы на основе контроллера Kflop.
-
AlexD85
- Новичок
- Сообщения: 24
- Зарегистрирован: 05 июл 2015, 13:45
- Репутация: 4
- Настоящее имя: Александр
- Откуда: Санкт-Петербург
- Контактная информация:
Re: Ввод в эксплуатацию ЧПУ системы на основе контроллера Kf
Александр, т.е. Пул/Дир мне брать прям с Кфлопа и Коннект использовать только для шпинделя/концевиков? Судя по всему, я "слегка" лоханулся....
- ukr-sasha
- Мастер
- Сообщения: 3401
- Зарегистрирован: 21 мар 2011, 07:47
- Репутация: 2181
- Настоящее имя: Украинец Александр Григорьевич
- Откуда: Киев, Украина
- Контактная информация:
Re: Ввод в эксплуатацию ЧПУ системы на основе контроллера Kf
Верно. А на коннекте можно еще шикарный пульт сделать.AlexD85 писал(а):Александр, т.е. Пул/Дир мне брать прям с Кфлопа и Коннект использовать только для шпинделя/концевиков?
Не согласен. Хороший комплект купили.AlexD85 писал(а):Судя по всему, я "слегка" лоханулся....
Последний раз редактировалось ukr-sasha 06 июл 2015, 22:30, всего редактировалось 1 раз.
- ukr-sasha
- Мастер
- Сообщения: 3401
- Зарегистрирован: 21 мар 2011, 07:47
- Репутация: 2181
- Настоящее имя: Украинец Александр Григорьевич
- Откуда: Киев, Украина
- Контактная информация:
Re: Ввод в эксплуатацию ЧПУ системы на основе контроллера Kf
Есть правда в примерах Си файлов код реализующий ваши желания.
Но я с ним дела не имел.
Попробуйте ,расскажите нам.
Да и сам автор пишет, что это всего лишь демонстрация возможностей, без нужных функций и с низкой производительностью.
Но я с ним дела не имел.
Попробуйте ,расскажите нам.
Код: Выделить всё
#include "KMotionDef.h"
// Simple test to full step small 5-wire unipolar stepper
// motor using 4 Konnect Outputs. Coils currents must be 0.25A or less
//
// Configure Axis0 as
// No Input, No Output, and enable the Axis
//
// Console command below should move motor
// Jerk0=40000;Accel0=400;Vel0=400;MoveRel0=1000
//
// Note: this is just a fun demo. Full stepping,
// no current regulation or chopping.
// Performance will be poor
main()
{
int k;
InitAux();
AddKonnect(0,&VirtualBits,VirtualBitsEx);
for (;;)
{
WaitNextTimeSlice();
k=((int)ch0->Dest)&3;
if (k==0)
VirtualBits=0x6000;
else if (k==1)
VirtualBits=0xa000;
else if (k==2)
VirtualBits=0x9000;
else
VirtualBits=0x5000;
}
}
-
AlexD85
- Новичок
- Сообщения: 24
- Зарегистрирован: 05 июл 2015, 13:45
- Репутация: 4
- Настоящее имя: Александр
- Откуда: Санкт-Петербург
- Контактная информация:
Re: Ввод в эксплуатацию ЧПУ системы на основе контроллера Kf
Я смотрел уже эту программу - из описания я понял, что это для миниатюрного униполярного шаговика с током обмоток 0,25А или меньше - без драйвера, подключение мотора напрямую к 4-м выходам Коннекта, чисто "для прикола" как написано (может, я неправильно понял), но боюсь для моего комплекта на 6А не подойдет
В любом случае спасибо вам за прояснение - попробую написать Тому - он отзывчивый дядька, если не возможности скоммутировать выходы Коннекта для Пул/Дир сигналов - значит, подключу напрямую. Если нарою полезную информацию по использованию Коннекта - обязательно напишу 
- ukr-sasha
- Мастер
- Сообщения: 3401
- Зарегистрирован: 21 мар 2011, 07:47
- Репутация: 2181
- Настоящее имя: Украинец Александр Григорьевич
- Откуда: Киев, Украина
- Контактная информация:
Re: Ввод в эксплуатацию ЧПУ системы на основе контроллера Kf
Почему сразу так не сделать?AlexD85 писал(а):если не возможности скоммутировать выходы Коннекта для Пул/Дир сигналов - значит, подключу напрямую.
Вариант опробованный. Многие люди так сделали.
- michael-yurov
- Почётный участник

- Сообщения: 11731
- Зарегистрирован: 26 июл 2012, 00:10
- Репутация: 4703
- Настоящее имя: Михаил Львович
- Откуда: Новоуральск
- Контактная информация:
Re: Ввод в эксплуатацию ЧПУ системы на основе контроллера Kf
У драйверов ведь есть опторазвязка на входе.
А вот все остальное лучше через коннект.
А вот все остальное лучше через коннект.
-
AlexD85
- Новичок
- Сообщения: 24
- Зарегистрирован: 05 июл 2015, 13:45
- Репутация: 4
- Настоящее имя: Александр
- Откуда: Санкт-Петербург
- Контактная информация:
Re: Ввод в эксплуатацию ЧПУ системы на основе контроллера Kf
Просто не хотелось отдельно тянуть тоненькие проводочки из разорванного IDC шлейфа имея под рукой отличные клеммники на Коннекте - я ведь правильно понимаю, что Enable (и Alarm, если вдруг понадобится) мне нужно будет подключать к Коннекту?ukr-sasha писал(а): Почему сразу так не сделать?
Вариант опробованный. Многие люди так сделали.
-
toha
- Опытный
- Сообщения: 101
- Зарегистрирован: 21 апр 2012, 13:00
- Репутация: 14
- Контактная информация:
Re: Ввод в эксплуатацию ЧПУ системы на основе контроллера Kf
Что-то меня переклинило на настройке поворотных осей. Прошу помочь. А именно counts/inch. Более трех лет назад делал станок, и проблем не возникало. Как правильно рассчитать параметр?
- ukr-sasha
- Мастер
- Сообщения: 3401
- Зарегистрирован: 21 мар 2011, 07:47
- Репутация: 2181
- Настоящее имя: Украинец Александр Григорьевич
- Откуда: Киев, Украина
- Контактная информация:
Re: Ввод в эксплуатацию ЧПУ системы на основе контроллера Kf
Чекбокс "градусы" и тогда параметры будут на 1 градус.
-
toha
- Опытный
- Сообщения: 101
- Зарегистрирован: 21 апр 2012, 13:00
- Репутация: 14
- Контактная информация:
Re: Ввод в эксплуатацию ЧПУ системы на основе контроллера Kf
Начало проясняться, я не додумался радиус в 1 дюйм сделать. В 4.29 такого чекбокса не было, вот и завис. Спасибо
-
rz90
- Новичок
- Сообщения: 31
- Зарегистрирован: 27 май 2014, 08:33
- Репутация: 4
- Откуда: Екатеринбург
- Контактная информация:
Re: Ввод в эксплуатацию ЧПУ системы на основе контроллера Kf
Тема замечательная, но почему то не увидел реализации автосмены инструмента, или может плохо смотрел? Имеется kflop+kanalog и сверлильный сс2в05пмф4 с инструментальным магазином. С чего начать вообще, какие файлы редактировать, что бы KMotionCNC подавал сигналы двигателям автосмены и реагировал на концевики, по g-коду управляющей программы?
-
AlexD85
- Новичок
- Сообщения: 24
- Зарегистрирован: 05 июл 2015, 13:45
- Репутация: 4
- Настоящее имя: Александр
- Откуда: Санкт-Петербург
- Контактная информация:
Re: Ввод в эксплуатацию ЧПУ системы на основе контроллера Kf
Господа Гуру, подскажите, пожалуйста, всю голову уже изломал... Возможно вопрос тупой, но все-таки - подключаю к Коннекту концевик SN04-N как во вложении, настраивают в Config&Flash, все отлично работает (поставил действие - остановка мотора), НО - светодиод на датчике горит ПОСТОЯННО, а не только при срабатывании на металл (как например когда подключен только к питанию). Если отключить минусовой провод от Bank Commons Коннекта - светодиод загорается только на металл, но функцию свою, естественно, не выполняет. Где может быть косяк?
- ukr-sasha
- Мастер
- Сообщения: 3401
- Зарегистрирован: 21 мар 2011, 07:47
- Репутация: 2181
- Настоящее имя: Украинец Александр Григорьевич
- Откуда: Киев, Украина
- Контактная информация:
Re: Ввод в эксплуатацию ЧПУ системы на основе контроллера Kf
На сайте производителя несколько иная схема:
-
AlexD85
- Новичок
- Сообщения: 24
- Зарегистрирован: 05 июл 2015, 13:45
- Репутация: 4
- Настоящее имя: Александр
- Откуда: Санкт-Петербург
- Контактная информация:
Re: Ввод в эксплуатацию ЧПУ системы на основе контроллера Kf
Из строки из этого мануала "The AC type of input allows the common to be connected to either the Positive or Negative Supply voltage so that either sinking or sourcing outputs can be used (current can flow either direction to activate the input)" я понял, что Input Common можно подсоединять как к "+", так и к "-" , пробовал просто питание подавать на входы Коннекта- сначала плюс на общий, а минус ко входу, затем наоборот - работает и так, и так (в KMotionе напротив номера входа загорается галочка), только разный диод над входом на самой плате загорается. Проблема в том, что по схеме, как я нарисовал все работает - датчик срабатывает, включается Feed Hold, загвоздка только в постоянно горящем светодиоде на самом датчике - при срабатывании он просто загорается чуть ярче, а так горит во всю...ukr-sasha писал(а):На сайте производителя несколько иная схема:
- ukr-sasha
- Мастер
- Сообщения: 3401
- Зарегистрирован: 21 мар 2011, 07:47
- Репутация: 2181
- Настоящее имя: Украинец Александр Григорьевич
- Откуда: Киев, Украина
- Контактная информация:
Re: Ввод в эксплуатацию ЧПУ системы на основе контроллера Kf
Согласно http://www.google.com.ua/imgres?imgurl= ... cgodo0sG0A нагрузка (резистор на коннекте, который посажен на общий) соединяться должна с землей если датчик PNP, а у вас NPN.
-
AlexD85
- Новичок
- Сообщения: 24
- Зарегистрирован: 05 июл 2015, 13:45
- Репутация: 4
- Настоящее имя: Александр
- Откуда: Санкт-Петербург
- Контактная информация:
Re: Ввод в эксплуатацию ЧПУ системы на основе контроллера Kf
К сожалению, по несколько часов медитации над этой картинкой вчера и сегодня не дали результатаukr-sasha писал(а):Согласно http://www.google.com.ua/imgres?imgurl= ... cgodo0sG0A нагрузка (резистор на коннекте, который посажен на общий) соединяться должна с землей если датчик PNP, а у вас NPN.
- ukr-sasha
- Мастер
- Сообщения: 3401
- Зарегистрирован: 21 мар 2011, 07:47
- Репутация: 2181
- Настоящее имя: Украинец Александр Григорьевич
- Откуда: Киев, Украина
- Контактная информация:
Re: Ввод в эксплуатацию ЧПУ системы на основе контроллера Kf
Напряжение на выходе датчика какое в это время?
-
AlexD85
- Новичок
- Сообщения: 24
- Зарегистрирован: 05 июл 2015, 13:45
- Репутация: 4
- Настоящее имя: Александр
- Откуда: Санкт-Петербург
- Контактная информация:
Re: Ввод в эксплуатацию ЧПУ системы на основе контроллера Kf
С бп на 24В - при подключенном черном проводе к Коннекту - на нем 10В, при отключенном от Коннекта 24В
-
AlexD85
- Новичок
- Сообщения: 24
- Зарегистрирован: 05 июл 2015, 13:45
- Репутация: 4
- Настоящее имя: Александр
- Откуда: Санкт-Петербург
- Контактная информация:
Re: Ввод в эксплуатацию ЧПУ системы на основе контроллера Kf
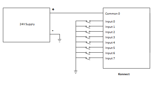
Решил задачу, правда для этого пришлось пополнить свои наискуднейшие знания в электротехнике
Выкладываю рабочую схему - может кому пригодится (чайникам типо меня
) И да - в Config&Flash должна стоять только галка Watch Limit (Stop when low естественно не нужна). Номер бита прописываем согласно табличке в самом конце хелпа по Коннекту - в данном случае это будет 1024.
Выкладываю рабочую схему - может кому пригодится (чайникам типо меня
-
fangelion
- Новичок
- Сообщения: 8
- Зарегистрирован: 23 июл 2015, 08:18
- Репутация: 0
- Настоящее имя: Игорь
- Контактная информация:
Re: Ввод в эксплуатацию ЧПУ системы на основе контроллера Kf
Доброго времени суток. Имеется Kflop board. Подключено 5 осей без энкодэров. На JP7 заведены концевики, с IO0 по IO4 через самопальную кроссплату. Kflop показывает, что при появлении сигнала на IO0 сигнал имеется так же на IO1, IO4 -- IO5, IO6 -- IO7. Что примечательно, так IO2 и IO3 себя ведут нормально. Плату проверил, все нормально,нигде не замыкает. Контакты на самой плате Kflop тоже в порядке, т.е. не закорочены. Настройки в программе практически стандартны, настроены только оси. Где может быть проблема?