Страница 12 из 15
Re: Попытка совместной разработки GRBL контроллера
Добавлено: 07 янв 2017, 15:31
ozzy_sv
Можешь ошибку по подробнее показать?
вот собственно под спойлером
Re: Попытка совместной разработки GRBL контроллера
Добавлено: 07 янв 2017, 17:19
staltech
Ошибка связана с поддержкой OpenGL, попробуй установить свежие драйвера с сайта Intel для проца. Судя по ошибке проц интеловский со встроенной графикой.
Re: Попытка совместной разработки GRBL контроллера
Добавлено: 07 янв 2017, 18:22
ozzy_sv
понял, на днях обновлюсь
еще один вопрос, в grbl 1.1 для версии на меге 328 убрали пин включения шпинделя (Spindle Enable D12) , и добавили шим выход скорости для шпинделя / лазера
т.е. получается включение / выключение шпинделя теперь производится вручную ?
з.ы. а вот на версии стм32 как раз этот выход есть (Spindle Enable - PB0)

Re: Попытка совместной разработки GRBL контроллера
Добавлено: 07 янв 2017, 18:34
selenur
ozzy_sv писал(а):понял, на днях обновлюсь
еще один вопрос, в grbl 1.1 для версии на меге 328 убрали пин включения шпинделя (Spindle Enable D12) , и добавили шим выход скорости для шпинделя / лазера
При посылке команды "S0" на выводе будет в любом случае 0 вольт, и при команде "S1000" 5 вольт, в результате чего это не отличается от того отдельного вывода, т.к. при этих значения шим-а вроде нет.
Re: Попытка совместной разработки GRBL контроллера
Добавлено: 07 янв 2017, 18:46
staltech
ozzy_sv писал(а):еще один вопрос, в grbl 1.1 для версии на меге 328 убрали пин включения шпинделя (Spindle Enable D12) , и добавили шим выход скорости для шпинделя / лазера
т.е. получается включение / выключение шпинделя теперь производится вручную ?
з.ы. а вот на версии стм32 как раз этот выход есть (Spindle Enable - PB0)
Это было сделано еще в версии 0.9 когда добавили PWM. На Atmege328 тупо пинов не хватает чтобы все задействовать, но по моему через config.h можно вместо Spindle Derection задействовать Spindle Enable. Там много что можно поменять и при желании разобраться будет не очень сложно.
ozzy_sv писал(а):понял, на днях обновлюсь
Имей ввиду драйвера именно с сайта Intel а не те которые винда автоматом ставит.
selenur писал(а):При посылке команды "S0" на выводе будет в любом случае 0 вольт, и при команде "S1000" 5 вольт, в результате чего это не отличается от того отдельного вывода, т.к. при этих значения шим-а вроде нет.
При S0 точно будет 0 в. а вот при S1000 честно говоря не помню, посмотри осцилографом.
Re: Попытка совместной разработки GRBL контроллера
Добавлено: 07 янв 2017, 18:50
selenur
staltech писал(а):S1000 честно говоря не помню, посмотри осцилографом.
В 0.8 версии точно было...
Ну на крайняк можно кондер подключить, он погасит ШИМ, и будет ровный сигнал.
Re: Попытка совместной разработки GRBL контроллера
Добавлено: 07 янв 2017, 18:57
ozzy_sv
ну тогда я автора grbl не понимаю, почему не перейти на более продвинутую платформу, тот же стм, раз возможности/ресурсы меги 328 исчерпаны
популярность от этого не пострадает , так как на grbl завязано достаточно много софта
отпугивает то что нет единого стандарта и получается можно выкрутить такое что через полгода/год при обновлении п.о. и не вспомниш как
все, буду эксперементировать
Re: Попытка совместной разработки GRBL контроллера
Добавлено: 07 янв 2017, 19:04
staltech
ozzy_sv писал(а):ну тогда я автора grbl не понимаю, почему не перейти на более продвинутую платформу, тот же стм, раз возможности/ресурсы меги 328 исчерпаны
популярность от этого не пострадает , так как на grbl завязано достаточно много софта
отпугивает то что нет единого стандарта и получается можно выкрутить такое что через полгода/год при обновлении п.о. и не вспомниш как
все, буду эксперементировать
Об этом лучше почитать на гитхабе, в ответах самого автора. Одновременная поддержка как Atmega так и STM32 задача геморойная. На одну может времени не хватать.
Пока сам не попробуешь не узнаешь.
Да имей ввиду драйвера под проц именно с сайта Intel, а не те которые винда подсовывает.
Re: Попытка совместной разработки GRBL контроллера
Добавлено: 08 янв 2017, 17:12
63ru
staltech подскажи как твою плату для фрезерования подготовить, пробую как у ребят в теме
http://www.cnc-club.ru/forum/viewtopic.php?f=28&t=10468
не выходит...
artcam2012
diptrace 3
....
вот так выглядит импорт в арткаме:
Re: Попытка совместной разработки GRBL контроллера
Добавлено: 08 янв 2017, 17:24
staltech
63ru писал(а):staltech подскажи как твою плату для фрезерования подготовить, пробую как у ребят в темеh
Рад бы, но здесь мне помочь не чем. Я не сторонник фрезерования плат и никогда этого даже не пробовал делать. Попробуй к Сергею
Selenur обратиться.
Компонент платки на STM32F103C8T6 для Diptrace сделал могу скинуть. Сегодня может накидаю схему контроллера с его использованием.
Re: Попытка совместной разработки GRBL контроллера
Добавлено: 08 янв 2017, 17:29
ozzy_sv
прикрепил архив с нужной стмкой
- stm32.zip
- diptrace lib
- (20.9 КБ) 414 скачиваний
Re: Попытка совместной разработки GRBL контроллера
Добавлено: 08 янв 2017, 17:38
63ru
staltech писал(а):63ru писал(а):staltech подскажи как твою плату для фрезерования подготовить, пробую как у ребят в темеh
Рад бы, но здесь мне помочь не чем. Я не сторонник фрезерования плат и никогда этого даже не пробовал делать. Попробуй к Сергею
Selenur обратиться..
попытаюсь еще, вариантов много в нете.. спасибо..
Компонент платки на STM32F103C8T6 для Diptrace сделал могу скинуть. Сегодня может накидаю схему контроллера с его использованием.
жду с нетерпением схемы )) 4 ось ? PWM-> 0..10 В ?
да и компонент пригодится думаю..
Re: Попытка совместной разработки GRBL контроллера
Добавлено: 08 янв 2017, 17:51
staltech
ozzy_sv писал(а):прикрепил архив с нужной стмкой
Я имею ввиду не стмку, а плату целиком.
https://ru.aliexpress.com/item/Free-Shi ... 0.0.6ENH02
63ru писал(а):жду с нетерпением схемы )) 4 ось ?
Я не буду заниматься с прошивкой под STM32 (уже писал об этом), думал ты сам хочешь попробовать.
63ru писал(а):PWM-> 0..10 В ?
Есть простые решения на полевиках, но у меня нет их в наличии чтобы проверить. Пока не решил как лучше реализовать этот преобразователь.
Если есть какие предложения по преобразователю PWM-> 0..10 В выкладывайте...
Re: Попытка совместной разработки GRBL контроллера
Добавлено: 08 янв 2017, 18:14
63ru
staltech писал(а):
Я не буду заниматься с прошивкой под STM32 (уже писал об этом), думал ты сам хочешь попробовать.
63ru писал(а):PWM-> 0..10 В ?
Есть простые решения на полевиках, но у меня нет их в наличии чтобы проверить. Пока не решил как лучше реализовать этот преобразователь.
Если есть какие предложения по преобразователю PWM-> 0..10 В выкладывайте...
по прошивке помню, был разговор.. немного ковырялся.. возникли вопросы..
сейчас пока отложил это.. разбираюсь с обработкой графики для граверовки.
по поводу PWM как то вот так:
Re: Попытка совместной разработки GRBL контроллера
Добавлено: 08 янв 2017, 18:20
Serg
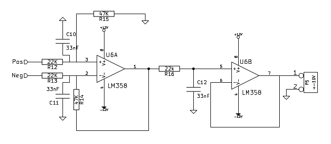
Проверенная и надёжная схема.
В схеме от 63ru низкоомная нагрузка например в 10-20к (обычное значение для частотников) будет занижать максимум и ухудшать линейность.
Re: Попытка совместной разработки GRBL контроллера
Добавлено: 08 янв 2017, 18:21
ozzy_sv
резистор в обратной связи оу можно сделать подстроечным, чтобы от уровня питания регулировать максимальное напряжение
Re: Попытка совместной разработки GRBL контроллера
Добавлено: 08 янв 2017, 18:49
staltech
UAVpilot писал(а):Проверенная и надёжная схема.
В схеме от 63ru низкоомная нагрузка например в 10-20к (обычное значение для частотников) будет занижать максимум и ухудшать линейность.
Там еще и минимума на сколько помню не будет, нужно операционник
rail to rail ставить. Или двухполярное питание, то есть твоя схема.
Вот я теперь и задумался, а стоит ли это все на плату контроллера пихать.

Может пусть каждый по своему делает...
Re: Попытка совместной разработки GRBL контроллера
Добавлено: 08 янв 2017, 19:04
staltech
63ru писал(а):по прошивке помню, был разговор.. немного ковырялся.. возникли вопросы..
От этого будет зависеть разводка платы. По этому я пока просто сделаю предварительные наброски схемы и платы. А там видно будет.
По возможности помогу с корректировкой прошивки. Только имей ввиду если автор GRBL будет выпускать новые версии или делать исправления, то актуальности форка в какой то степени не добиться. То есть эта версия будет сама по себе.

Re: Попытка совместной разработки GRBL контроллера
Добавлено: 10 янв 2017, 17:27
staltech
Файлы по проекту для STM32F103C8T6 (компонент платки Forarduino для DipTrace и часть схемы.)
Re: Попытка совместной разработки GRBL контроллера
Добавлено: 11 янв 2017, 01:03
ozzy_sv
я извиняюсь за то, что опять лезу в товарный ряд свои рылом
читал тему
https://github.com/gnea/grbl/issues/67 автор вроде как хочет перевести grbl на новую платформу и составить конкуренцию linuxcnc (из того написанного что я понял)
но почему то прицепился к камню SAMD21 (atmel), хотя ему предлагали cortex m4 и тот же stm32f103 , который дешевле в раза три за SAMD21 .. но автор стоит на своем..
так вот к чему я это , пор тировать самому или использовать готовый порт для текущей версии то можно но в дальнейшем поддержки не видать как своих ушей, может стоит подождать автора ? ну или использовать atmega2560 что скажите господа ?
staltech , candle после обновления драйвера видеокарты с сайта интела заработала , спасибо еще раз