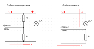
Для диодов надо отдельные БП, переделанные на стабилизацию тока, для пельтье надо обычный БП со стабилизацией напряжения, или вообще выкинуть его - пельтье нужен когда требуется понижать температуру ниже атмосферной, а тут нужно просто отводить тепло и тут от него мало толку будет.aftaev писал(а):Вот это нужно попробовать все скрутить:
Ждем UAVpilot
Если диоды должны работать одновременно, то нужны 2 отдельных БП т.к. токи у них разные. Если б были одинаковы, то можно было-бы попробовать обойтись одним.
