Пласт автомат своими руками

Намоточные, сверлильные, электроэррозионные и другие станки с ЧПУ.
Аватара пользователя
Nick
Мастер
Сообщения: 22776
Зарегистрирован: 23 ноя 2009, 16:45
Репутация: 1735
Заслуга: Developer
Откуда: Gatchina, Saint-Petersburg distr., Russia
Контактная информация:

Пласт автомат своими руками

Сообщение Nick »

На выходных, один из дрзей скинул ссылку на блог человека собравшего 3д принтер. Немного поразмыслив пришел к выводу, что самое сложное это изготовление механики перемещений. А при условии иеющихся у многих прототипов самодельных фрезерных станков, вся задача сводится к созданию экструдера. Одна из положительных сторон пластавтомата - это тихая работа и небольшая требовательность к жесткости конструкции. Плюсами такой конструскии являестя возможность создания полноценных 3д деталей настанках с 3 осями. При этом такие детали не всегда будет возможно создать даже на 5-ти осных станках.

Изделия выполняются из АБС пластика, который при затвержевании стновится очень прочным (для поастика). Из него можно изготавливать шестеренки и другие детали станков. Я уже начал подумывать о бсоздании зубчатой рейки с шестерней для своего самодельного раскладчика :roll: .

Изготовление сопла и нагревателя:
http://reprap.org/wiki/Heater_Block_For_Glass_Nozzle
http://reprap.org/wiki/Category:Extruders

Еще несколько ссылок по теме:
http://rn3aoh.net/archive/2011/02/16/na ... etnyj-udar
http://reprap.org/wiki/Main_Page

Вот здесь пролают готовый пластьюдер за $185, схема работы такая же как описана в блоге:
http://store.makerbot.com/plastruder-mk5.html
Аватара пользователя
RN3AOH
Кандидат
Сообщения: 66
Зарегистрирован: 06 мар 2011, 17:01
Репутация: 0
Откуда: Moscow, Russia
Контактная информация:

Re: Пласт автомат своими руками

Сообщение RN3AOH »

Проблема в том что там на выходе милливольты, а АЦП в большинстве микроконтроллеров чувствительны в районе целых вольтов. То бишь нужен тот или иной способ трансформировать сигнал с термопары.
Petka
Мастер
Сообщения: 242
Зарегистрирован: 17 апр 2011, 12:23
Репутация: 20
Контактная информация:

Re: Пласт автомат своими руками

Сообщение Petka »

RN3AOH писал(а): Поделитесь лучше не исходниками, а схемой, мне как электронщику слабому оно интереснее, а код все равно переписывать под все остальное придется. :)
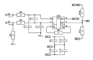
Схема - проста как 5 копеек. (кусок схемы из рабочей платы)
Схема (5147 просмотров) <a class='original' href='./download/file.php?id=1426&mode=view' target=_blank>Загрузить оригинал (29.89 КБ)</a>
Схема
Номиналы:
R4, R5, R11 - 1 кОм
R2 - 10 кОм
С6, С9, С10 - 0,1 мкФ
С12, С13 - 0,01 мкФ (можно не ставить)
R6 - 1 кОм - 1%
R10 - 4,7 кОм
С5, С6 - 1000 пФ
Цепь "REF_4V096" ~4В с источника опорного напряжения 4,096В. (REF198)
Цепи "AMP_OUT" и "REF" - заводятся прямо на АЦП контроллера - потом обработка чисто программная.
Суть: R4 и C5 (как и R5 - C7 соответственно) - простой фильтр от внеполосных помех (в основном защита операционника от возбуждения).
R6 - единственный компонент, требующий точности - от него зависит коэффициент усиления. В этой схеме Ку ~ 1000.
C9,10,12,13 - фильтр питания операционника
DA2 - сам операционник (инструментальный усилитель AD623)
R10-11 - делитель опорного напряжения.
P.S.
X4 - X5 это клеммы для подключения термопары.
Последний раз редактировалось Petka 18 апр 2011, 22:17, всего редактировалось 1 раз.
Petka
Мастер
Сообщения: 242
Зарегистрирован: 17 апр 2011, 12:23
Репутация: 20
Контактная информация:

Re: Пласт автомат своими руками

Сообщение Petka »

RN3AOH писал(а):Проблема в том что там на выходе милливольты, а АЦП в большинстве микроконтроллеров чувствительны в районе целых вольтов. То бишь нужен тот или иной способ трансформировать сигнал с термопары.
Выше я предлагаю как усилить сигнал в 1000 раз.
Аватара пользователя
Nick
Мастер
Сообщения: 22776
Зарегистрирован: 23 ноя 2009, 16:45
Репутация: 1735
Заслуга: Developer
Откуда: Gatchina, Saint-Petersburg distr., Russia
Контактная информация:

Re: Пласт автомат своими руками

Сообщение Nick »

Так-так... Петь, а где у нас в Питере лучше всю эту комплектуху покупать?

Кстати, а смогу я всю эту схему от USB запитать вместе с Arduino?
Petka
Мастер
Сообщения: 242
Зарегистрирован: 17 апр 2011, 12:23
Репутация: 20
Контактная информация:

Re: Пласт автомат своими руками

Сообщение Petka »

Nick писал(а):Так-так... Петь, а где у нас в Питере лучше всю эту комплектуху покупать?

Кстати, а смогу я всю эту схему от USB запитать вместе с Arduino?
Круг стандартный: чип и дип, микроника, промэлектроника, мегаэлектроника.
От USB не получится, нужно отрицательное питание для операционника. а вот простейший блок питания для этого сделать проще-простого. Трансформатор с двумя вторичными обмотками, два моста, два аллюминиевых конденсатора и две КРЕНки =). Расчитать номиналы конденсаторов, напряжений вторичных обмоток я помогу. Или могу собрать для тебя БП.
Аватара пользователя
Nick
Мастер
Сообщения: 22776
Зарегистрирован: 23 ноя 2009, 16:45
Репутация: 1735
Заслуга: Developer
Откуда: Gatchina, Saint-Petersburg distr., Russia
Контактная информация:

Re: Пласт автомат своими руками

Сообщение Nick »

А с блока питания компа не подойдет? Там вроде есть -5В.

ЗЫ наверное сейчас тупость скажу :). Мне всегда казалось, что напряжение дело относительное, и если просто поменять провода местами то вместо +5 можно получить -5.
Аватара пользователя
RN3AOH
Кандидат
Сообщения: 66
Зарегистрирован: 06 мар 2011, 17:01
Репутация: 0
Откуда: Moscow, Russia
Контактная информация:

Re: Пласт автомат своими руками

Сообщение RN3AOH »

Напряжение действительно дело относительное, но чтобы где-то было -5 вольт, надо чтобы где-то еще было больше нуля и нуль. :)

И вот эти -5 меня собственно и смущают от чтения термопары таким образом, творить на плате -5 вольт при питании от 12 не хочется совершенно...
Petka
Мастер
Сообщения: 242
Зарегистрирован: 17 апр 2011, 12:23
Репутация: 20
Контактная информация:

Re: Пласт автомат своими руками

Сообщение Petka »

RN3AOH писал(а):Напряжение действительно дело относительное, но чтобы где-то было -5 вольт, надо чтобы где-то еще было больше нуля и нуль. :)

И вот эти -5 меня собственно и смущают от чтения термопары таким образом, творить на плате -5 вольт при питании от 12 не хочется совершенно...
Зачем от 12? из 220 получить гораздо проще. Ну или можно методом "Коли" из 12В сделать -5В. с помощью гальванически отвязанного DC/DC преобразователя, например. Однако для питания аналоговых измерительных схем лучше использовать линейные источники питания. тем более они строятся очень просто.
Аватара пользователя
Nick
Мастер
Сообщения: 22776
Зарегистрирован: 23 ноя 2009, 16:45
Репутация: 1735
Заслуга: Developer
Откуда: Gatchina, Saint-Petersburg distr., Russia
Контактная информация:

Re: Пласт автомат своими руками

Сообщение Nick »

Не получится ли это дороже чем платиновый датчик? трансформатор, усилитель, термопара...
Petka
Мастер
Сообщения: 242
Зарегистрирован: 17 апр 2011, 12:23
Репутация: 20
Контактная информация:

Re: Пласт автомат своими руками

Сообщение Petka »

Nick писал(а):Не получится ли это дороже чем платиновый датчик? трансформатор, усилитель, термопара...
По моим расчётам стоимость будет с термопарой чуть-чуть дороже (рублей на 200 максимум) однако удобство использования термопары всё это скомпенсирует.
Аватара пользователя
Nick
Мастер
Сообщения: 22776
Зарегистрирован: 23 ноя 2009, 16:45
Репутация: 1735
Заслуга: Developer
Откуда: Gatchina, Saint-Petersburg distr., Russia
Контактная информация:

Re: Пласт автомат своими руками

Сообщение Nick »

Меня вот еще какой вопрос мучает, предположим мы разобрались с нагревателем, но как будет контролироваться скорость подачи АБС? Точнее даже не скорость подачи прутка, ее то мы можем контролировать, а скорость выхода "струны". Или просто берем сечение прутка делим на сечение струны и получаем скорость струны из скорости прутка?
Petka
Мастер
Сообщения: 242
Зарегистрирован: 17 апр 2011, 12:23
Репутация: 20
Контактная информация:

Re: Пласт автомат своими руками

Сообщение Petka »

Nick писал(а):Меня вот еще какой вопрос мучает, предположим мы разобрались с нагревателем, но как будет контролироваться скорость подачи АБС? Точнее даже не скорость подачи прутка, ее то мы можем контролировать, а скорость выхода "струны". Или просто берем сечение прутка делим на сечение струны и получаем скорость струны из скорости прутка?
Так именно. Ибо закон сохранения материи =)
Аватара пользователя
Nick
Мастер
Сообщения: 22776
Зарегистрирован: 23 ноя 2009, 16:45
Репутация: 1735
Заслуга: Developer
Откуда: Gatchina, Saint-Petersburg distr., Russia
Контактная информация:

Re: Пласт автомат своими руками

Сообщение Nick »

Меня несколько беспокоит инертность всей этой конструкции.
Ты никогда не пробовал выдавливать клей из большого тюбика? Начинаешь давить, а клей вылазит только через 5-10 секунд и лезет примерно столько же уже после того как ты остановился. И вот так сидишь и думаешь, блин куда его намазать пока он на ковер не капнул :hehehe:.
Petka
Мастер
Сообщения: 242
Зарегистрирован: 17 апр 2011, 12:23
Репутация: 20
Контактная информация:

Re: Пласт автомат своими руками

Сообщение Petka »

Nick писал(а):Меня несколько беспокоит инертность всей этой конструкции.
Ты никогда не пробовал выдавливать клей из большого тюбика? Начинаешь давить, а клей вылазит только через 5-10 секунд и лезет примерно столько же уже после того как ты остановился. И вот так сидишь и думаешь, блин куда его намазать пока он на ковер не капнул :hehehe:.
Инертность берётся от наличия в тюбике сжимаемых пузырьков воздуха. А так, если ты помнишь - жидкости они практически несжимаемы. По этой причине необходимо обеспечить отсутствие воздуха в канале и сопле экструдера. тогда инертности не будет.
Аватара пользователя
Nick
Мастер
Сообщения: 22776
Зарегистрирован: 23 ноя 2009, 16:45
Репутация: 1735
Заслуга: Developer
Откуда: Gatchina, Saint-Petersburg distr., Russia
Контактная информация:

Re: Пласт автомат своими руками

Сообщение Nick »

У нас тоже будут пустоты: канал шире прутка на 0.5мм, что равно около 36%. Плюс сам пруток может изгибаться, что тоже приведет к инертности системы относительно перемещения прутка.
Petka
Мастер
Сообщения: 242
Зарегистрирован: 17 апр 2011, 12:23
Репутация: 20
Контактная информация:

Re: Пласт автомат своими руками

Сообщение Petka »

Nick писал(а):У нас тоже будут пустоты: канал шире прутка на 0.5мм, что равно около 36%. Плюс сам пруток может изгибаться, что тоже приведет к инертности системы относительно перемещения прутка.
Пустот не должно быть после "застеклованной пробки". Для этого надо сделать такую конструкцию, которая выдавливает пузырьки через сопло.
Аватара пользователя
RN3AOH
Кандидат
Сообщения: 66
Зарегистрирован: 06 мар 2011, 17:01
Репутация: 0
Откуда: Moscow, Russia
Контактная информация:

Re: Пласт автомат своими руками

Сообщение RN3AOH »

Мы вообще задолбались с металлическими соплами настолько, что сейчас я купил горелку, и Вольф таки получил сопло строго 0.4 из стекла. :) С одной стороны, на металлических соплах мы однозначно напечатали гораздо больше деталей. С другой стороны, стеклянное сопло пока единственное что выдержало без затыкания 36 часов непрерывной работы, тогда как для металлического сопла этот рекорд 20 часов, и причин по которым оно гарантировано затыкается похоже не менее четырех разных, а фторопластовой трубочки под рукой по прежнему нет.

В общем посмотрим что лучше получится. Стекло достаточно безнаказанно обрабатывается на газовой горелке на газе для зажигалок и дремельным точильным кругом, как выяснилось...

Так вот, про скорость выдавливания. Все буржуйские математики, в том числе и Skeinforge с версии 40, подразумевают что мы делим входной диаметр на выходной и получаем соотношение миллиметров длинны входа к миллиметрам длинны выхода. На практике так никогда не бывает в точности, из-за инерции. Инерцию можно компенсировать в Skeinforge местами, но какие-то сопли будут всегда. Можно построить алгоритм так, чтобы большинство из них оставались внутри пустот детали, что улучшает качество, но вообще, свободно висящие в одиночку не налипшие друг на друга сопли отваливаются если надавить ногтем почти не оставляя следов.

Кроме того, зависимость по физическим причинам не может быть фиксированной, потому что расплавленный пластик начинает таки испускать газы, от чего объем его меняется, по мере остывания и застывания его объем тоже меняется, и так далее... На практике это учитывается при калибровке, в Skeinforge 39 которым мы пользуемся сейчас это делается примерно так:

0. Подгоняем количество шагов на миллиметр в прошивке таким образом, чтобы на G1 E50 выдавливалось 50мм струны в среднем.
1. Печатаем квадратную калибровочную деталь имеющую толщину стенки ровно один слой с некоей разумной толщиной слоя (0.3мм в нашем случае сейчас) и замеряем фактическую толщину стенки.
2. Сообщаем Skeinforge фактическую толщину стенки как ширину фактического размазывания струны. Он начинает вычислять раскладку струны по объему детали с учетом этой величины.
3. Печатаем сплошной калибровочный кубик и подгоняем коэффициент истекания (Flow rate) так чтобы стенки были сплошными, что хорошо видно по крышке а также по тому, пропускает ли кубик воздух.

На самом деле это способ фактически от балды, потому что толщина стенки зависит от того, сколько пластика было выдавлено на миллиметр, а выдавлено будет столько сколько скажешь, и насколько широко он может расползтись зависит от формы жиклера снизу, температуры, твердости, и прочая и прочая... в общем, это балансировочная тактика, которая позволяет найти некое равновесие, точек равновесия в этой системе уравнений на самом деле должна быть целая линия, просто найти ее иначе как эмпирически затруднительно. После нескольких итераций в п.3, размеры детали получаются с допуском где-то 0.1мм относительно нарисованного в модели, чего обычно достаточно, все-таки не металл.
Аватара пользователя
Nick
Мастер
Сообщения: 22776
Зарегистрирован: 23 ноя 2009, 16:45
Репутация: 1735
Заслуга: Developer
Откуда: Gatchina, Saint-Petersburg distr., Russia
Контактная информация:

Re: Пласт автомат своими руками

Сообщение Nick »

А как вы греете стеклянную трубку? Нихромом, или все также резисторами и металлическим башмаком?
И как делали саму трубку, брали готовую и уменьшали выходное отверстие до 0.4?
Какие основные причины затыкания? Все та же пробка из-за отсутствия термобарьера?

У нас в Питере фторопласт продается с рук в Юноне на пр. Маршала Казакова, наверное, аналоге вашего Митино...
Аватара пользователя
RN3AOH
Кандидат
Сообщения: 66
Зарегистрирован: 06 мар 2011, 17:01
Репутация: 0
Откуда: Moscow, Russia
Контактная информация:

Re: Пласт автомат своими руками

Сообщение RN3AOH »

Резисторами круглыми и алюминиевым башмаком. Сопло старое после небольшой обработки горелкой до получения точной дырки 0.4 -- если найдем источник более подходящих стеклянных трубок, думаю, начнем делать сами.

1. Алюминиевый наборный радиатор из полос формирует гнездо.
2. В гнезде висит, торча из радиатора вниз, стеклянное сопло, накрывается сверху крышечкой чтобы не вылетало.
3. Под радиатором на болтиках висит обхватывающий сопло алюминевый брусок с резисторами.
4. Все на термоклею чтобы не ползало.

Основные причины затыкания "вообще" удалось насчитать такие:

1. Пробка поднялась слишком высоко, и пруток застрял.
2. Образуется слишком большая расплавная камера в которой расплав совершает круговорот, не выдавливаясь и оставаясь надолго. В конце концов он выгорает, испуская постепенно газы, и дальше не плавится, после чего система затыкается.
3. Контаминант. Термопаста при такой температуре попав случайно в расплав спускает свое силиконовое масло, которое выходит наружу, а оксид цинка остается в расплаве приводит к тому же что и в п.2, только почти мгновенно, и тем быстрее чем больше термопасты туда попало.

В цельнометаллических соплах существует какая-то зона баланса между п.1 и п.2 которая при уменьшении скорости печати сужается, с применением фторопластовых прокладок и компонентов соответственно наоборот растет. Стеклянные сопла, за счет идеально гладкой поверхности, меньше страдают от п.1, за счет очень низкой теплопроводности стекла имеют очень короткую зону перехода, так что большой пробка не бывает, а в силу технологии изготовления у них не может быть п.2.

Фторопласт можно конечно добыть, если сделать Makerbot-овский вариант сопла, то достаточно просто фторопластовой трубочки которая уж точно где-то да есть, но сейчас надоело время на эксперименты терять, так что мы решили пока что это дело отложить...
Аватара пользователя
Nick
Мастер
Сообщения: 22776
Зарегистрирован: 23 ноя 2009, 16:45
Репутация: 1735
Заслуга: Developer
Откуда: Gatchina, Saint-Petersburg distr., Russia
Контактная информация:

Re: Пласт автомат своими руками

Сообщение Nick »

Наткнулся в Youtube на видео с интересным 3д принтером. Пишут, что он может печатать в цвете :). Но на самом деле это не совсем цвет - просто у него есть несколько сопел (интересно как правильно сопел, соплов, или сопелей :) ). Кстати не заметил там никакого особого устройства для охлаждения трубки. Да, есть утончение, но не более того. Да и не кажется оно таким уж тонким. Зато есть аж 4 кулера которые, судя по всему, дуют на уже напечатанный блок.
https://www.youtube.com/watch?v=7REpjqJDi2I
Ответить

Вернуться в «Прочие станки»