Написал в личкуDeniskinKMS писал(а):Буду переходить на софт уважаемых форумчан,
Работа с программой CNC USB Controller (от cnc-planet)
- xvovanx
- Мастер
- Сообщения: 3773
- Зарегистрирован: 25 фев 2016, 12:27
- Репутация: 920
- Настоящее имя: Владимир
- Откуда: Latvia
- Контактная информация:
Re: Работа с программой CNC USB Controller (от cnc-planet)
-
trikot
- Опытный
- Сообщения: 165
- Зарегистрирован: 08 апр 2017, 22:27
- Репутация: 25
- Настоящее имя: Ян
- Откуда: Москва
- Контактная информация:
Re: Работа с программой CNC USB Controller (от cnc-planet)
Наконец собрал все и подключил к станку. Но почему-то шаговики не крутятся. Я в программе нажимал кнопочки перемещения по осям, никакого эффекта. Казалось бы все очень просто - к контроллеру драйвер подключить, к драйверу шаговик, подать питание... Может в программе нужно что-то настроить предварительно?
-
trikot
- Опытный
- Сообщения: 165
- Зарегистрирован: 08 апр 2017, 22:27
- Репутация: 25
- Настоящее имя: Ян
- Откуда: Москва
- Контактная информация:
Re: Работа с программой CNC USB Controller (от cnc-planet)
Не понимаю как может помочь фотография, но вот, пожалуйста. При проверке, управление шпинделем отключил.
PS... Инвертировал выход, вроде зашевелились привода. Буду дальше ковыряться.
PS... Инвертировал выход, вроде зашевелились привода. Буду дальше ковыряться.
-
trikot
- Опытный
- Сообщения: 165
- Зарегистрирован: 08 апр 2017, 22:27
- Репутация: 25
- Настоящее имя: Ян
- Откуда: Москва
- Контактная информация:
Re: Работа с программой CNC USB Controller (от cnc-planet)
Вылез непонятный косяк с лимитами. При замыкании концевика "Х" окно "Х" красное, при замыкании "У" окно "Х" фиолетовое, при замыкании "Z" окно "У" красное. Окно "Z" не подсвечивается вообще. Концевики распаяны правильно, и это происходит при отключенных концевиках, просто при замыкании пинцетом контактов на самом разъеме. Второй день чешу репу и ничего не понимаю...
- selenur
- Почётный участник

- Сообщения: 4605
- Зарегистрирован: 21 авг 2013, 19:44
- Репутация: 1622
- Настоящее имя: Сергей
- Откуда: Новый Уренгой
- Контактная информация:
Re: Работа с программой CNC USB Controller (от cnc-planet)
При замыкании концевиков X+ цвет один, при замыкании X- цвет другой, то-же самое и для остальных осей. У контроллера 6 контактов концевиков, а не 3 
Мой сайт: http://selenur.ru
Исходники моих программ: https://github.com/selenur
Instagram https://www.instagram.com/zheigurov/
Исходники моих программ: https://github.com/selenur
Instagram https://www.instagram.com/zheigurov/
-
trikot
- Опытный
- Сообщения: 165
- Зарегистрирован: 08 апр 2017, 22:27
- Репутация: 25
- Настоящее имя: Ян
- Откуда: Москва
- Контактная информация:
Re: Работа с программой CNC USB Controller (от cnc-planet)
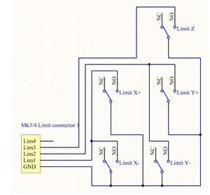
Я руководствовался этой схемой из описания контроллера.
И судя по описанию контроллера у него только 4 входа для концевиков, по количеству осей.
- xvovanx
- Мастер
- Сообщения: 3773
- Зарегистрирован: 25 фев 2016, 12:27
- Репутация: 920
- Настоящее имя: Владимир
- Откуда: Latvia
- Контактная информация:
Re: Работа с программой CNC USB Controller (от cnc-planet)
Проверьте в меню, во вкладке концевики, чтобы на оси Z стояли галочки.trikot писал(а):Вылез непонятный косяк с лимитами. При замыкании концевика "Х" окно "Х" красное, при замыкании "У" окно "Х" фиолетовое, при замыкании "Z" окно "У" красное. Окно "Z" не подсвечивается вообще. Концевики распаяны правильно, и это происходит при отключенных концевиках, просто при замыкании пинцетом контактов на самом разъеме. Второй день чешу репу и ничего не понимаю...
Как в MK3 организована вообще работа с концевиками для меня тоже вопрос. Как прога может отличить какой концевик сработал Х+ или Х- если они подключены параллельно непонятно, возможно прога учитывает заданные габариты стола в меню и положение шпинделя, и уже отсюда становится понятно, какой сработал ...
-
trikot
- Опытный
- Сообщения: 165
- Зарегистрирован: 08 апр 2017, 22:27
- Репутация: 25
- Настоящее имя: Ян
- Откуда: Москва
- Контактная информация:
Re: Работа с программой CNC USB Controller (от cnc-planet)
Так вроде выставил все что надо.
Вот тут указаны задействованные концевики. А на вкладке Лимиты только инвертировать сигналы можно.
Вот тут указаны задействованные концевики. А на вкладке Лимиты только инвертировать сигналы можно.
- selenur
- Почётный участник

- Сообщения: 4605
- Зарегистрирован: 21 авг 2013, 19:44
- Репутация: 1622
- Настоящее имя: Сергей
- Откуда: Новый Уренгой
- Контактная информация:
Re: Работа с программой CNC USB Controller (от cnc-planet)
Судя по настройкам, у тебя 8 входов для концевиков осей XYZA, по 2 на каждую ось, на первом скрине не видно ось A из-за настройки выбранного вида станка.
Мой сайт: http://selenur.ru
Исходники моих программ: https://github.com/selenur
Instagram https://www.instagram.com/zheigurov/
Исходники моих программ: https://github.com/selenur
Instagram https://www.instagram.com/zheigurov/
-
trikot
- Опытный
- Сообщения: 165
- Зарегистрирован: 08 апр 2017, 22:27
- Репутация: 25
- Настоящее имя: Ян
- Откуда: Москва
- Контактная информация:
Re: Работа с программой CNC USB Controller (от cnc-planet)
Я думаю все проще. Программа универсальная и подходит для 9-и осевого контроллера. Поэтому там указано 8 входов, и девятый Shift.
Уже полазил по форуму Planet, пока ничего не нашел. Может придется там спросить. Какой-то косяк...
Уже полазил по форуму Planet, пока ничего не нашел. Может придется там спросить. Какой-то косяк...
- xvovanx
- Мастер
- Сообщения: 3773
- Зарегистрирован: 25 фев 2016, 12:27
- Репутация: 920
- Настоящее имя: Владимир
- Откуда: Latvia
- Контактная информация:
Re: Работа с программой CNC USB Controller (от cnc-planet)
to trikot,
Попробуйте и на Z- поставить галочку.
P.S. в описании по работе с CncPlanet программой упоминается о параллельных или последовательных подключениях концевиков, но как оно работает...
Попробуйте и на Z- поставить галочку.
P.S. в описании по работе с CncPlanet программой упоминается о параллельных или последовательных подключениях концевиков, но как оно работает...
-
trikot
- Опытный
- Сообщения: 165
- Зарегистрирован: 08 апр 2017, 22:27
- Репутация: 25
- Настоящее имя: Ян
- Откуда: Москва
- Контактная информация:
Re: Работа с программой CNC USB Controller (от cnc-planet)
Кажется наконец немного разобрался с концевиками. Во первых нужно поставить галку в настройках лимитов "Один на два положения".
Просто так концевики при нажатии не подсвечивают окно. Но если во время движения нажать нужный, то это останавливает перемещение. В это время подсвечено соответствующее окошко. В зависимости от направления движения цвет меняется. В состоянии покоя при нажатии подсвечивается только последний сработавший концевик. Мудрено конечно, но слава богу что разобрался и можно двигаться дальше
Просто так концевики при нажатии не подсвечивают окно. Но если во время движения нажать нужный, то это останавливает перемещение. В это время подсвечено соответствующее окошко. В зависимости от направления движения цвет меняется. В состоянии покоя при нажатии подсвечивается только последний сработавший концевик. Мудрено конечно, но слава богу что разобрался и можно двигаться дальше
- selenur
- Почётный участник

- Сообщения: 4605
- Зарегистрирован: 21 авг 2013, 19:44
- Репутация: 1622
- Настоящее имя: Сергей
- Откуда: Новый Уренгой
- Контактная информация:
Re: Работа с программой CNC USB Controller (от cnc-planet)
вот тут: https://planet-cnc.com/wp-content/uploa ... erMk34.pdf на 10-й странице написано: при использовании мк3/4 нужно установить параметр «single input», что-то типа "один канал на одну ось".
Поищи такую настройку.
Поищи такую настройку.
Мой сайт: http://selenur.ru
Исходники моих программ: https://github.com/selenur
Instagram https://www.instagram.com/zheigurov/
Исходники моих программ: https://github.com/selenur
Instagram https://www.instagram.com/zheigurov/
-
trikot
- Опытный
- Сообщения: 165
- Зарегистрирован: 08 апр 2017, 22:27
- Репутация: 25
- Настоящее имя: Ян
- Откуда: Москва
- Контактная информация:
Re: Работа с программой CNC USB Controller (от cnc-planet)
Постом выше про это же написал.
Буду двигаться дальше.
Буду двигаться дальше.
-
trikot
- Опытный
- Сообщения: 165
- Зарегистрирован: 08 апр 2017, 22:27
- Репутация: 25
- Настоящее имя: Ян
- Откуда: Москва
- Контактная информация:
Re: Работа с программой CNC USB Controller (от cnc-planet)
Делюсь. Пока что никаких помех от шпинделя на плату управления не заметил. Все работает нормально. Я пока что начал разбираться, так что результатов мало.xvovanx писал(а):Да, ждем результатов работы МК3.
Вот маленькое видео, на котором видно что шпиндель не наводит помехи. Что будет дальше пока не знаю.
https://youtu.be/EY8MkrpEvcI
Вопрос. Не нашел возможности ввода диаметра инструмента. Понимаю что модно G код вписать нужный, но это как-то неудобно.
- maagalex
- Мастер
- Сообщения: 477
- Зарегистрирован: 05 мар 2017, 14:39
- Репутация: 27
- Настоящее имя: Александр Липкович
- Контактная информация:
Re: Работа с программой CNC USB Controller (от cnc-planet)
Вопрос..Я пользуюсь MK2 и заказал сегодня еще MK3/4 для второго станка..Хочется сделать пультик MPG PEGANT так сказать, предлагается сделать его с кнопочками и крутилкой для изменения скорости подачи..Классическийй пультик с большим колесом-енкодером вроде как применить нельзя, можно только на MK3 с 9 осями который..
Но что меня немного озадачило это такая функция как синхронизация шпинделя: jogging keyboard support with speed potentiometer, shift, step and spindle sync feature..
Под нее есть специальные входы для енкодера на плате, сам энкодер куда одевается и что регулирует непонятно..
И еще, тут многие спрашивали про дешевый USB контроллер, на сайте estlcam подробно описывается как использовать в качестве оного ардуино плату, если сравнить с MK1 какие плюсы и минусы?
Но что меня немного озадачило это такая функция как синхронизация шпинделя: jogging keyboard support with speed potentiometer, shift, step and spindle sync feature..
Под нее есть специальные входы для енкодера на плате, сам энкодер куда одевается и что регулирует непонятно..
И еще, тут многие спрашивали про дешевый USB контроллер, на сайте estlcam подробно описывается как использовать в качестве оного ардуино плату, если сравнить с MK1 какие плюсы и минусы?
- xvovanx
- Мастер
- Сообщения: 3773
- Зарегистрирован: 25 фев 2016, 12:27
- Репутация: 920
- Настоящее имя: Владимир
- Откуда: Latvia
- Контактная информация:
Re: Работа с программой CNC USB Controller (от cnc-planet)
При создании файлов обработки сторонними программами учитывается размер инструмента, но и в программе тоже можно свои сверла "забить"trikot писал(а):...Не нашел возможности ввода диаметра инструмента. Понимаю что модно G код вписать нужный, но это как-то неудобно.
-
trikot
- Опытный
- Сообщения: 165
- Зарегистрирован: 08 апр 2017, 22:27
- Репутация: 25
- Настоящее имя: Ян
- Откуда: Москва
- Контактная информация:
Re: Работа с программой CNC USB Controller (от cnc-planet)
Понятно что например в Компасе можно сдвигать контур на половину радиуса фрезы, но это не совсем удобно. Буду ковыряться с настройками.
Еще вопросик. Попробовал загрузить файл сверловки из Диптрейса, но он почему то уменьшен в размерах. При загрузке выбрал "мм" и PCB Size как реальный, получилось раза в 3 меньше реального.
Еще вопросик. Попробовал загрузить файл сверловки из Диптрейса, но он почему то уменьшен в размерах. При загрузке выбрал "мм" и PCB Size как реальный, получилось раза в 3 меньше реального.
- xvovanx
- Мастер
- Сообщения: 3773
- Зарегистрирован: 25 фев 2016, 12:27
- Репутация: 920
- Настоящее имя: Владимир
- Откуда: Latvia
- Контактная информация:
Re: Работа с программой CNC USB Controller (от cnc-planet)
с Диптрейсом не знаком, но когда загружаю файл сверловок drl от SprintLayout, то обязательно ставлю формат 2:3 (количество знаков) иначе тоже размер улетаетtrikot писал(а):...
Еще вопросик. Попробовал загрузить файл сверловки из Диптрейса, но он почему то уменьшен в размерах. При загрузке выбрал "мм" и PCB Size как реальный, получилось раза в 3 меньше реального.