EMC2 и AlphaCAM

Обсуждение установки, настройки и использования LinuxCNC. Вопросы по Gкоду.
Андрей
Кандидат
Сообщения: 95
Зарегистрирован: 11 авг 2011, 15:25
Репутация: 0
Контактная информация:

Re: EMC2 и AlphaCAM

Сообщение Андрей »

замыкаю между собой 15 и 1 не чо не происходит
пытаюсь запустить программу пишет не могу исполнить пока не найду начало оси
нажимаю найти начало оси начинает ехать неизвестно куда
Аватара пользователя
Nick
Мастер
Сообщения: 22776
Зарегистрирован: 23 ноя 2009, 16:45
Репутация: 1735
Заслуга: Developer
Откуда: Gatchina, Saint-Petersburg distr., Russia
Контактная информация:

Re: EMC2 и AlphaCAM

Сообщение Nick »

Значит так.
1. Проверь как работают концевики. Нажимаешь на концевик, смотришь не говорит ли EMC2, что концевик нажат?
2. После этого проверяешь homing. Подгоняешь станок по-ближе к концевикам и нажимаешь home. Должен поехать в сторону концевика, потом когда он нажмется поедет обратно.

ЗЫ концевики подключены к LPT???
Андрей
Кандидат
Сообщения: 95
Зарегистрирован: 11 авг 2011, 15:25
Репутация: 0
Контактная информация:

Re: EMC2 и AlphaCAM

Сообщение Андрей »

да подключены
коль правильно или нет я 15 замыкаю на 1
Аватара пользователя
Nick
Мастер
Сообщения: 22776
Зарегистрирован: 23 ноя 2009, 16:45
Репутация: 1735
Заслуга: Developer
Откуда: Gatchina, Saint-Petersburg distr., Russia
Контактная информация:

Re: EMC2 и AlphaCAM

Сообщение Nick »

По идее, ты должен замыкать пин на землю lpt... Как у тебя подключены концевики?

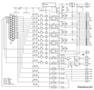
:attention: Но к нему не плохо бы добавить оптоизоляцию. Вообще все это делается на уровне контроллера или breakout карты. Т.е. ты концевик подключаешь к контроллеру, а его уже в lpt.

Какой у тебя контроллер?
Вложения
1237371706_sch.jpg (2498 просмотров) <a class='original' href='./download/file.php?id=3239&mode=view' target=_blank>Загрузить оригинал (140.58 КБ)</a>
Андрей
Кандидат
Сообщения: 95
Зарегистрирован: 11 авг 2011, 15:25
Репутация: 0
Контактная информация:

Re: EMC2 и AlphaCAM

Сообщение Андрей »

сажаю на землю все тоже
а первый куда
Аватара пользователя
Nick
Мастер
Сообщения: 22776
Зарегистрирован: 23 ноя 2009, 16:45
Репутация: 1735
Заслуга: Developer
Откуда: Gatchina, Saint-Petersburg distr., Russia
Контактная информация:

Re: EMC2 и AlphaCAM

Сообщение Nick »

см сообщение выше
Андрей
Кандидат
Сообщения: 95
Зарегистрирован: 11 авг 2011, 15:25
Репутация: 0
Контактная информация:

Re: EMC2 и AlphaCAM

Сообщение Андрей »

вот этот
Вложения
SMD60-7_UA.pdf
(888.13 КБ) 1339 скачиваний
Аватара пользователя
Nick
Мастер
Сообщения: 22776
Зарегистрирован: 23 ноя 2009, 16:45
Репутация: 1735
Заслуга: Developer
Откуда: Gatchina, Saint-Petersburg distr., Russia
Контактная информация:

Re: EMC2 и AlphaCAM

Сообщение Nick »

А к нему ты как подключаешься? Напрямую или через breakout плату?
Андрей
Кандидат
Сообщения: 95
Зарегистрирован: 11 авг 2011, 15:25
Репутация: 0
Контактная информация:

Re: EMC2 и AlphaCAM

Сообщение Андрей »

на прямую с лпт порта пины идут на плату и отрабатывает координаты
эта плата управления шаговиками и мвсе
Аватара пользователя
Nick
Мастер
Сообщения: 22776
Зарегистрирован: 23 ноя 2009, 16:45
Репутация: 1735
Заслуга: Developer
Откуда: Gatchina, Saint-Petersburg distr., Russia
Контактная информация:

Re: EMC2 и AlphaCAM

Сообщение Nick »

Угу, тогда тебе надо сделать что-то вроде той схемы которая вверху весит, чтобы ненароком ничего не спалить. И подключать все будет гораздо удобнее.
Андрей
Кандидат
Сообщения: 95
Зарегистрирован: 11 авг 2011, 15:25
Репутация: 0
Контактная информация:

Re: EMC2 и AlphaCAM

Сообщение Андрей »

ок будем думать
а вообще такую плату купить можна или самому пають??? и скоко стоит
Аватара пользователя
Nick
Мастер
Сообщения: 22776
Зарегистрирован: 23 ноя 2009, 16:45
Репутация: 1735
Заслуга: Developer
Откуда: Gatchina, Saint-Petersburg distr., Russia
Контактная информация:

Re: EMC2 и AlphaCAM

Сообщение Nick »

Лучше купить. Стоят не дорого, в рублях обычно около 1500р.
Вот пример: http://www.purelogic.ru/Netshop/up-shag ... hagdvig-3/ первые две позиции.
Андрей
Кандидат
Сообщения: 95
Зарегистрирован: 11 авг 2011, 15:25
Репутация: 0
Контактная информация:

Re: EMC2 и AlphaCAM

Сообщение Андрей »

Коль а подскажи пожайлуста где в ж коде выбрать обработку внешнего контура а не внешнего
выставляю диаметр инструмента а он мне режит по внутреннему контуру
Аватара пользователя
Nick
Мастер
Сообщения: 22776
Зарегистрирован: 23 ноя 2009, 16:45
Репутация: 1735
Заслуга: Developer
Откуда: Gatchina, Saint-Petersburg distr., Russia
Контактная информация:

Re: EMC2 и AlphaCAM

Сообщение Nick »

G41 - отступ от траектории в правую сторону
G42 - в левую.
В зависимости от того, что режешь и в какую сторону, нужно выбирать разные значения.

Кстати эти коды иногда не будут работать, а будут выдавать ошибку. Это будет происходить, если есть маленькие сегменты, до которых инструмент вообще не дойдет. И связанно все это опять же с тем же offset и его непредсказуемостью.
Андрей
Кандидат
Сообщения: 95
Зарегистрирован: 11 авг 2011, 15:25
Репутация: 0
Контактная информация:

Re: EMC2 и AlphaCAM

Сообщение Андрей »

не коль в инскейпе указать внешний контур обработки
Аватара пользователя
Nick
Мастер
Сообщения: 22776
Зарегистрирован: 23 ноя 2009, 16:45
Репутация: 1735
Заслуга: Developer
Откуда: Gatchina, Saint-Petersburg distr., Russia
Контактная информация:

Re: EMC2 и AlphaCAM

Сообщение Nick »

Не совсем понял... Добавь скриншот или svg.
Андрей
Кандидат
Сообщения: 95
Зарегистрирован: 11 авг 2011, 15:25
Репутация: 0
Контактная информация:

Re: EMC2 и AlphaCAM

Сообщение Андрей »

коль вот скриншот размеры 3 на 5 мм диаметр инструмента 0.24мм когда вырезает деталь меньше ровно на диаметр инструмента как сделать чтобы деталь была 3 на 5 мм
Вложения
Снимок.png (2471 просмотр) <a class='original' href='./download/file.php?id=3246&mode=view' target=_blank>Загрузить оригинал (172.38 КБ)</a>
Аватара пользователя
Nick
Мастер
Сообщения: 22776
Зарегистрирован: 23 ноя 2009, 16:45
Репутация: 1735
Заслуга: Developer
Откуда: Gatchina, Saint-Petersburg distr., Russia
Контактная информация:

Re: EMC2 и AlphaCAM

Сообщение Nick »

Два варианта:
1. Нарисовать прямоугольник больше/меньше на диаметр инструмента.
2. Сделать offset/inset для этого прямоугольника методом inkscape. (Либо настраиваем Шаги в настройках inkscape и нажимаем Ctrl+"(" или Ctrl+")" ), или применить Динамическую втяжку - Ctrl+J и вручную настроить отступ. Может давать баги в полученном контуре!
3. Добавить G41 или G42 в Gcode, тогда emc2 сам рассчитает необходимую компенсацию, как я уже писал. (Иногда может не сработать, но если не сработает, ты об этом узнаешь до начала обработки, что очень важно. Зато если сработает ты получишь идеально точный offset!)

Вообще, сейчас у тебя режет не внутри и не снаружи контура, сейчас у тебя режет ровно по контуру. Т.е. центр инструмента идет ровно по контуру. А деталь получается меньше на диаметр, т.к. справа и слева отрезает по пол диаметра ;).

По поводу багов offset - эта процедура очень не простая и бывает глючит даже в ооочень серьезных CAD программах, например у меня он глючил в даже Rhino! Вот такие дела.
Андрей
Кандидат
Сообщения: 95
Зарегистрирован: 11 авг 2011, 15:25
Репутация: 0
Контактная информация:

Re: EMC2 и AlphaCAM

Сообщение Андрей »

а с помошью area не получиться в жкоде
Аватара пользователя
Nick
Мастер
Сообщения: 22776
Зарегистрирован: 23 ноя 2009, 16:45
Репутация: 1735
Заслуга: Developer
Откуда: Gatchina, Saint-Petersburg distr., Russia
Контактная информация:

Re: EMC2 и AlphaCAM

Сообщение Nick »

Почему не получится? Хотя, может и не получится :think:...
Что ты хочешь вырезать?
Ответить

Вернуться в «LinuxCNC»