Darxton скопировал WLDAxis

Аватара пользователя
Argon-11
Мастер
Сообщения: 2068
Зарегистрирован: 07 июн 2017, 17:48
Репутация: 461
Контактная информация:

Re: Darxton скопировал WLDAxis

Сообщение Argon-11 »

Kachik писал(а): Просто для справки. А у вора можно воровать?
Нежелательно. Непротивление злу насилием и все такое )
С ворами следует бороться другими способами.
если чо, я это про упомянутые органы.
Последний раз редактировалось Argon-11 03 сен 2021, 18:13, всего редактировалось 1 раз.
Аватара пользователя
xvovanx
Мастер
Сообщения: 3776
Зарегистрирован: 25 фев 2016, 12:27
Репутация: 920
Настоящее имя: Владимир
Откуда: Latvia
Контактная информация:

Re: Darxton скопировал WLDAxis

Сообщение xvovanx »

steals_y2k писал(а): 02 сен 2021, 20:49
xvovanx писал(а): Можно плату хоть круглую сделать, но середина с деталями "слизана".
а если сделать свою, она по принципу работы и деталям будет отличаться? 😏
по принципу работы - нет, по деталям - незначительно, а по топологии расположения элементов и обозначениям - в корне. Делая самому по схеме (а не с образца, лежащего перед носом) никогда не будет одинаковых плат, у каждого свой подчерк.
a321 писал(а): 02 сен 2021, 21:25
xvovanx писал(а): А если поставить на плату хорошие разъемы вместо дешевых копеечных клемм на винтах,
Вот только не надо никаких "самозажимных" и прочих айфоноподобных штучек. Разъемы и ширинки - пожалуйста на болтах, винтах.
речь абсолютно не об этом, гляньте на хорошие разъемы WLDAxis платы и на дешевку клемм копии darxton. Так сказать слизали в максимально дешевом/неудобном исполнении.
steals_y2k
Мастер
Сообщения: 960
Зарегистрирован: 29 окт 2017, 14:08
Репутация: 61
Настоящее имя: Makc
Откуда: Ярославль
Контактная информация:

Re: Darxton скопировал WLDAxis

Сообщение steals_y2k »

xvovanx писал(а): Делая самому по схеме (а не с образца, лежащего перед носом) никогда не будет одинаковых плат, у каждого свой подчерк.
а вот точно 1-в-1 скопировать-это ещё бо́льший гемор, чем так накидать. )))
a321
Мастер
Сообщения: 644
Зарегистрирован: 03 дек 2016, 00:30
Репутация: 74
Контактная информация:

Re: Darxton скопировал WLDAxis

Сообщение a321 »

xvovanx писал(а): а по топологии расположения элементов и обозначениям
Ну знаете ли. Геометрия она такая геометричная. Кратчайший путь (с учетом ширины-толщины проводника и стандартов их проводки) от точки к точке, разумное размещение (компоновка) элементов в целях снижения путей не может блокироваться авторским правом. Собака на сене (в смысле сделать плату и не обеспечивать ею потребителя) - это не положительный образ (но наш фильм с песней Тристана про нравственную проституцию очень даже хорош).
Kupfershcmidt
Мастер
Сообщения: 2295
Зарегистрирован: 04 авг 2019, 15:54
Репутация: 323
Настоящее имя: Сергей
Контактная информация:

Re: Darxton скопировал WLDAxis

Сообщение Kupfershcmidt »

Kachik писал(а): А у вора можно воровать?
В общем-то нет. Нельзя не у хороших людей красть, а вообще.
Darxton
Мастер
Сообщения: 2113
Зарегистрирован: 17 янв 2013, 08:19
Репутация: 623
Контактная информация:

Re: Darxton скопировал WLDAxis

Сообщение Darxton »

Пипец. Чо происходит, я отказываюсь понимать.
Устройство с открытой логикой работы, без патентной или иной защиты. С логикой, которую я же собсно и описал сразу после появления темы, потому что полгода ходил вокруг этой темы, и концепцию себе прекрасно представлял уже тогда....
Сделали прям совсем на коленке из говна и веток, даже без всяких современных свистоперделок, а типа такого, какое было 4 года назад... выставили по цене с защитной наценкой, на 40% выше товара от wldev.
Из расчета будет покупка раз в квартал, когда у ТСа их нет, а нужны прям щаз.

Всё сделали, чтобы ТСу не составить никакой конкуренции. Но нет. Это типа нечестно. Сделайте качественно, с нуля, по уму и цену невысокую - вот тогда честно и правильно будет. Видимо, придется так и поступить.
Сергей Сергеич, тут явно играют против вас ))))
Аватара пользователя
xvovanx
Мастер
Сообщения: 3776
Зарегистрирован: 25 фев 2016, 12:27
Репутация: 920
Настоящее имя: Владимир
Откуда: Latvia
Контактная информация:

Re: Darxton скопировал WLDAxis

Сообщение xvovanx »

a321 писал(а): Ну знаете ли. Геометрия она такая геометричная. Кратчайший путь (с учетом ширины-толщины проводника и стандартов их проводки) от точки к точке, разумное размещение (компоновка) элементов в целях снижения путей не может блокироваться авторским правом. Собака на сене (в смысле сделать плату и не обеспечивать ею потребителя) - это не положительный образ (но наш фильм с песней Тристана про нравственную проституцию очень даже хорош).
Вообще не понимаю о чем вы так вокруг да около...кратчайшие пути...проводники...сено... :)
Для простого примера- взять светодиод и резистор и нарисовать их на плате. У кого-то будут они последовательно в цепочку, кто-то разместит их рядом, кто-то в длину, кто-то в ширину - уже будут отличия. Но когда три DIP корпуса с кучей оптронов, индикацией и горстью рассыпухи стоят одинаково - это уже говорит само за себя. И "разумное размещение (компоновка) элементов в целях снижения путей" тут ни каким боком.

П.С. ну скопировали и скопировали, факт свершился, действительно, чего уже 3 страницу воду в ступе толочь ;)
Последний раз редактировалось xvovanx 03 сен 2021, 15:12, всего редактировалось 2 раза.
Kupfershcmidt
Мастер
Сообщения: 2295
Зарегистрирован: 04 авг 2019, 15:54
Репутация: 323
Настоящее имя: Сергей
Контактная информация:

Re: Darxton скопировал WLDAxis

Сообщение Kupfershcmidt »

Darxton писал(а): Сделайте качественно, с нуля, по уму и цену невысокую - вот тогда честно и правильно будет. Видимо, придется так и поступить.
Речь в общем совсем не о том, вы ж это понимаете.

"Да, я украл, но из самых лучших побуждений (вот и людям некоторым это нравится), От этого хорошо всем!"

Какой же ты три-два-раз, лей в глаза, всё божья роса.
Аватара пользователя
xvovanx
Мастер
Сообщения: 3776
Зарегистрирован: 25 фев 2016, 12:27
Репутация: 920
Настоящее имя: Владимир
Откуда: Latvia
Контактная информация:

Re: Darxton скопировал WLDAxis

Сообщение xvovanx »

Darxton писал(а): Пипец. Чо происходит, я отказываюсь понимать.
А ты думал! Вон у Плота два года назад в демо версии станины жестянку нашли - так эхо шумихи до сих пор раздается :hehehe:
А тут плагиат, тут на форуме не было еще такого :hehehe: :hehehe: :hehehe:
Darxton
Мастер
Сообщения: 2113
Зарегистрирован: 17 янв 2013, 08:19
Репутация: 623
Контактная информация:

Re: Darxton скопировал WLDAxis

Сообщение Darxton »

Kupfershcmidt писал(а): я украл
Оттыж. По миру пустил. Патент нарушил, да?
Так. А плату следующую может овальной сделать, а? Может прямоугольная форма и медные дорожки тоже - того-сь? Авторски защищены? Использования элементов булевой логики никто не запрещал? Питания 5 Вольт? Ну я на всякий случай. ))))
От этого хорошо всем!"
Клиентам. Клиентам прежде всего. Когда стоит вопрос снабжения - крайний всегда поставщик. Мне лично сложно объяснить не только клиентам, но и себе, почему на вопрос "а есть вот эта фигня у вас в наличии?" мне приходится мяться и мычать, что ну как бы нет, уже полгода, потому что китайцы платы производителю Васе не шлют, а у нас вот остаток кончился, ну вот нету, спросите у самого Васи. А сам Вася огород копает или на юг уехал. Крайние в такой ситуации всегда будем мы. Клиенту пофигу на Васю, с Васи какой спрос. На то он и Вася. А у клиента станок стоит. Он рассчитывал на эту хрень.
Речь в общем совсем не о том
О том, о том. О доминирующих эмоциях и реальных результатах.
Реальный результат темы - будет сделано полностью новое устройство. Устраним воровство на корню. С той же, описанной логикой и - немного больше. Но в этот раз в массе и дешевле. Роялти - ну тут уже сами понимаете ) На те именно 5 штук опытной партии, похожей на продукт ТС - как обещал, всё сделаем в лучшем виде )

Засим позвольте откланяться.
xvovanx писал(а): А ты думал! Вон у Плота два года назад в демо версии станины жестянку нашли - так эхо шумихи до сих пор раздается
Не слежу. Но у меня например с 2015 года идут эксперименты с полимергранитными станинами. которые очччень похожи на плотовские, хотя отливались еще до того, как это стало мейнстримом. Чё теперь, все бросить, потому что он первый на форум с ними вышел? Ды щаз прям.
Аватара пользователя
xvovanx
Мастер
Сообщения: 3776
Зарегистрирован: 25 фев 2016, 12:27
Репутация: 920
Настоящее имя: Владимир
Откуда: Latvia
Контактная информация:

Re: Darxton скопировал WLDAxis

Сообщение xvovanx »

Darxton писал(а): А плату следующую может овальной сделать, а? Может прямоугольная форма и медные дорожки тоже - того-сь? Авторски защищены? Использования элементов булевой логики никто не запрещал? Питания 5 Вольт? Ну я на всякий случай. ))))
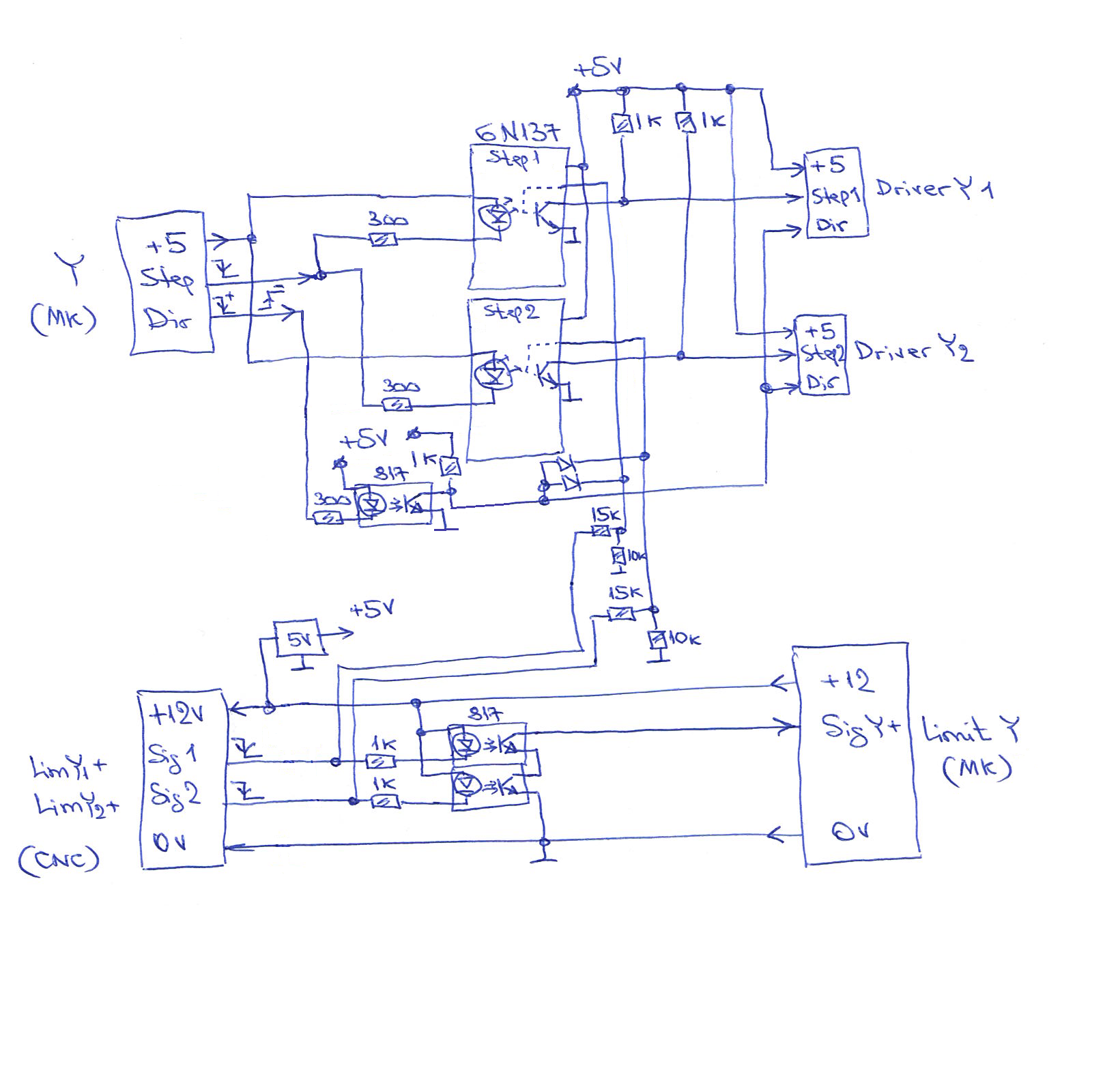
На 5 оптронах нельзя! Я был первый! :lol: :hehehe: Как-то попросили года 3 назад из того что у знакомого было на скорую руку плату придумать, сотворил, до сих пор даже портал как-то ровняет :D. Предлагал потом по уму переделать, но отказались, вот даже схема осталась :cheesy:
Последний раз редактировалось xvovanx 03 сен 2021, 15:53, всего редактировалось 4 раза.
Darxton
Мастер
Сообщения: 2113
Зарегистрирован: 17 янв 2013, 08:19
Репутация: 623
Контактная информация:

Re: Darxton скопировал WLDAxis

Сообщение Darxton »

чо, может нужны герберы кому от этой платы? ) свои, собсные )
Аватара пользователя
michael-yurov
Почётный участник
Почётный участник
Сообщения: 11731
Зарегистрирован: 26 июл 2012, 00:10
Репутация: 4703
Настоящее имя: Михаил Львович
Откуда: Новоуральск
Контактная информация:

Re: Darxton скопировал WLDAxis

Сообщение michael-yurov »

Darxton писал(а): И аналог степмастера. Потому что по полгода-год(!!!) ждать платы для продажи - тоже не работа.
А, что есть какой-то аналог? Я без претензий. Интересно!
Darxton писал(а): да и степмастер уже всё.
Подтверждаю. Пора сворачивать проект. Недели две уже заказов не было.
a321
Мастер
Сообщения: 644
Зарегистрирован: 03 дек 2016, 00:30
Репутация: 74
Контактная информация:

Re: Darxton скопировал WLDAxis

Сообщение a321 »

michael-yurov писал(а): Darxton писал(а): ↑
да и степмастер уже всё.
Подтверждаю. Пора сворачивать проект. Недели две уже заказов не было. Вот думаю, выставить со скидкой: viewtopic.php?f=163&t=32721
Вопрос меж тем актуальный. ЛПТ ноутбук приличной производительности поди найди, а плата завязана на него. А приличные скорости, метров 10-15/мин, требуют приличной производительности, частоты. Так что вот, разумный контроллер да на lan (видимо) разъеме - вопрос очень актуальный. Хоть денег и жалко (уже потраченных). Как пользователь СМ - его очень хвалю (возможно потому, что первый опыт был на китайском с интегрированными драйверами).

Но вот про плату выравнивания предположу, что, возможно, тупик - она априори для варианта "2 мотора на оси", что из коробки идет с LNCN 2.8 и выше, следовательно ее востребованность будет ощутимо ниже разумного контроллера с lan входом.
Darxton
Мастер
Сообщения: 2113
Зарегистрирован: 17 янв 2013, 08:19
Репутация: 623
Контактная информация:

Re: Darxton скопировал WLDAxis

Сообщение Darxton »

michael-yurov писал(а): А, что есть какой-то аналог? Я без претензий. Интересно!
неа. а люди приходят раз в месяц-два и слезно просят.
ну пурики свой аналог сделали вроде давно уже, но я не погружался в подробности.
steals_y2k
Мастер
Сообщения: 960
Зарегистрирован: 29 окт 2017, 14:08
Репутация: 61
Настоящее имя: Makc
Откуда: Ярославль
Контактная информация:

Re: Darxton скопировал WLDAxis

Сообщение steals_y2k »

michael-yurov писал(а): Вот думаю, выставить со скидкой:
eth дешевле, потому и не так интересно..
steals_y2k
Мастер
Сообщения: 960
Зарегистрирован: 29 окт 2017, 14:08
Репутация: 61
Настоящее имя: Makc
Откуда: Ярославль
Контактная информация:

Re: Darxton скопировал WLDAxis

Сообщение steals_y2k »

Darxton писал(а): чо, может нужны герберы кому от этой платы?
а нафига она вообще нужна, если линукс в базе умеет это?
а без базы-ещё шире, спасибо дяде Сержу.. 🙄
Darxton
Мастер
Сообщения: 2113
Зарегистрирован: 17 янв 2013, 08:19
Репутация: 623
Контактная информация:

Re: Darxton скопировал WLDAxis

Сообщение Darxton »

steals_y2k писал(а): а нафига она вообще нужна, если линукс в базе умеет это?
она для таких же дохлых ветвей, как ncstudio v5 и A11e. А еще для контроллеров, у которых каждая доп. ось стоит немалых денег. но вообще самодельный этап в хобби-станкостроительстве подходит к своему концу.
пора переквалифицироваться в управдомы.
aftaev
Зачётный участник
Зачётный участник
Сообщения: 34042
Зарегистрирован: 04 апр 2010, 19:22
Репутация: 6194
Откуда: Казахстан.
Контактная информация:

Re: Darxton скопировал WLDAxis

Сообщение aftaev »

Darxton скопировал WLDAxis.
А WLDAxis скопировано отсюды? viewtopic.php?p=364926#p364926
Дилетанту сложные вещи кажутся очень простыми, и только профессионал понимает насколько сложна самая простая вещь
Кто хочет - ищет возможности, кто не хочет - ищет оправдание.
Найди работу по душе и тебе не придется работать.
Аватара пользователя
xvovanx
Мастер
Сообщения: 3776
Зарегистрирован: 25 фев 2016, 12:27
Репутация: 920
Настоящее имя: Владимир
Откуда: Latvia
Контактная информация:

Re: Darxton скопировал WLDAxis

Сообщение xvovanx »

aftaev писал(а): А WLDAxis скопировано отсюды?
Нет, там же совсем другая начинка
Вложения
mod_vir_portala_no_case.png (5996 просмотров) <a class='original' href='./download/file.php?id=197923&mode=view' target=_blank>Загрузить оригинал (363.65 КБ)</a>
Ответить

Вернуться в «Новости и анонсы»