Комплект готов,оттестирован.Четыре платы-MAIN,PWM,ENCODERS,I\O +шлейфы 4 шт. Деньги можно переводить. Сумма к оплате -14100 руб.Подробности в ЛС.mmv писал(а):Комплект для Dron,а уже изготовлен,сегодня был оттестирован,завтра еще раз все проверим и в самое ближайшее время можно будет отправить.Завтра вечером отпишусь по результату тестирования.
Платы проекта PinCET (готовим замену MESA) linuxcnc
Правила форума
Разрешается публиковать предложения по покупке/продаже как физическим лицам так и коммерческим организациям, при соблюдении следующих условий:
1. должны присутствовать характеристики товаров
2. должна присутствовать стоимость товара
3. должно присутствовать описание способов оплаты и доставки
4. один продавец - одна тема
Фотографии товаров приветствуются (фотографии должны быть вложениями к сообщениям).
Возможно размещение ссылки на свой сайт, с описанием товара, при обязательном соблюдении пунктов 1-3!
При несоблюдении правил тема перемещается в Карантин, откуда автоматически удаляется через 2 дня!
Администрация форума может удалить тему или сообщения из данного раздела на свое усмотрение, без объяснения причин!
Разрешается публиковать предложения по покупке/продаже как физическим лицам так и коммерческим организациям, при соблюдении следующих условий:
1. должны присутствовать характеристики товаров
2. должна присутствовать стоимость товара
3. должно присутствовать описание способов оплаты и доставки
4. один продавец - одна тема
Фотографии товаров приветствуются (фотографии должны быть вложениями к сообщениям).
Возможно размещение ссылки на свой сайт, с описанием товара, при обязательном соблюдении пунктов 1-3!
При несоблюдении правил тема перемещается в Карантин, откуда автоматически удаляется через 2 дня!
Администрация форума может удалить тему или сообщения из данного раздела на свое усмотрение, без объяснения причин!
Re: Плата управления ЧПУ под LinuxCNC (готовим замену 7i77+5
Комплект плат PinCET для модернизации станков на Linuxcnc.
http://www.cnc-club.ru/forum/viewtopic. ... 16#p268407
http://www.cnc-club.ru/forum/viewtopic. ... 16#p268407
Re: Плата управления ЧПУ под LinuxCNC (готовим замену 7i77+5
Ведется работа по изготовлению тех. документации. С уважением.
Комплект плат PinCET для модернизации станков на Linuxcnc.
http://www.cnc-club.ru/forum/viewtopic. ... 16#p268407
http://www.cnc-club.ru/forum/viewtopic. ... 16#p268407
- Lexxa
- Мастер
- Сообщения: 2703
- Зарегистрирован: 16 дек 2011, 16:48
- Репутация: 319
- Настоящее имя: Алексей
- Откуда: ryazan
- Контактная информация:
Re: Плата управления ЧПУ под LinuxCNC (готовим замену 7i77+5
Макс, Вован говорил, что собирается делать все на одной шине (pwm, io, итд).
Как с этими планами дела?
Как с этими планами дела?
-
T00T
- Мастер
- Сообщения: 742
- Зарегистрирован: 16 дек 2011, 12:07
- Репутация: 100
- Контактная информация:
Re: Плата управления ЧПУ под LinuxCNC (готовим замену 7i77+5
Лёх, привет.
Пока прикручиваю Step/Dir.(Многим желающим нужно).
И для вопросов модернизации есть другая тема, давай, ежели чего в ней.
Пока прикручиваю Step/Dir.(Многим желающим нужно).
И для вопросов модернизации есть другая тема, давай, ежели чего в ней.
Я не волшебник я пока учусь......
-
Dron
- Кандидат
- Сообщения: 59
- Зарегистрирован: 21 апр 2016, 07:37
- Репутация: 1
- Настоящее имя: Андрей
- Откуда: Кемероо
- Контактная информация:
Re: Плата управления ЧПУ под LinuxCNC (готовим замену 7i77+5
Друзья , Платы получил.
Монтаж понравился - респект.
Не получается подобрать хорошую материнскую плату с процесором
Перебрал несколько штук лучший джитер 32000 .
Для управления степ\дир это многовато ( как написано в документации)
Для -+12в подойдет или нет ?
Монтаж понравился - респект.
Не получается подобрать хорошую материнскую плату с процесором
Перебрал несколько штук лучший джитер 32000 .
Для управления степ\дир это многовато ( как написано в документации)
Для -+12в подойдет или нет ?
-
T00T
- Мастер
- Сообщения: 742
- Зарегистрирован: 16 дек 2011, 12:07
- Репутация: 100
- Контактная информация:
Re: Плата управления ЧПУ под LinuxCNC (готовим замену 7i77+5
Dron, у вас плата нового образца, расположение разъёмов можно посмотреть здесь:
http://www.cnc-club.ru/forum/viewtopic. ... 27#p286927.
Если чего не понятно по установке и настройке спрашивайте.
http://www.cnc-club.ru/forum/viewtopic. ... 27#p286927.
А что такое джитер 32000?Dron писал(а):Не получается подобрать хорошую материнскую плату с процесором
Перебрал несколько штук лучший джитер 32000 .
Для управления степ\дир это многовато ( как написано в документации)
Для -+12в подойдет или нет ?
Если чего не понятно по установке и настройке спрашивайте.
Я не волшебник я пока учусь......
- N1X
- Мастер
- Сообщения: 3653
- Зарегистрирован: 16 фев 2015, 21:19
- Репутация: 1646
- Настоящее имя: Владимир
- Откуда: Беларусь, Гомель
- Контактная информация:
Re: Плата управления ЧПУ под LinuxCNC (готовим замену 7i77+5
Это когда комп шаги генерит, а здесь я так понял в плате Stepgen, тогда нормально...Dron писал(а):Для управления степ\дир
-
T00T
- Мастер
- Сообщения: 742
- Зарегистрирован: 16 дек 2011, 12:07
- Репутация: 100
- Контактная информация:
Re: Плата управления ЧПУ под LinuxCNC (готовим замену 7i77+5
Dron писал(а):Для управления степ\дир это многовато ( как написано в документации)
Для -+12в подойдет или нет ?
Для +-10в без разницы, и если step/dir будет в контроллере реализован тоже.N1X писал(а):Это когда комп шаги генерит, ...
Где то выше я писал какой у меня комп на станке(на барахолке за 500р купил).
Я не волшебник я пока учусь......
Re: Плата управления ЧПУ под LinuxCNC (готовим замену 7i77+5
Для DSP1 комплект готов. Подробности в ЛС.
Комплект плат PinCET для модернизации станков на Linuxcnc.
http://www.cnc-club.ru/forum/viewtopic. ... 16#p268407
http://www.cnc-club.ru/forum/viewtopic. ... 16#p268407
- torvn77
- Мастер
- Сообщения: 2442
- Зарегистрирован: 02 июн 2012, 22:12
- Репутация: 215
- Откуда: Россия,Санкт-Петербург
- Контактная информация:
Re: Плата управления ЧПУ под LinuxCNC (готовим замену 7i77+5
T00T, а у тебя есть что ни будь простое, желательно совместимое по разъёму с дешёвой платой NC Studio?
Например вот этой:
Например вот этой:
-
T00T
- Мастер
- Сообщения: 742
- Зарегистрирован: 16 дек 2011, 12:07
- Репутация: 100
- Контактная информация:
Re: Плата управления ЧПУ под LinuxCNC (готовим замену 7i77+5
а что это, и что с чем совместить нужно?
Я не волшебник я пока учусь......
- torvn77
- Мастер
- Сообщения: 2442
- Зарегистрирован: 02 июн 2012, 22:12
- Репутация: 215
- Откуда: Россия,Санкт-Петербург
- Контактная информация:
Re: Плата управления ЧПУ под LinuxCNC (готовим замену 7i77+5
У меня работадатель не против если я буду использовать удобное для себя LinuxCNC,
но требует что бы он мог в любой момент востановить на станке привычную для себя NC Studio.
В общем решили сделать отдельный ПК под меня, а старый поставить на стелаж как резерв и
надо чтобы разъём на плате контролёра был совместим с разъёмом контролёра NC-Studio
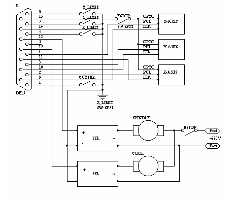
Вот схемы идущие в комплекте к этой плате: Ну конечно хорошо бы ещё отдельный DB9 с GPIO для подключения центроискателя и управления парочкой релюшек.
Ну и чтобы желательно было не дорого.
но требует что бы он мог в любой момент востановить на станке привычную для себя NC Studio.
В общем решили сделать отдельный ПК под меня, а старый поставить на стелаж как резерв и
надо чтобы разъём на плате контролёра был совместим с разъёмом контролёра NC-Studio
Вот схемы идущие в комплекте к этой плате: Ну конечно хорошо бы ещё отдельный DB9 с GPIO для подключения центроискателя и управления парочкой релюшек.
Ну и чтобы желательно было не дорого.
-
T00T
- Мастер
- Сообщения: 742
- Зарегистрирован: 16 дек 2011, 12:07
- Репутация: 100
- Контактная информация:
Re: Плата управления ЧПУ под LinuxCNC (готовим замену 7i77+5
Модуль Step/dir ещё не внедрён пока.
Такое изделие нужно будет только вам одному. Все изменения за ваш счёт?
Тут нет ни энкодеров, ни чего то ещё скоростного. Подключитесь на LPT порт. Ну или нужно будет использовать какой то стандартный вариант.
Такое изделие нужно будет только вам одному. Все изменения за ваш счёт?
Тут нет ни энкодеров, ни чего то ещё скоростного. Подключитесь на LPT порт. Ну или нужно будет использовать какой то стандартный вариант.
Я не волшебник я пока учусь......
-
T00T
- Мастер
- Сообщения: 742
- Зарегистрирован: 16 дек 2011, 12:07
- Репутация: 100
- Контактная информация:
Re: Плата управления ЧПУ под LinuxCNC (готовим замену 7i77+5
А куда ещё проще, to_pci - с него все пины наружу. Высокая скорость, и недорого.torvn77 писал(а):T00T, а у тебя есть что ни будь простое
Я не волшебник я пока учусь......
- torvn77
- Мастер
- Сообщения: 2442
- Зарегистрирован: 02 июн 2012, 22:12
- Репутация: 215
- Откуда: Россия,Санкт-Петербург
- Контактная информация:
Re: Плата управления ЧПУ под LinuxCNC (готовим замену 7i77+5
Как я понимаю, Step/Dir когда вы его сделаете будет ещё дешевле или не сильно дороже чем этот комплект для управления через NC Studio?
Может тогда вам всёже подумать над созданием имеющей совместимый с NC Studio разъём?
ИМХО отсутствие необходимости что либо переделывать в шкафу управления будет большим плюсом при переходе с этой системы.
Ну а для пробника и центроискателя можно сделать отдельный разъём.
Больше ничего скорее всего к станкам такого уровня всё равно не подключат.
А мотив перехода с NC на LinuxCNC простой, даже в конфигурации по умолчанию интерфейс у LinuxCNC лучше чем у той версии, с которой работает эта плата.
Ну а если вы ещё и GladeVCP панель так же как и verser сделаете или даже с ним объединитесь, то вы по интерфейсу и удобству использования сможете превзойти NC Studio.
Может тогда вам всёже подумать над созданием имеющей совместимый с NC Studio разъём?
ИМХО отсутствие необходимости что либо переделывать в шкафу управления будет большим плюсом при переходе с этой системы.
Ну а для пробника и центроискателя можно сделать отдельный разъём.
Больше ничего скорее всего к станкам такого уровня всё равно не подключат.
А мотив перехода с NC на LinuxCNC простой, даже в конфигурации по умолчанию интерфейс у LinuxCNC лучше чем у той версии, с которой работает эта плата.
Ну а если вы ещё и GladeVCP панель так же как и verser сделаете или даже с ним объединитесь, то вы по интерфейсу и удобству использования сможете превзойти NC Studio.
-
T00T
- Мастер
- Сообщения: 742
- Зарегистрирован: 16 дек 2011, 12:07
- Репутация: 100
- Контактная информация:
Re: Плата управления ЧПУ под LinuxCNC (готовим замену 7i77+5
Для такого решения LPT - самое оно. Step/Dir - MAIN будет стоить всё равно столько же.
Я не волшебник я пока учусь......
- torvn77
- Мастер
- Сообщения: 2442
- Зарегистрирован: 02 июн 2012, 22:12
- Репутация: 215
- Откуда: Россия,Санкт-Петербург
- Контактная информация:
Re: Плата управления ЧПУ под LinuxCNC (готовим замену 7i77+5
С LPT куча проблем, начиная с поиска подходящей платы и кончая тем, что с настройкой порта в последних версиях линукса произошло что-то не понятное.
В общем на винде дешёвые платки для NC Studio LPT потихоньку вытесняют.
При чём в случае LinuxCNC внешний контролёр LPT должен быть правильным, без дополнительных устройств и точно соответствующий стандарту.
В общем ну его.
В общем на винде дешёвые платки для NC Studio LPT потихоньку вытесняют.
При чём в случае LinuxCNC внешний контролёр LPT должен быть правильным, без дополнительных устройств и точно соответствующий стандарту.
В общем ну его.
-
T00T
- Мастер
- Сообщения: 742
- Зарегистрирован: 16 дек 2011, 12:07
- Репутация: 100
- Контактная информация:
Re: Плата управления ЧПУ под LinuxCNC (готовим замену 7i77+5
В общем я не склонен делать какие то нестандартные решения. Если вам нужно, то переходник в вашем случае будут выглядеть как пара разъёмов с проводами.
Я не волшебник я пока учусь......
- N1X
- Мастер
- Сообщения: 3653
- Зарегистрирован: 16 фев 2015, 21:19
- Репутация: 1646
- Настоящее имя: Владимир
- Откуда: Беларусь, Гомель
- Контактная информация:
Re: Плата управления ЧПУ под LinuxCNC (готовим замену 7i77+5
T00T, все нормуль, torvn всегда кого-то просит что-то делать за него, к этому просто нужно привыкнуть....