ClassicLadder (CL)
- Lexxa
- Мастер
- Сообщения: 2703
- Зарегистрирован: 16 дек 2011, 16:48
- Репутация: 319
- Настоящее имя: Алексей
- Откуда: ryazan
- Контактная информация:
Re: ClassicLadder (CL)
все же интересно, как сделать classicladder.1.in-00
может Section добавить, для чего-то же они нужны?
может Section добавить, для чего-то же они нужны?
- tooshka
- Почётный участник

- Сообщения: 1803
- Зарегистрирован: 24 окт 2012, 14:26
- Репутация: 209
- Настоящее имя: Андрей
- Откуда: Нижний Новгород
- Контактная информация:
Re: ClassicLadder (CL)
Спасибо)) Очень нужная тема!! Вопрос, на винде он должен запускаться или нет. Я вроде скачал несколько версий ни одна не запустилась на Вин7-64??nkp писал(а):ClassicLadder - это интерпретатор языка программирования LD , наиболее распространённого языка для PLC .
Милая, ты услышь меня
под окном стою со своим я ЧПУ! (Протяжно; с надрывом; форте)
Внимание!!! Чрезмерное увлечение ЧПУ приводит к проблемам в семейных отношениях!
под окном стою со своим я ЧПУ! (Протяжно; с надрывом; форте)
Внимание!!! Чрезмерное увлечение ЧПУ приводит к проблемам в семейных отношениях!
- tooshka
- Почётный участник

- Сообщения: 1803
- Зарегистрирован: 24 окт 2012, 14:26
- Репутация: 209
- Настоящее имя: Андрей
- Откуда: Нижний Новгород
- Контактная информация:
Re: ClassicLadder (CL)
Спасибо пробовал (( Сейчас линух виртуально подыму и попробую))nkp писал(а):здесь как бы win32 указана
(кстати -ты отсюда пробовал?)
Милая, ты услышь меня
под окном стою со своим я ЧПУ! (Протяжно; с надрывом; форте)
Внимание!!! Чрезмерное увлечение ЧПУ приводит к проблемам в семейных отношениях!
под окном стою со своим я ЧПУ! (Протяжно; с надрывом; форте)
Внимание!!! Чрезмерное увлечение ЧПУ приводит к проблемам в семейных отношениях!
- Nick
- Мастер
- Сообщения: 22776
- Зарегистрирован: 23 ноя 2009, 16:45
- Репутация: 1735
- Заслуга: Developer
- Откуда: Gatchina, Saint-Petersburg distr., Russia
- Контактная информация:
Re: ClassicLadder (CL)
Так... а почему я об этом не знаюnkp писал(а):рисовать здесь намного удобней - есть копипаст
Надо попробовать
А что говорят? Кстати, в винде есть режим совместимости с 32 какой-нибудь?tooshka писал(а): Я вроде скачал несколько версий ни одна не запустилась на Вин7-64??
- tooshka
- Почётный участник

- Сообщения: 1803
- Зарегистрирован: 24 окт 2012, 14:26
- Репутация: 209
- Настоящее имя: Андрей
- Откуда: Нижний Новгород
- Контактная информация:
Re: ClassicLadder (CL)
Режим совместимости есть)) На всех пробовал. Просил кое какие DLLки - скачал не хочет запускаться(( XP ставить неохота.
Милая, ты услышь меня
под окном стою со своим я ЧПУ! (Протяжно; с надрывом; форте)
Внимание!!! Чрезмерное увлечение ЧПУ приводит к проблемам в семейных отношениях!
под окном стою со своим я ЧПУ! (Протяжно; с надрывом; форте)
Внимание!!! Чрезмерное увлечение ЧПУ приводит к проблемам в семейных отношениях!
-
nkp
- Мастер
- Сообщения: 8340
- Зарегистрирован: 28 ноя 2011, 00:25
- Репутация: 1589
- Контактная информация:
Re: ClassicLadder (CL)
ты же любитель :Nick писал(а):Так... а почему я об этом не знаю
Код: Выделить всё
------///////\\\\\\\>>><<<<----------||||||||||||||||||- Lexxa
- Мастер
- Сообщения: 2703
- Зарегистрирован: 16 дек 2011, 16:48
- Репутация: 319
- Настоящее имя: Алексей
- Откуда: ryazan
- Контактная информация:
Re: ClassicLadder (CL)
вот только один косяк блин. толку от нее вобщем то мало от этой проги, поскольку её выхлоп не переваривается ладдером от ЕМС.
Отличия:
1) Таймеры не так описаны
2) 8 новой версии вместо 6 строк в матрице 8.
Т.е. если отладить, а потом перерисовывать в емс - да, сойдет.
Единственное что удобно, этоназвание всяких там символов скопировать из нового файла в старый можно.
Отличия:
1) Таймеры не так описаны
2) 8 новой версии вместо 6 строк в матрице 8.
Т.е. если отладить, а потом перерисовывать в емс - да, сойдет.
Единственное что удобно, этоназвание всяких там символов скопировать из нового файла в старый можно.
-
nkp
- Мастер
- Сообщения: 8340
- Зарегистрирован: 28 ноя 2011, 00:25
- Репутация: 1589
- Контактная информация:
Re: ClassicLadder (CL)
Объявляется конкурс на лучшее решение следующей задачи:
для управления емс есть кнопки Cycle Start и Feed Hold
и кнопка сфиксацией Step
теперь нужно разрулить в ладдере их работу в разных режимах
1. в авто режиме Cycle Start запускает выполнение программы - Feed Hold отанавливает (устанавливает нулевую подачу)
2. при нажатой кнопке с фикс. Step в этом же режиме Cycle Start запускает выполнение одной строки , Feed Hold отанавливает (устанавливает нулевую подачу)
при отжатии кнопки с фикс. Step все работает как в п.1
3. в MDI режиме Cycle Start запускает выполнение введенной команды MDI, Feed Hold отанавливает (устанавливает нулевую подачу)
вот файл который сейчас работает его можно запустить без емс в ладдере взятом в этой теме
вот та часть схемы о которой идет речь но дело не в ней
может кто предложит схемное решение оптимальней
будет носить звание почетного PLCmaker-а
для управления емс есть кнопки Cycle Start и Feed Hold
и кнопка сфиксацией Step
теперь нужно разрулить в ладдере их работу в разных режимах
1. в авто режиме Cycle Start запускает выполнение программы - Feed Hold отанавливает (устанавливает нулевую подачу)
2. при нажатой кнопке с фикс. Step в этом же режиме Cycle Start запускает выполнение одной строки , Feed Hold отанавливает (устанавливает нулевую подачу)
при отжатии кнопки с фикс. Step все работает как в п.1
3. в MDI режиме Cycle Start запускает выполнение введенной команды MDI, Feed Hold отанавливает (устанавливает нулевую подачу)
вот файл который сейчас работает его можно запустить без емс в ладдере взятом в этой теме
вот та часть схемы о которой идет речь но дело не в ней
может кто предложит схемное решение оптимальней
будет носить звание почетного PLCmaker-а
- Nick
- Мастер
- Сообщения: 22776
- Зарегистрирован: 23 ноя 2009, 16:45
- Репутация: 1735
- Заслуга: Developer
- Откуда: Gatchina, Saint-Petersburg distr., Russia
- Контактная информация:
Re: ClassicLadder (CL)
Я правильно понимаю, что feedhold всегда устанавливает нулевую подачу, вне зависимости от режима?
-
nkp
- Мастер
- Сообщения: 8340
- Зарегистрирован: 28 ноя 2011, 00:25
- Репутация: 1589
- Контактная информация:
Re: ClassicLadder (CL)
точно!Nick писал(а):feedhold всегда устанавливает нулевую подачу, вне зависимости от режима?
- Nick
- Мастер
- Сообщения: 22776
- Зарегистрирован: 23 ноя 2009, 16:45
- Репутация: 1735
- Заслуга: Developer
- Откуда: Gatchina, Saint-Petersburg distr., Russia
- Контактная информация:
Re: ClassicLadder (CL)
А зачем тогда к нему куча всяких приблуд нарисовано? 
-
nkp
- Мастер
- Сообщения: 8340
- Зарегистрирован: 28 ноя 2011, 00:25
- Репутация: 1589
- Контактная информация:
Re: ClassicLadder (CL)
так я и предложил оптимизировать (ну не отнять у меня "талант" все усложнятьNick писал(а):А зачем тогда к нему куча всяких приблуд нарисовано?
-
nkp
- Мастер
- Сообщения: 8340
- Зарегистрирован: 28 ноя 2011, 00:25
- Репутация: 1589
- Контактная информация:
Re: ClassicLadder (CL)
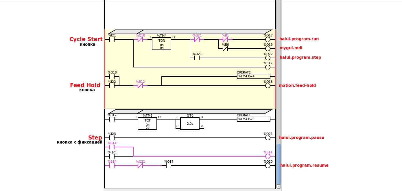
малёхо по алгоритму пройдусь:
1. режим авто. нажали Cycle Start (%I21) - сработал (%Q17) - halui.program.run
отпустили кнопку - выполнение программы продолжается
нажали Feed Hold (%I22) - сработал (%Q18) monion.feed-hold
отпустили кнопку - (%Q18) monion.feed-hold остается активным (стоим)
нажали Cycle Start (%I21) - (%Q18) monion.feed-hold стал неактивным
в то же время (%Q17) - halui.program.run не должен срабатывать
( halui.program.run у нас и так True )
1. режим авто. нажали Cycle Start (%I21) - сработал (%Q17) - halui.program.run
отпустили кнопку - выполнение программы продолжается
нажали Feed Hold (%I22) - сработал (%Q18) monion.feed-hold
отпустили кнопку - (%Q18) monion.feed-hold остается активным (стоим)
нажали Cycle Start (%I21) - (%Q18) monion.feed-hold стал неактивным
в то же время (%Q17) - halui.program.run не должен срабатывать
( halui.program.run у нас и так True )
- Nick
- Мастер
- Сообщения: 22776
- Зарегистрирован: 23 ноя 2009, 16:45
- Репутация: 1735
- Заслуга: Developer
- Откуда: Gatchina, Saint-Petersburg distr., Russia
- Контактная информация:
Re: ClassicLadder (CL)
Так может тогда сделать
на feed-hold -(S)-
на cycle stert -(R)-
Ну может к feed hold сделать, если он и так 1 то ресет иначе сет.
... я понятно объяснил или нет?
на feed-hold -(S)-
на cycle stert -(R)-
Ну может к feed hold сделать, если он и так 1 то ресет иначе сет.
... я понятно объяснил или нет?
-
nkp
- Мастер
- Сообщения: 8340
- Зарегистрирован: 28 ноя 2011, 00:25
- Репутация: 1589
- Контактная информация:
Re: ClassicLadder (CL)
типа такого:
- Nick
- Мастер
- Сообщения: 22776
- Зарегистрирован: 23 ноя 2009, 16:45
- Репутация: 1735
- Заслуга: Developer
- Откуда: Gatchina, Saint-Petersburg distr., Russia
- Контактная информация:
Re: ClassicLadder (CL)
Я имел в виду что-то вроде вот такого:
I0 - start
I1 - feedhold
Q0 - feed-hold
I0 - start
I1 - feedhold
Q0 - feed-hold
-
nkp
- Мастер
- Сообщения: 8340
- Зарегистрирован: 28 ноя 2011, 00:25
- Репутация: 1589
- Контактная информация:
Re: ClassicLadder (CL)
тут вот какое дело:
сейчас схема так и работает...
а основной упор здесь на:
"нажали Cycle Start (%I21) - (%Q18) monion.feed-hold стал неактивным
в то же время (%Q17) - halui.program.run не должен срабатывать
( halui.program.run у нас и так True )"
то есть при нажатии Cycle Start после Feed Hold он только делает monion.feed-hold False
и (внимание!) не должен срабатывать halui.program.run
я уже подумываю компонент на все эти дела написать - наверно самый компактный способ будет,
да и точней всего логику можно описать, так как к режиму авто еще MDI и Step добавится (на эти же кнопки)
сейчас схема так и работает...
а основной упор здесь на:
"нажали Cycle Start (%I21) - (%Q18) monion.feed-hold стал неактивным
в то же время (%Q17) - halui.program.run не должен срабатывать
( halui.program.run у нас и так True )"
то есть при нажатии Cycle Start после Feed Hold он только делает monion.feed-hold False
и (внимание!) не должен срабатывать halui.program.run
я уже подумываю компонент на все эти дела написать - наверно самый компактный способ будет,
да и точней всего логику можно описать, так как к режиму авто еще MDI и Step добавится (на эти же кнопки)
- Nick
- Мастер
- Сообщения: 22776
- Зарегистрирован: 23 ноя 2009, 16:45
- Репутация: 1735
- Заслуга: Developer
- Откуда: Gatchina, Saint-Petersburg distr., Russia
- Контактная информация:
Re: ClassicLadder (CL)
Ну так это, все как на рисунке вверху, только вот так.
Q1 - halui.program.run
Q1 - halui.program.run
-
nkp
- Мастер
- Сообщения: 8340
- Зарегистрирован: 28 ноя 2011, 00:25
- Репутация: 1589
- Контактная информация:
Re: ClassicLadder (CL)
если так : ( на входах I0 и I1)
то работает неустойчиво
